【導讀】不可充電電池應用適用于僅偶爾使用電源的應用,即設備在返回深度睡眠模式之前偶爾通電,在該模式下,設備消耗的電量少。使用它作為電源的主要優點是它提供了高能量密度和更簡單的設計,因為您不需要容納電池充電/管理電路,并且成本更低,因為電池更便宜并且需要更少的電子設備。它們非常適合低成本、低功耗應用。然而,由于電池的使用壽命有限,它們不太適合功耗稍高的應用。
不可充電電池應用適用于僅偶爾使用電源的應用,即設備在返回深度睡眠模式之前偶爾通電,在該模式下,設備消耗的電量少。使用它作為電源的主要優點是它提供了高能量密度和更簡單的設計,因為您不需要容納電池充電/管理電路,并且成本更低,因為電池更便宜并且需要更少的電子設備。它們非常適合低成本、低功耗應用。然而,由于電池的使用壽命有限,它們不太適合功耗稍高的應用。
考慮具有許多節點的大型物聯網安裝。當您有一名技術人員現場更換一臺設備的電池時,通常會性更換所有電池,以節省人工成本。當然,這是一種浪費,只會加劇廢物問題。重要的是,不可充電電池僅提供制造它們所用電力的約 2%。約 98% 的能源被浪費,使其成為非常不經濟的能源。
顯然,這些確實在基于物聯網的應用中占有一席之地。它們相對較低的初始成本使其成為低功耗應用的理想選擇。有許多不同的類型和尺寸可供選擇,并且由于它們不需要太多額外的電子設備來充電或管理,因此它們是一個簡單的解決方案。
從設計的角度來看,關鍵的挑戰是充分利用這些電源提供的能量。為此,制定電力預算計劃以確保限度地延長電池的使用壽命非常重要,其中 10 年是常見的使用壽命目標。
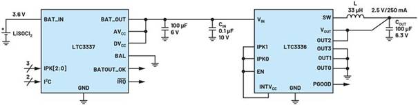
對于電池應用,ADI 毫微功耗系列產品中的兩個部件值得考慮:LTC3337 毫微功耗庫侖計數器和 LTC3336 毫微功耗降壓穩壓器,如圖 1 所示。
LTC3336 是一款低功耗 DC-DC 轉換器,采用高達 15V 的輸入電壓運行,具有可編程峰值輸出電流水平。輸入電壓可低至 2.5V,非常適合電池供電的應用。
空載調節時靜態電流極低,僅為 65 nA。隨著 DC-DC 轉換器的發展,它很容易在新設計中設置和使用。輸出電壓根據 OUT0 至 OUT3 引腳的連接方式進行編程。
LTC3336 的配套器件是 LTC3337,這是一款毫微功耗主電池健康狀況監視器和庫侖計數器。這是另一個易于在新設計中使用的器件 — 只需根據所需的峰值電流(在 5mA 至 100mA 范圍內)連接 IPK 引腳即可。根據您選擇的電池運行一些計算,然后根據數據表中注明的所選峰值電流填充建議的輸出上限。
對于功耗預算有限的物聯網應用來說,這是一個的設備組合。這些部件既可以準確監控主電池的能量使用情況,又可以有效地將輸出轉換為可用的系統電壓。
圖 1:LTC3337 和 LTC3336 應用電路
讓我們繼續討論可充電應用程序。對于無法頻繁更換主電池的高功率或高耗電物聯網應用來說,這是一個不錯的選擇。由于電池和充電電路的初始成本,可充電電池應用是一種成本較高的實施方案,但在電池頻繁耗盡和充電的高耗電應用中,成本是合理的并且很快就能收回。
根據所使用的化學物質,可充電電池應用的初始能量可能比原電池低,但從長遠來看,它是更有效的選擇,總體上浪費更少。根據電力需求,另一種選擇是電容器或超級電容器存儲,但這些更適合短期備份存儲。
電池充電涉及多種不同的模式和配置文件,具體取決于所使用的化學物質。例如,鋰離子電池充電曲線如圖 2 所示。底部是電池電壓,縱軸是充電電流。
圖 2:充電電流與電池電壓
圖 3:充電電壓/電流與時間的關系
當電池嚴重放電時,如圖2左側所示,充電器需要足夠聰明,將其置于預充電模式,以緩慢地將電池電壓增加到安全水平,然后再進入恒流模式。
在恒流模式下,充電器將編程電流推入電池,直到電池電壓升至編程浮動電壓。
編程電流和電壓均由所使用的電池類型定義-充電電流受 C 速率和所需充電時間的限制,浮動電壓基于對電池安全的電壓。如果系統需要,系統設計人員可以稍微降低浮動電壓,以幫助延長電池的使用壽命。
當達到浮動電壓時,充電電流降至零,并且根據終止算法將該電壓保持一段時間。
圖 3 提供了三單元應用程序的不同圖表,顯示了隨時間變化的行為。電池電壓顯示為紅色,充電電流顯示為藍色。它以恒流模式啟動,電流達到峰值 2A,直到電池電壓達到 12.6V 恒壓閾值。充電器在終止計時器定義的時間內保持該電壓 — 在本例中為四小時窗口。該時間在許多充電器部件上都是可編程的。
有關電池充電以及一些有趣產品的更多信息,請閱讀模擬對話文章“適用于任何化學物質的簡單電池充電器 IC ”。
圖 4 顯示了多功能降壓電池充電器 LTC4162 的示例,該充電器可提供高達 3.2A 的充電電流,適用于多種應用,包括便攜式儀器和需要更大電池或多節電池的應用。它還可以用于通過太陽能充電。
圖 4:LTC4162,一款 3.2A 降壓電池充電器
免責聲明:本文為轉載文章,轉載此文目的在于傳遞更多信息,版權歸原作者所有。本文所用視頻、圖片、文字如涉及作品版權問題,請聯系小編進行處理。
推薦閱讀:
2023第17屆中國國際電池及儲能技術博覽會(IBEE Global 2023)——東莞站



