【導讀】本文介紹了嵌入式系統外設器件的選擇,包括存儲器、時鐘源、定時器、通信接口和輸入/輸出接口等。文章介紹了多種存儲器類型及其選擇考慮因素,多種時鐘源的類型及其選擇考慮因素。強調了定時器精度和計時范圍的重要性。文章還介紹了通信接口類型、常見通信協議及其選擇因素,以及主要的輸入/輸出接口等,并總結了選擇這些外設器件時的關鍵考量。
文章概述
本文介紹了嵌入式系統外設器件的選擇,包括存儲器、時鐘源、定時器、通信接口和輸入/輸出接口等。文章介紹了多種存儲器類型及其選擇考慮因素,多種時鐘源的類型及其選擇考慮因素。強調了定時器精度和計時范圍的重要性。文章還介紹了通信接口類型、常見通信協議及其選擇因素,以及主要的輸入/輸出接口等,并總結了選擇這些外設器件時的關鍵考量。
嵌入式系統除了最重要的為處理器選擇之外,配合的相關外設器件也是嵌入式系統的重要組成部分,包括內存、時鐘(振蕩器)、定時器、通信接口、輸入/輸出、模擬數字轉換等器件,都可視系統的實際需求來進行選擇。本文將為您介紹上述外設器件的類型與選擇的考慮要素。
存儲器的種類眾多且特性不同

在嵌入式系統中,存儲器是一個關鍵的器件,它用于存儲程序代碼、數據,以及系統執行所需的其他信息。除了微控制器在IC封裝中內置的內存和存儲空間之外,也可以增加外部存儲器,且存儲器的類型相當多樣,每種類型的存儲器都有其獨特的用途。
首先,嵌入式系統中常見的閃存是一種非易失性存儲器,這意味著如果系統重置或斷電也不會被擦除,通常用于存儲程序代碼、固件和其他常駐應用數據。它具有快速讀取速度,且相對較低的功耗。閃存有不同類型,包括NOR和NAND,具有不同的讀寫特性和應用場景。
另一種常見的存儲器則是隨機存取存儲器(RAM),RAM是一種易失性存儲器,用于臨時存儲程序執行所需的數據。它具有快速的讀寫速度,但系統重置或斷電后會失去存儲的數據。在嵌入式系統中,常見的RAM類型包括SRAM(靜態隨機存取存儲器)和DRAM(動態隨機存取存儲器)。
EEPROM(電可擦除可編程只讀存儲器)則是一種可擦除并且不易失去數據的存儲器,這意味著如果系統重置或斷電也不會被擦除,通常用于存儲配置信息、校正數據和其他需要保留的非易失性數據。
另外,有些系統還可外接存儲卡和嵌入式多媒體卡,包括SD卡、MicroSD卡等外部存儲設備,它們通常用于擴展嵌入式系統的存儲容量。
由于不同類型的存儲器有不同的價格,因此成本是一個重要的考慮因素。此外存儲器的讀取和寫入速度影響系統的性能,特別是對于需要高效率的應用,便必須選擇速度較快的存儲器。
系統所需的存儲器容量也應符合應用的需求,進而確保足夠的空間來存放程序代碼、數據和其他必要的信息。此外,不同類型的存儲器有不同的功耗特性,特別是對于移動和電池供電的嵌入式系統,通常需要采用功耗較低的存儲器。
嵌入式系統通常要求耐久性,有些應用需要存儲器具有較長的生命周期,并能夠承受多次寫入和擦除。另一方面,部分嵌入式系統可能需要在單一芯片上集成多種類型的存儲器,這將有助于節省空間和簡化設計,一些應用也可能需要支持外部存儲設備,例如存儲卡,以滿足擴展性需求。
時鐘源可確保同步系統中的各種操作

時鐘源可確保同步系統中的各種操作
在嵌入式系統中使用的微控制器可能包含內部電阻、電容、電路振蕩器(RC振蕩器),或依賴某種類型的外部頻率源來保持時間和周期一致。在嵌入式系統中,時鐘源是一個關鍵的器件,用于同步系統中的各種操作,包括處理器的計算、外部設備的通信等,以下為您介紹各種不同特性的時鐘源。
RC振蕩器(RC oscillator)是一種只用電阻和電容構成的振蕩器,其與溫度相關,頻率信號可能有1-5%的變化,它們確實可以滿足一些較慢頻率定時需求(例如低頻模擬數字轉換)。
晶體振蕩器(Crystal Oscillator)常見于外部振蕩器電路,具有精確度高、穩定性好的特性,晶體振蕩器通常以百萬分之一(PPM)為單位測量其變化,而不是百分比(如RC振蕩器),通常用于需要高精度定時的應用,常搭配微控制器、微處理器和其他需要穩定定時的器件。
陶瓷振蕩器(Ceramic Resonator)的成本較低,但精確度和穩定性可能較晶體振蕩器差,陶瓷諧振器的公差在十分之一范圍內,因此適用于對定時要求不苛刻的應用,以及對成本較為敏感的場合。
MEMS振蕩器(Micro-Electro-Mechanical Systems Oscillator)則具備體積小、耐震動、低功耗的特性,但精度一般較晶體振蕩器差,適用于尺寸有限、低功耗、耐震動的應用,如移動設備和嵌入式傳感器。
振蕩器模塊(Oscillator Module)則整合了振蕩器和相關的電路器件,提供方便的外部時鐘源,可簡化系統設計,常見于一些集成度高的嵌入式系統。
另一種GPS模塊則是通過接收全球定位系統(GPS)信號,來提供高精度的時鐘同步,常用于需要高度精確同步的應用,例如通信系統、科學儀器等。
實時時鐘RTC(Real-Time Clock)則是具有低功耗的特性,能在掉電狀態下保持時間計數,主要用于需要在斷電時保持時間計數的應用。
在選擇嵌入式系統中的時鐘源時,應先考慮時鐘源的精確度和穩定性,此外,成本、功耗、集成度與應用的外部環境條件(如溫度、震動),都會影響時鐘源的選擇。
在嵌入式系統中,定時器則是一種常見的硬件模塊,用于產生準確的時間基線,以執行定時和計數操作。常見的定時器(Timer)用于執行定時操作,例如產生精確的時間延遲、計算時間間隔等,常見于需要時間控制的應用,如通信協議、傳感器讀取等。
計數器(Counter)則用于計數外部事件的發生次數,例如脈沖計數、頻率計數等,常用于需要計算事件發生頻率或計數的場景中使用,如計步器、計量儀表。
在選擇嵌入式系統中的定時器時,應先考慮定時器的精度,不同的計時器具有不同的精度,選擇時應根據應用需求確定精度水平。另外,定時器的計時范圍(定時器和計數器)也應該滿足應用的時間要求。
實現不同硬件之間數據交換的通信接口
在嵌入式系統中,通信接口是實現不同硬件模塊之間數據交換的重要元器件,通??梢苑殖刹⑿型ㄐ藕痛型ㄐ艃煞N類型。并行通信同時發送多位的數據,因此需要數據總線硬件,通常由多條線路組成,在允許更快的數據傳輸的同時,并行通信還使用所連接裝置的更多I/O端口,并且需要復雜的布線配置。串行通信則通過一條電線在配對設備上一次只發送一位數據,設備通信僅使用一個I/O端口,可降低設備總體復雜度和成本。
串行通信可以進一步分為兩個子組,這取決于它們是否使用頻率信號來控制和同步鏈接設備之間的數據通信(稱為同步和異步)。異步串行意味著數據可以在不需要頻率信號的情況下傳輸。同步串行則需要所有設備之間共享頻率信號來控制數據通信。雖然同步串行確實需要跨所有設備的另一個定時信號,但它確實使通信速度更快。
在傳輸模式上,又可分成單工、半雙工和全雙工,單工是從來源到目的的單向數據流,半雙工則允許從配對設備雙向傳輸數據,但在給定時間內只能傳輸一個方向,全雙工則可允許兩個設備可以同時在兩個方向上傳輸和接收數據。

I2C總線協議
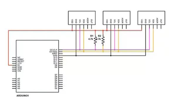
常見的通信協議包括I2C總線協議,這是一種兩線串行連接,旨在允許多個端點與一個或多個控制器進行通信。I2C是一種半雙工協議,允許控制器單元和許多端點發送和接收數據。該協議的速度范圍為0.1至5 Mbit/s(取決于總線配置),常見于連接低速外設,例如溫度傳感器、EEPROM等。

串行外設接口(SPI)協議
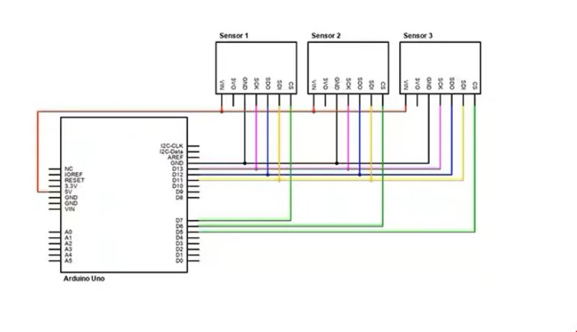
串行外設接口(SPI)則是一種全雙工、同步串行連接,需要3線或4線連接。SPI連接需要在總線上所有參與者共享的同步頻率信號,這樣可以實現更高的數據率。當兩個點彼此靠近時,可以達到高達60 Mbps的速度。SPI的缺點是需要更多I/O引腳和連接,常用于連接具有SPI接口的器件,如內存、傳感器、顯示器等。

通用異步收發器(UART)協議
通用異步收發器(UART)則是雙向異步串行連接,可設定為單工、半雙工或全雙工。數據速度較慢且僅充當一對一通信,有些設備可能有多個UART電路,允許多個設備進行通信,常見于連接嵌入式系統和外部設備,例如傳感器、GPS模塊等。
其他常見的通信協議還包括CAN(Controller Area Network)、Ethernet(以太網)、USB(Universal Serial Bus)、無線通信接口等,在設計時選擇通信接口時,可依據應用所需的數據速率、傳輸距離、功耗、成本、集成度、實時性等,根據具體應用需求來選擇適合的通信接口,例如嵌入式控制系統、傳感器網絡、通信設備等。
嵌入式系統中的輸入/輸出(I/O)接口是用來連接和控制外部設備、傳感器、顯示器等的關鍵器件。常見的I/O接口如GPIO(通用輸入/輸出)具有通用性,可設置為輸入或輸出模式,用于連接各種外部設備,是通用用途的I/O連接接口,如按鈕、LED、開關等。
此外,還需要使用ADC(模擬數字轉換器)來將模擬信號轉換為數字信號,用于傳感器數據的讀取,如溫度、光照等。反之,還有DAC(數字模擬轉換器),用于將數字信號轉換為模擬信號,用于產生模擬輸出,如音頻輸出。

結語
嵌入式系統所需的外設器件相當廣泛,選擇也相當多樣化,可依照具體應用需求來挑選合適的器件。
本文轉載自:DigiKey電子技術臺
免責聲明:本文為轉載文章,轉載此文目的在于傳遞更多信息,版權歸原作者所有。本文所用視頻、圖片、文字如涉及作品版權問題,請聯系小編進行處理。
推薦閱讀:




