【導讀】電動車 (EV) 的發貨量正在迅速增長,預計 21 世紀 20 年代還將加速發展。主要汽車制造商都已經推出了電動車或已制定了推出計劃,它們還積極與伙伴合作,研究最佳的動力電子學方案,從而盡量延長單次充電行駛里程和降低成本。
電動車 (EV) 的發貨量正在迅速增長,預計 21 世紀 20 年代還將加速發展。主要汽車制造商都已經推出了電動車或已制定了推出計劃,它們還積極與伙伴合作,研究最佳的動力電子學方案,從而盡量延長單次充電行駛里程和降低成本。SiC 器件的主要應用如圖 1 所示,預測數據表明,到 2030 年,SiC 的發貨量有望達到 100 億美元。電動車最重要的動力元件是電動車牽引逆變器,我們將在之后的文章中討論。其他重要轉換器有車載充電器和直流轉換器。它們越來越多地涉及雙向功率流,并因快速開關和出色的寄生二極管行為而大大獲益。SiC FET 產品現已符合 AEC-Q101 要求,可滿足這些需求。我們會討論主要拓撲結構,查看使用 SiC 器件的優勢,尤其是在電壓較高 (500-800V) 的電池系統中。

圖 1:UnitedSiC 優勢
車載充電器拓撲結構
車載充電器 (OBC) 位于車內,所以它必須能夠使用功率密度和能效都盡可能高的轉換器拓撲結構,以便減小自身體積和重量。選擇哪種拓撲結構取決于功率范圍,可以是 6.6KW、11KW,也可以是 22KW(電動客車)。在部分情況下,車載充電器可以是雙向的,這意味著電路不僅允許電池從電網獲得電流,電動車還可以充當分布式電源向電網饋電。在這種模式下,電是反向流動的,但是峰值運行功率可能比電池充電額定值低(一半)。
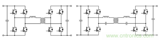
圖 2 顯示的是專為單向功率流設計的車載充電器的兩種配置。電路有兩個主要部分,前端整流器級和直流轉換器級。整流器級對交流主電源電壓進行整流,提供具有統一功率因數的直流軌。之后,直流到直流全橋移相級提供精確控制的輸出,以便為電池組充電。在鋰離子電池充電過程中,電路首先在控制電流模式下運行,然后在功率恒定模式下運行以實現快速充電,最后在電壓恒定模式下運行,直至電池充滿。

圖 2:專為單向功率流設計的車載充電器中的兩種配置
為了盡可能提高整流器級的能效,無橋拓撲結構越來越受歡迎,因為它可以避免二極管整流器橋的導電損耗。圖 2 顯示的圖騰柱 (TPPFC) 電路,可以用于功率電平較低的情況。該電路含快速開關相腳,而其他電路則以線路頻率開關??焖匍_關腳可以在連續導電模式 (CCM) 和臨界導電模式 (CRM) 下運行。在連續導電模式下,開關打開存在困難,最佳選項是使用含有出色低 QRR 寄生二極管的寬帶隙開關。圖 3 比較了器件參數,包括將 UnitedSiC FET 的 QRR 與先進的超結器件進行比較。如果開關頻率超過 20kHz,則必須使用寬帶隙開關,而 UnitedSiC FET 提供的標準柵極驅動將使得插入 UnitedSiC FET 以及從超結器件升級為 UnitedSiC FET 變得十分簡單。

圖 3:器件參數比較,包括 UnitedSiC FET 的 QRR 與先進的超級器件的比較
如果使用臨界導電模式,則峰值電流會變得更高,為感應器帶來額外的約束,并需要導通電阻更低的開關。在沒有硬打開的情況下,可以使用硅基超結 FET,至少在較低的總線電壓下可以。即使在這種情況下,使用 SiC FET 也行得通,因為現在有導通電阻非常低的選件,而與采用類似導通電阻的超結 FET 相比,SiC FET 的價格也越來越有競爭力。此外,利用 1200V SiC FET,該拓撲結構可以擴展到更高的直流軌電壓,從而使用最小的開關次數增加功率輸出。
對于 11-22KW 這樣較高的功率電平而言,3 相有源前端整流器是出色的選件??偩€電壓通常為 600-800V,因而需要使用 1200V 器件。此外,圖 2 中的雙電平 3 相電路需要開關損耗低且 QRR 低的開關,從而使得 SiC FET 取代 IGBT 成為更好的選擇。圖 4 顯示的是 35mohm,1200V,TO247-4L (UF3C120040K4S) UnitedSiC FAST FET 的打開特征和關閉特征。鑒于器件的打開和關閉損耗非常低,這些器件并聯使用,以實現高能效的有源前端整流器。使用 4 腳開爾文封裝時,用戶可以更快地開關,而且損耗更低,柵極波形也更清晰。

圖 4:35mohm,1200V,TO247-4L (UF3C120040K4S) UnitedSiC FAST FET 的打開特征和關閉特征
前端整流器的替代方案是 Vienna 整流器,如圖 5 所示,它允許將 650V 硅基超結器件與 SiC 肖特基二極管聯用,以降低成本。在這個電路中,開關并不會進行硬開關。不過需要的半導體數量更多,且二極管壓降限制了能實現的最佳能效。

圖 5:Vienna 整流器,允許將 650V 硅基超結器件與 SiC 肖特基二極管聯用,以降低成本
直流轉換器
如圖 2 所示,電池充電器和提供 12V/24V 電能的主力直流轉換器都是移相全橋轉換器。在滿負荷下時,該電路采用以零壓開關 (ZVS) 方式打開的 FET,并采用緩沖電容器來盡量降低整個器件的關閉損耗。該電路可以在高頻 (100-300kHz) 下運行,且能效高。SiC FET 的導電損耗和關閉損耗低,且其柵極驅動要求簡單,是理想的選擇。對于可在 0 至 12V 下驅動或由輸出 -12/0/12V 電壓的簡單脈沖變壓器驅動的 UnitedSiC FET,情況也是如此。在輕負荷條件下,可能會發生硬開關,這會導致超結 FET 出現問題,也更容易發生二極管恢復感應故障,且 IGBT 電路容易產生更大的損耗。
圖 6 中顯示的 LLC 拓撲結構是一個非常出色的選擇,尤其是在輸出電壓固定時。這個拓撲結構在輸出固定的直流轉換器級中最為常見,而移相全橋拓撲結構則更適合處理可變輸出電壓。在總線電壓較低時,LLC 電路中會使用超結 FET 與快速二極管。而在電壓較高時,IGBT 功率損耗變得過高,因而更適合選擇 SiC FET。

圖 6:在總線電壓較低時,LLC 電路中使用超結 FET 與快速二極管。在電壓較高時,IGBT 功率損耗會變得過高,因而適合選擇 SiC FET
即使在總線電壓較低的情況下,UnitedSiC 650V SiC FET 也能實現非常低的柵極電荷,非常短的輸出電容充電時間和非常低的寄生二極管導電損耗,可以用于將 LLC 運行頻率從 100kHz 提高到 500kHz。TO247-4L 封裝中的導通電阻現在可以低至 7mohm,650V。對于低輪廓空間約束的應用,可以在行業標準 DFN8x8 封裝中使用 27mohm,650V 器件。
對于雙向直流轉換,圖 7 顯示的是雙有源橋 (DAB) 和 CLLC 電路,其中輸出側采用有源開關。對于電池充電,因為輸出電壓變化范圍廣,所以可以通過變換柵極 PWM 波形從固定的直流總線控制 DAB。如果采用 CLLC 拓撲結構,則為了維持直流轉直流級的運行近共振,必須通過改變有源整流器級(圖騰柱 PFC 或 3 相有源前端)的控制方案來改變總線電壓。在這兩種情況下,都必須在副邊側使用 SiC FET 以便在反模式下有效進行硬開關。這些 FET 可以是 650V 至 1200V FET(用于電池充電),也可以是 100-150V 等級內的較低壓硅 FET(可實現 12V/24V 輸出)。

圖 7:雙有源橋 (DAB) 和 CLLC 電路,其中輸出側采用有源開關
輕松過渡
寬帶隙 SiC FET 支持使用更完善的拓撲結構和更高的頻率來實現大功率密度和能效目標。系統層面的電動車空間增加可以輕易抵消較高的開關成本。UnitedSiC FET 具備與所有類型柵極驅動電壓兼容這個重要優勢,所以可以插入基于硅的設計和 SiC MOSFET 設計中。在全世界設計師越來越多地采用 SiC 器件部署的過程中,這個優勢可以讓他們輕松完成過渡,有時只需對現有的基于硅的設計進行升級即可。
近期發展
下一階段很可能要涉及集成驅動器和 FET 級,例如圖 8 中所示的帶驅動器的 SIP 半橋,它使用 35mohm,1200V 堆疊式共源共柵開關。開關波形表明,此類器件支持非???、非常清晰的開關,可以用作本文中所述的所有電路選項的構建塊。

圖 8:集成驅動器和 FET 級,例如所示的帶驅動器的 SIP 半橋,它使用 35mohm,1200V 堆疊式共源共柵開關
SiC FET 技術迅速發展,正在開發中的 2020 版本開關的性能表征能提高 2 倍。再加上分立封裝改進與基于 SiC 的智能功率模塊的推出,這三項進步會隨著電動車部署的不斷增加進一步提高功率密度。
(來源:中電網)


