【導讀】在與控制器區域網絡 (CAN) 通信總線互連的汽車和工業系統中,使用的控制器數量正在不斷增加。對于設計人員來說,這意味著他們必須考慮寬頻率范圍內的電噪聲環境——從高頻輻射電磁干擾 (EMI) 到共模傳導干擾,以及電機、繼電器等各種負載的連接和斷開及交流發電機 / 發電機的啟停引起的電壓尖峰。
在與控制器區域網絡 (CAN) 通信總線互連的汽車和工業系統中,使用的控制器數量正在不斷增加。對于設計人員來說,這意味著他們必須考慮寬頻率范圍內的電噪聲環境——從高頻輻射電磁干擾 (EMI) 到共模傳導干擾,以及電機、繼電器等各種負載的連接和斷開及交流發電機 / 發電機的啟停引起的電壓尖峰。雖然 CAN 總線適用于惡劣的電氣環境,但如果沒有適當的保護,它們很容易出現各種故障模式。
本文說明了 CAN 故障的潛在原因,并介紹了常見的隔離技術。然后文中介紹了來自 Texas Instruments、RECOM Power、NXP Semiconductors 和 Analog Devices 等供應商的解決方案(設計人員可使用這些解決方案保護 CAN 設備),以及如何有效實施這些解決方案(包括使用評估板)的指導。提供的解決方案包括分立實施方案(即基于單個 CAN 收發器)以及基于單芯片和雙芯片隔離 CAN 總線設計的集成解決方案。
故障的原因和隔離的必要性
CAN 總線故障可能由多種原因引起:子系統之間的接地電勢差;共模能量和輻射能量等一般噪聲源;以及配電總線上的高壓噪聲和尖峰。為確保汽車和工業系統中 CAN 總線互連器件的穩健運行,需要兩種隔離類型:
與電源總線隔離
連接各子系統的通信總線的隔離
與集成解決方案相比,電源和信號路徑單獨隔離的解決方案通常成本更低,效率更高。這些解決方案還使設計人員能夠獨立優化兩條路徑的隔離電平。設計人員可自由選擇最適合具體應用的隔離技術類型。選擇包括磁隔離、光隔離和電容隔離。有關各種隔離選擇的詳細討論不在本文的討論范圍內,但為了更好地了解,請參閱“How to Select the Right Galvanic Isolation Technology for IoT Sensors”。
基本電氣絕緣(使用絕緣材料)與強化絕緣之間也有區別。所需的絕緣水平取決于所涉及的電壓電平,以及是否存在從可接觸部件到地面的連接。基本絕緣提供一級防電擊保護。 電壓大于 60 V DC 或 30 V AC 的系統視為危險系統,需要至少一級保護。系統不一定具有故障保險措施,但任何故障都將限制在系統內。強化或雙重絕緣可提供兩級保護。這樣可以在發生故障時確保用戶的安全。接入市電電壓的系統要求具有強化絕緣。
隔離解決方案之間的設計權衡
CAN 總線系統中的隔離選項包括電源和信號分別隔離的分立解決方案,以及完全集成的電源和信號隔離解決方案。集成解決方案還可包括相關保護功能,如高靜電放電 (ESD) 魯棒性和射頻 (RF) 抗擾度,從而使其可以在汽車和工業應用中使用,而無需額外的保護器件,例如瞬態電壓抑制器二極管。
在這些不同的解決方案選項之間存在尺寸與效率的性能權衡。就解決方案尺寸而言,單芯片解決方案是最小的,典型封裝約為 330 平方毫米 (mm2)。雙芯片解決方案較大,通常約為 875 mm2。由于外部 DC-DC 轉換器和所需支持元器件的尺寸,分立解決方案要大得多,典型尺寸約為 1,600 至 2,000 mm2。
此外,還有效率的權衡,解決方案越大往往效率明顯更高。但是,由于所涉及的功率水平往往相當低(最高 15 毫安 (mA) 下 3 至 5 V),因此熱沖擊在設計中可能并不重要。單芯片和雙芯片解決方案的效率范圍為 50% 至 60%,使用外部 DC-DC 轉換器的分立隔離解決方案的效率可高達 75% 至 80%。
CAN 收發器的分立隔離解決方案
隔離式 CAN 收發器是相對簡單的器件。例如,考慮一下 Texas Instruments 的 ISO1042DWR 隔離式 CAN 收發器,其具有 70 V 總線故障保護和靈活的數據速率(圖 1)。該 ISO1042DWR 器件提供基本或強化隔離選擇。基本 ISO1042 收發器設計用于工業應用。

圖 1:ISO1042 隔離式 CAN 收發器提供基本或強化電隔離選擇。(圖片來源:Texas Instruments)
ISO1042 在 CAN 靈活數據速率 (FD) 模式下支持最高 5 Mbps 的數據速率,數據傳輸速度與傳統 CAN 相比要快得多。該器件使用二氧化硅 (SiO2) 絕緣片,耐壓能力為 5000 Vrms。ISO1042 使設計人員能夠根據個別應用的具體需求選擇最優的總線保護器件。配合隔離式電源使用時,該器件能夠防止數據總線或其它電路中的噪聲電流進入本地接地,以避免干擾或損壞敏感電路。
這些隔離式 CAN 收發器具有多種安全相關的認證(對于任何提供強化和 / 或基本隔離選項的器件而言,這些都是重要的安全標準和認證):
● 符合 DIN VDE V 0884-11:2017-01 的 7071-VPK VIOTM 和 1500-VPK VIORM(強化和基本選項)
● 根據 UL 1577 標準長達 1 分鐘的 5000-VRMS 隔離能力
● IEC 60950-1、IEC 60601-1 和 EN 61010-1 認證
● CQC、TUV 和 CSA 認證
對于考慮 ISO1042 的設計人員,有兩種評估板選擇。Texas Instruments 提供的 ISO1042DWEVM 評估模塊使工程師能夠評估采用 16 引腳寬體 SOIC 封裝(封裝代碼 DW)的高性能、強化隔離型 CAN ISO1042。EVM 是一種雙芯片解決方案,具有足夠的測試點和跳線選項,可以用最少的外部元器件來評估器件。
RECOM Power 面向 ISO1042 提供了 R-REF03-CAN1 評估板。R-REF03-CAN1 評估板展示了由 R1SX-3.305/H 隔離式 DC-DC 轉換器供電的 ISO1042 隔離式 CAN 收發器。要為參考板供電,僅需要一個 3.3 V 外部電源。通過該參考板,設計人員能夠快速開發和分析隔離系統。
Texas Instruments 的 ISO1042 專為工業 CAN 應用而優化,而 NXP 的 TJA1052i 高速 CAN 收發器則專門針對電動汽車 (EV) 和混合動力汽車 (HEV),它們的高低壓部件之間需要電隔離柵(圖 2)。

圖 2:NXP 的 TJA1052i 針對電動和混合動力車輛進行了優化。(圖片來源:NXP Semiconductors)
TJA1052i 設計用于鋰離子 (Li-ion) 電池管理、再生制動和 48 V 至 12 V 電平位移。該器件還可用于皮帶淘汰項目中高壓按需泵和電機的隔離。通過 AEC-Q100 認證的 TJA1052i 實現了 ISO 11898-2:2016 和 SAE J2284-1 至 SAE J2284-5 中定義的 CAN 物理層 (PHY)。提供三種隔離級別:1 千伏 (kV)、2.5 kV 和 5 kV。與 ISO1042 一樣,TJA1052i 也需要一個外部隔離電源。
集成電源和信號隔離解決方案
雖然分立 DC-DC 轉換器實施方案通常比同等集成方案效率更高,但集成解決方案具有以下優點:
電路板面積小
認證更容易
設計簡單
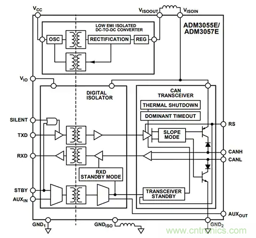
來自 Analog Devices 的 ADM3055E/ADM3057E 是 5 kV rms 和 3 kV rms 隔離式 CAN 收發器,帶有集成隔離式 DC-DC 轉換器(圖 3)。

圖 3:ADM3055E/ADM3057E 隔離式 CAN 收發器集成電源和信號隔離。(圖片來源:Analog Devices)
這些器件采用 5 V 單電源供電,為 CAN 和 CAN FD 提供了完全隔離的解決方案。通過連續調整開關頻率,DC-DC 轉換器高頻開關的輻射性放射被限制在 EN 55022 B 類限值以下。5 kV rms 隔離電壓、10 kV 浪涌測試及 8.3 mm 爬電距離和間隙安全和監管認證(在撰寫本文時待批),確保 ADM3055E 滿足應用的強化隔離要求。ADM3057E 采用 20 引線寬體 SOIC 封裝,具有 3 kV rms 的隔離電壓和 7.8 mm 的爬電距離。
為了支持基于 ADM3055E/ADM3057E 的設計開發工作,Analog Devices 提供了 EVAL-ADM3055EEBZ 評估板。ADM3055E 和 ADM3057E 集成了邏輯側開關鍵控 (OOK) 信號隔離通道和 Analog Devices 的 isoPower DC-DC 轉換器,在采用表面貼裝鐵氧體磁珠的雙層印刷電路 (pc) 板上傳輸時,可提供遠低于 EN55022 B 類限值的穩壓隔離電源。
Texas Instruments 提供了一種不同的 CAN 通信電源和信號隔離方法,該方法基于雙芯片解決方案,使用 ISOW7841、雙通道隔離數據和電源器件,以及 CAN 收發器 TCAN1042H(圖 4)。

圖 4:這種雙芯片解決方案在一個芯片(左)中提供電源和信號隔離,在第二個芯片(右)中提供 CAN 通信。(圖片來源:Texas Instruments)
將變壓器集成在 ISOW7841 芯片內部,不僅在 x 和 y 維度上,而且在 z(高度)維度上也節省了空間。要評估 ISOW7841,可使用 ISOW7841EVM 評估模塊。當使用兩個芯片時,可以將 ISOW7841 器件放在電路板的一側,而將 CAN 器件放在另一側,從而減少電路板的整體空間。
這種雙芯片解決方案的設計不需要任何額外元器件來產生隔離電源,相比使用分立變壓器產生所需隔離電源的解決方案,該隔離解決方案的尺寸不到其四分之一。一個相關的參考設計采用 3 V 至 5.5 V 的單電源輸入,數字信號參考電路板一側的輸入電源電平。然后,ISOW7841 利用集成的 DC-DC 轉換器產生隔離電源,用于為電路板另一側的 CAN 收發器供電。電路板電源側的信號被隔離并連接到 CAN 收發器,后者將單端數字信號轉換為差分 CAN 格式。
總結
為了保護 CAN 總線免受子系統之間的接地電勢差、共模能量和輻射能量等一般噪聲源,以及配電總線上的高壓噪聲和尖峰導致的潛在故障影響,電源和信號隔離必不可少。
如上所述,CAN 總線系統的隔離選擇包括電源和信號單獨隔離的分立解決方案,以及完全集成的電源和信號隔離解決方案,后者還可包括相關保護功能,從而使其可以在汽車和工業應用中使用,而無需額外的保護器件,例如抑制二極管。
免責聲明:本文為轉載文章,轉載此文目的在于傳遞更多信息,版權歸原作者所有。本文所用視頻、圖片、文字如涉及作品版權問題,請電話或者郵箱聯系小編進行侵刪。





