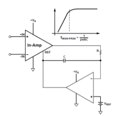
【導讀】在上一博客文章中,我們討論了在存在大得多的直流偏移和低頻干擾的情況下測量小信號時,交流和直流耦合信號鏈之間的權衡。我們還表明,高通濾波器在交流耦合信號鏈中的位置很重要,會影響CMRR、輸入阻抗和前端可應用的增益量等性能指標。實現高通濾波器功能的另一種有趣方法如下圖1所示。積分器電路檢測儀表放大器的輸出,并將基準引腳驅動至所需的任何位置,以保持儀表放大器輸出直流偏置在V。裁判.通過反饋輸出的低通濾波版本并進行反相處理,實現了高通濾波器傳遞函數。
在上一博客文章中,我們討論了在存在大得多的直流偏移和低頻干擾的情況下測量小信號時,交流和直流耦合信號鏈之間的權衡。我們還表明,高通濾波器在交流耦合信號鏈中的位置很重要,會影響CMRR、輸入阻抗和前端可應用的增益量等性能指標。實現高通濾波器功能的另一種有趣方法如下圖1所示。積分器電路檢測儀表放大器的輸出,并將基準引腳驅動至所需的任何位置,以保持儀表放大器輸出直流偏置在V。裁判.通過反饋輸出的低通濾波版本并進行反相處理,實現了高通濾波器傳遞函數。

圖 1 – 使用積分器反饋環路實現的高通濾波器
改進的變體
圖1所示電路的一個不幸結果是,對于大多數傳統儀表放大器架構(2或3 op-amp),失調消除發生在施加增益后,因此增益仍受電源電壓和失調大小的限制,以防止內部節點飽和。圖2顯示了采用間接電流反饋架構的變體,該架構可在增益[1]之前進行失調校正,是AD8233模擬前端設計的核心。這允許在低電源電壓 (100.300-1.7V) 下實現高增益 (3x) 和更高的失調校正(+/-5mV)。通過在AD8233上增加一個增益/低通濾波器級,所有信號調理都可以通過單個低功耗IC (50uA)周圍的外部無源器件完成。AD8233具有基準電壓緩沖器、右腿驅動、導聯脫落檢測、關斷和快速恢復等特性,為電池供電的生物電勢應用提供了完整的解決方案(見下文圖3)。

圖 3 – AD8233,帶 2 個極點高通和低通濾波器以及額外增益
不同過濾器配置的靈活性
由于無源元件放置在AD8233外部,因此有多種配置可用于設置高通和低通截止頻率、每種極點數以及可根據目標應用定制的額外增益。圖4和圖5分別顯示了AD8233在頻域和時域中的不同ECG配置。您可以看到,對于運動帶寬,應用了一個具有高增益的非常窄的帶通濾波器,并產生了失真的信號。這適用于心率監測器,因為 QRS 復合體中的頻率含量更高。對于更寬的監控和診斷帶寬,增益受到限制,以避免帶內干擾源飽和。

圖5 – 三種AD8233 ECG配置的時域信息
也可以為肌電圖或腦電圖實現不同的濾波器/增益配置。圖6顯示了不同類型的EEG信號及其相應的帶寬。值得注意的是,高通濾波器還可以幫助濾除1/F噪聲。專用的AD8233濾波器設計工具可幫助優化帶通濾波器。

圖 6 – EEG 信號類型和帶寬 [2]
快速還原概述
您是否曾經使用過一件健身器材,試圖測量您的心率,然后等待令人沮喪的很長時間才能出現該數字?這可能是由于交流耦合帶來的非常慢的時間常數。對于上電、快速步進或初始電極連接等事件,大電容器需要一些時間充電。快速恢復電路可加快充電速度,可以手動(按需)或自動完成。AD8233通過檢測事件并聯切換較小的片內電阻和較大的外部電阻來自動實現此目的,從而在預定時間內有效降低高通濾波器的時間常數。圖7顯示了使用快速恢復對電極的改進,該電極在三秒鐘后被移除并重新連接。

圖7 – 啟用和未啟用快速恢復的AD8233的ECG建立比較
ADC呢?
正如我們在上個月的博客中所展示的,交流耦合降低了ADC的分辨率要求。如果成本和電路板面積是一個問題,則可以選擇將AD8233直接運行到帶有嵌入式ADC的微控制器。如果電極/通道數和布線很重要,AD4695是一款易于驅動的16通道、16位SAR ADC,可用于多路復用多達32個電極輸入。這是通過在每對電極附近定位一個AD8233并將其單端輸出路由到多路復用ADC來實現的,這比長距離布線多個電極更可取。參見下面圖8中的信號鏈示例。

圖 8 – 高電極數的多通道信號鏈示例
作者:Antonius
免責聲明:本文為轉載文章,轉載此文目的在于傳遞更多信息,版權歸原作者所有。本文所用視頻、圖片、文字如涉及作品版權問題,請聯系小編進行處理。
推薦閱讀:



