- 霍爾元件工作原理
- 霍爾元件供電方案
- 材料性質與霍爾系數乘以電子移動度之積之平方根成正比
- 材料之形狀與厚度之平方根之倒數成正比
霍爾元件之作用原理也就是霍爾效應,所謂霍耳效應如圖1所示,系指將電流I通至一物質,并對與電流成正角之方向施加磁場B時,在電流與磁場兩者之直角方向所產生的電位差V之現象。此電壓是在下列情況下所產生的,有磁場B時,由于弗萊銘(Fleming)左手定則,使洛仁子力(即可使流過物質中之電子或正孔向箭頭符號所示之方向彎曲的力量:(Lorentzforce)發生作用,而將電子或正孔擠向固定輸出端子之一面時所產生。電位差V之大小通常決定于洛仁子力與藉所發生之電位差而將電
子或正孔推回之力(亦即前者之力等于后者之力),而且與電流I乘以磁場B之積成比例。比例常數為決定于物質之霍耳常數除以物質在磁場方向之厚度所得之值。

圖1霍爾組件之原理
在平板半導體介質中,電子移動(有電場)的方向,將因磁力的作用(有磁場),而改變電子行進的方向。若電場與磁場互相垂直時,其傳導的載子(電子或電洞),將集中于平板的上下兩邊,因而形成電位差存在的現象。該電位差即霍爾電壓(霍爾電壓)在實際的霍爾組件中,一般使用物質中之電流載子為電子的N型半導體材料。將一定之輸入施加至霍爾組件時之輸出電壓,利用上述之關系予以分析時,可以獲致下列的結論:
(1)材料性質與霍爾系數乘以電子移動度之積之平方根成正比。
(2)材料之形狀與厚度之平方根之倒數成正比。
由于上述關系,實際的霍爾組件中,可將霍爾系數及電子移動度大的材料加工成薄的十字形予以制成。
圖2系表示3~5端子之霍爾組件的使用方法,在三端子霍爾元件之輸出可以產生輸入端子電壓之大致一半與輸出信號電壓之和的電壓,而在四端子及五端子霍爾組件中,在原理上雖然可以免除輸入端子電壓的影響,但實際上即使在無磁場時,也有起因于組件形狀之不平衡等因素之不平衡電壓存在。

(a)3腳組件(b)4腳組件(c)5腳組件
圖2霍爾組件使用方法
[page]
種類及接法
構造:
無鐵心型
鐵心型
測試用探針霍爾集成電路
接法:
三端子組件
四端子組件
五端子組件
用途
霍爾組件有下列三種用法:
(A)事先使一定電流流過霍爾組件,用以檢出磁場或變換成磁場的其它物理量的方法。
(B)利用組件的電流、磁場及作為其變量的該兩種量的乘法作用的方法。
(C)利用非相反性(即在一定磁場中,使與輸入端子通以電流時所得的輸出同方向的電流流過輸出端子時,在輸入端子會產生與最初的電壓反方向的霍爾電壓的現象)的方法。上述各種使用方法的具體例參照前述磁電變換組件的用途的項所述。在這些具體例中,有不少在組件的靈敏度及溫度特性上,霍爾組件形成1匝(Turn)的線圈有妨礙而難以符合實用。但利用霍爾探針測定磁場因屬于比較簡便的用法,已經定型,另外例如無電刷馬達(霍爾馬達)開關等也逐漸進入實用的階段,磁頭的制造也有人嘗試過。
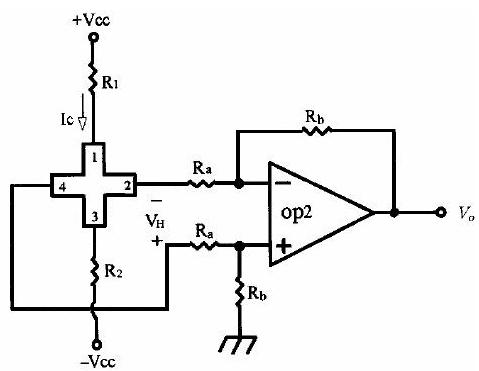
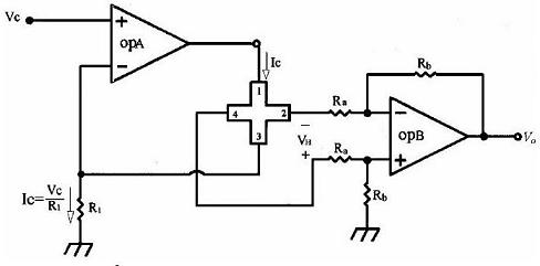
霍爾元件供電

圖3定電壓驅動之一

圖4定電壓驅動之二

圖5定電流驅動之一[page]

圖6定電流驅動之二

圖7霍爾傳感器不平衡調整方法
在一個結晶片中形成有霍爾組件及放大并控制其輸出電壓的電路而具有磁場─電氣變換機能的固態組件稱為霍爾集成電路。
外觀構造
如圖2-19所示,具有與樹脂封閉型晶體管、集成電路等相同的構造,即多半呈現在大小5mm見方、厚3mm以下的角形或長方形板狀組件上附設四根導線的構造。導線系由金屬薄片所形成,各個金屬薄片上均附有半導體結晶片(通常為硅芯片),而在結晶體中利用集成電路技術形成有霍爾組件及信號處理電路。為防止整個組件性能的劣化,通常利用樹脂加以封閉,另外為了使磁場的施加容易起見,其厚度也盡量減薄。

圖8霍爾集成電路的構造
作用原理
磁場強度可利用形成在結晶片的一部份的霍爾組件變換成電氣信號(參照前述霍爾組件的作用原理)。結晶通常使用半導體硅,霍爾組件的磁場靈敏度為10~20mV/K.Oe。此信號經形成在同一結晶中的信號處理電路放大后,作為適合所定目的的信號電壓被取出。通常四根導線中的兩根連接于一方接地的電源,而從剩下的兩根的一根取出正極性的信號電壓,并從另一根取出負極性的信號電壓。霍爾組件的輸入電阻通常需符合信號處理電路的電源,以便可利用定電壓使用霍爾組件。此時組件的輸出電壓不管在N型或P型均無大差異。又因輸出電壓與電子或正孔的移動度成正比,故溫度特性也應該盡量保持一定,這是與單體霍爾組件不同的地方。
種類:
依輸出信號的性質加以分類時如表1所示。如圖9所示,線性型(Lineartype)霍爾集成電路可以獲得與磁場強度成正比的輸出電壓。磁場靈敏度雖然可利用電路的放大度加以調節,但在高靈敏度時,比例范圍會變窄(雖電源5V使靈敏度達到10mV/Oe,但比例范圍在500Oe以下)。

表1依輸出電壓分類時的種類

(a)線性型(b)開關型
圖9霍爾集成電路的輸出特性
[page]
開關型霍爾集成電路可在一定范圍的磁場中獲得ON-OFF的電壓,此開關型對磁場的磁滯(Hysteresis)現象,乃是為使開關動作更為霍爾集成電路線性型確實起見而故意如此設計的。
依照制造方法加以分類時如表2所示,但任何一種制造方法雖然均可獲得同樣的特性,在現階段中,雙極性型霍爾集成電路已開始進入商品化的階段。

表2依制造方法分類時的種類
用途
霍爾集成電路通常使用于前述磁電變換組件的項所述的(A-1)、(A-2)范圍的用途,在這些用途的中,特別像開關那樣,以磁氣為媒介將位置的變化、速度、回轉等的物理量變換為電氣量時,使用起來非常簡單。使用霍爾集成電路的開關系如圖2-21所示,這種開關具有:(1)無震動(Chattering),(2)不生雜音,(3)使用壽命長,可靠度高,(4)響應速度快等特征,已經實際被使用作為高級的鍵盤用開關。

圖10使用霍爾集成電路的開關
圖11是A44E集成霍耳開關,A44E集成霍耳開關由穩壓器A、霍耳電勢發生器(即硅霍耳片)(mT)、差分放大器C、施密特觸發器D和OC門輸出E五個基本部分組成,如圖12(a)所示。(1)、(2)、(3)代表集成霍耳開關的三個引出端點。在輸入端輸入電壓VCC,經穩壓器穩壓后加在霍耳電勢發生器的兩端,根據霍耳效應原理,當霍耳片處在磁場中時,在垂直于磁場的方向通以電流,則與這二者相垂直的方向上將會產生霍耳電勢差HV輸出,該HV信號經放大器放大后送至施密特觸發器整形,使其成為方波輸送到OC門輸出。
當施加的磁場達到工作點(即BOP)時,觸發器輸出高電壓(相對于地電位),使三極管導通,此時OC門輸出端輸出低電壓,通常稱這種狀態為開。當施加的磁場達到釋放點(即BrP)時,觸發器輸出低電壓,三極管截止,使OC門輸出高電壓,這種狀態為關。這樣兩次電壓變換,使霍耳開關完成了一次開關動作。BOP與BrP的差值一定,此差值BH=BOP-BrP稱為磁滯,在此差值內,V0保持不變,因而使開關輸出穩定可靠,這也就是集電成霍耳開關傳感器優良特性之一。

圖11A44E集成開關型霍耳傳感器原理圖

圖12A44E集成開關型霍耳傳感器引腳圖

霍爾轉速傳感器應用電路



