- 變頻器中電路的EMC方案設計
- 電源電路設計中抗干擾措施
- 線路旁路和去耦
- PCB接地
- 走線抗串擾
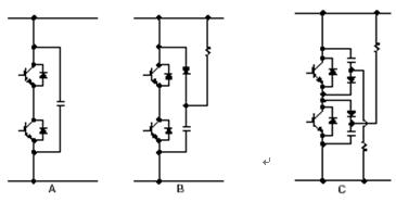
1主回路吸收電路與di/dt抑制電路
整流電路在輸入側要接抗雷擊過電壓或操作過電壓吸收電路,這種吸收電路由星形連接的高頻、高壓電容器(如470p/2Kv)和壓敏電阻(如20k/1Kv)組成,具體電路見圖1中R1、R2、R3和C1、C2、C3。逆變器部分在高頻開關狀態時,產生電壓尖脈沖,如果不加以處理將損壞IGBT模塊、干擾驅動電路。采用吸收電路可以抑制電壓尖脈沖,當前變頻器中常用的吸收電路有三種形式,如圖2所示,根據所用開關器件和功率等級來選擇使用。

圖2IGBT常用吸收電路
2控制及驅動電路的電路板EMC設計

a)縮短高頻走線布局圖 b)數字與模擬電路分開線布局圖
圖3兩種參考布局圖
在整個PCB中,布線過程限定最高、技巧最細、工作量最大,布線不當會產生嚴重的電磁干擾。以變頻器控制電路為例,布線中應遵循如下基本原則:電路板盡量采用四層板;印制導線的布設應盡可能短,拐彎成圓角;印制導線寬度最小不宜小于0.2mm,間距一般可取0.3mm,公共地線應盡可能的粗;布線順序應遵循先布高頻線(如PWM信號線)、干擾線(如晶振走線),后布普通線;數字區與模擬區盡可能隔離,并且數字地與模擬地要分離;多層線路板的電源和地線是由不蝕刻的銅箔板形成,這種大的接地平面形成了極低的電源阻抗。因此多層板的優點在于對公共耦合阻抗不太敏感,且提供了屏蔽。下圖4給出四層板布線示意圖。

圖4四層板布線實例
[page]
旁路和去耦
旁路和去耦可防止能量從一個電路傳到另一個電路,近而提高配電系統的質量。通過合理布置去耦電容可以為器件提供局部化的DC電源,減少跨板浪涌電流以及進入到電路板的高頻能量。通過增加旁路電容產生AC通路來消除無意義能量進入敏感部分,另外還可以提供帶寬受限濾波。

圖5去耦電容模型及安裝圖
上圖5a)給出了去耦電容的實際等效電路,b)給出了正確安裝方法(右圖)和錯誤安裝方法(左圖)的對照。可以得知,去耦電容引線盡可能短才能減小寄生參數、達到很好的去耦效果。
PCB接地
接地是使不希望的噪聲干擾極小化并對電路進行劃分的一個重要方法。適當應用PCB的接地方法及電纜屏蔽將避免許多噪聲問題。設計變頻器時,在設計期間考慮接地是最經濟的,不僅從PCB,而且能從系統的角度防止輻射和進行敏感度防護,具體考慮如下幾方面:
●對PCB系統分區時,使高帶寬的噪聲電路與低頻電路分開;
●設計PCB時,使干擾電流不通過公共的接地回路影響其它電路;
●仔細選擇接地點以使環路電流、接地阻抗及電路的轉移阻抗最??;
●把非常敏感(低噪聲容限)的電路連接到穩定的接地參考源上;
變頻器系統設計中,按照安全地、數字信號地、模擬信號地來考慮。安全地采用黃綠相間標識的銅線或銅排將變頻器內的導電部分連接到接地端子,主要防止故障情況下系統帶電威脅人體安全。信號地是一個低阻抗的路徑,信號電流經此路徑返回其源。對于變頻器系統中所應用的高速數字信號電路,優先采用多點接地(即多個低阻抗路徑并聯),目的在于建立一個統一電位共模參考系統。


圖6單點接地對照圖
C點電位:
V=I3R3+(I2+I3)R2+(I1+I2+I3)R1
可見串聯接地容易引起干擾。對于模擬電路,具有工作與低頻狀態、靈敏度高的特點,采用單點接地(即接地路線與單獨一個參考點相連,圖6給出了正確與錯誤單點接地方式對照)可防止來自其它噪聲元件(如數字邏輯器件、電源、繼電器、電動機)的大接地電流爭用敏感的模擬地線。同時系統采用光耦將數字地與模擬地隔離,抑制地點平擺動帶來的影響;采用鐵氧體墊片來防止寄生電容形成接地環路。在實際設計中應注意采用多點接地時的諧振問題,在每個電源與接地之間的地連接中應使用高質量的去耦電容。
抗串擾
串擾是指走線、導線、電纜束、元件及任意其它易受電磁場干擾的電子元件之間的不希望有的電磁耦合,是由網絡中的電壓和電流產生的。對于控制板上的數據線、地址線、控制線、和I/O都會受到串擾的影響,大多數問題來自時鐘和周期信號。通過增加走線間距離(必須是單一走線寬度的三倍),可使走線間的耦合最小,這一原則主要針對產生影響的高干擾信號。
3電源電路設計中抗干擾措施
當前變頻器電源大多采用開關電源來實現,具有體積小、工作電壓范圍寬、功率密度大、損耗小、帶載能力強的特點。但是采用高頻開關管、二極管、變壓器等帶來的大di/dt干擾問題值得慎重考慮。變頻器系統開關電源輸入側取電的方法目前有兩種:一種是直接從直流母線上??;另一種是采用獨立的220v整流電源提供,兩種方法各有其優點及應用范圍。

圖7直接從直流母線取電開關電源抗干擾設計示意圖
第一種方法的抗干擾設計考慮如圖7所示,圖中的高頻電容C1用來吸收高頻脈沖,二極管D2用來抑制線路寄生電感與電容C1振蕩。

圖8220V獨立供電開關電源抗干擾設計示
第二種方法的抗干擾設計考慮如圖8所示,圖中在交流輸入通道上設計線路濾波器對系統抗干擾具有很好的作用。其中CX為差模濾波電容(又稱X電容)跨接在輸入端之間,對差模電流起旁路作用,容值一般為0.1—1uF.LY為共模電感,用來抑制共模干擾電流。CY為共模電容(又稱Y電容),跨接在線路與機殼之間,對共模電流起旁路作用,但電容值不能過大,否則會超過安全標準中對漏電流的限制要求,一般在10000PF以下。





