中心議題:
- 電阻檢測和電流互感器檢測電路的分析和比較
- 防止電流檢測電路飽和的方法
- 電流互感器的飽和及副邊電流下垂問題
解決方案:
- 電流放大器箝位電路和強制磁芯復位電路
功率開關電路的電路拓撲分為電流模式控制和電壓模式控制。電流模式控制具有動態反應快、補償電路簡化、增益帶寬大、輸出電感小、易于均流等優點,因而取得越來越廣泛的應用。而在電流模式的控制電路中,需要準確、高效地測量電流值,故電流檢測電路的實現就成為一個重要的問題。
本文介紹了電流檢測電路的實現方法,并探討在電流檢測中常遇見的電流互感器飽和、副邊電流下垂的問題,最后用實驗結果分析了升壓電路中電流檢測方法。
電流檢測電路的實現
在電流環的控制電路中,電流放大器通常選擇較大的增益,其好處是可以選擇一個較小的電阻來獲得足夠的檢測電壓,而檢測電阻小損耗也小。
電流檢測電路的實現方法主要有兩類:電阻檢測(resistivesensing)和電流互感器(currentsensetransformer)檢測。
電阻檢測有兩種,如圖1、圖2所示。

圖1 電阻檢測(接地)

圖2 電阻檢測(不接地)
當使用圖1直接檢測開關管的電流時還必須在檢測電阻RS旁并聯一個小RC濾波電路,如圖3所示。因為當開關管斷開時集電極電容放電,在電流檢測電阻上產生瞬態電流尖峰,此尖峰的脈寬和幅值常足以使電流放大器鎖定,從而使PWM電路出錯。

圖3 帶濾波的電阻檢測電路
但是在實際電路設計時,特別在設計大功率、大電流電路時采用電阻檢測的方法并不理想,因為檢測電阻損耗大,達數瓦,甚至十幾瓦;而且很難找到幾百毫歐或幾十毫歐那么小的電阻。
實際上在大功率電路中實用的是電流互感器檢測,如圖4所示。電流互感器檢測在保持良好波形的同時還具有較寬的帶寬,電流互感器還提供了電氣隔離,并且檢測電流小損耗也小,檢測電阻可選用稍大的值,如一二十歐的電阻。電流互感器將整個瞬態電流,包括直流分量耦合到副邊的檢測電阻上進行測量,但同時也要求電流脈沖每次過零時磁芯能正常復位,尤其在平均電流模式控制中,電流互感器檢測更加適用,因為平均電流模式控制中被檢測的脈沖電流在每個開關周期中都回零。

圖4 升壓電路輸入電感電流值檢測
為了使電流互感器完全地磁復位,就需要給磁芯提供大小相等方向相反的伏秒積。在多數控制電路拓撲中,電流過零時占空比接近100%,所以電流過零時磁復位時間在開關周期中只占很小的比例。要在很短的時間內復位磁芯,常需在電流互感器上加一個很大的反向偏壓,所以在設計電流互感器電路時應使用高耐壓的二極管耦合在電流互感器副邊和檢測電阻之間。
[page]
防止電流檢測電路飽和的方法
如果電流互感器的磁芯不能復位,將導致磁芯飽和。電流互感器飽和是一個很嚴重的問題,首先是不能正確測量電流值,從而不能進行有效的電流控制;其次使電流誤差放大器總是“認為”電流值小于設定值,這將使電流誤差放大器過補償,導致電流波形失真。
電流互感器檢測最適合應用在對稱的電路,如推挽電路、全橋電路中。對于單端電路,特別是升壓電路,會產生一些我們必須關注的問題。對于升壓電路,電感電流就是輸入電流,那么在電流連續工作方式時,不管充電還是放電,電感電流總是大于零,即在直流值上疊加一個充放電的波形。因此電流互感器不能用于直接測量升壓電路的輸入電流,因為電感電流不能回零而使直流值“丟失”了;并且電流互感器因不能磁復位而飽和,從而失去過流保護功能,輸出產生過壓等。在降壓電路中也存在同樣的問題,電流互感器不能用于直接測量輸出電流。
解決這個問題的方法是用兩個電流互感器分別測量開關電流和二極管電流,如圖4所示實際的電感電流是這兩個電流的合成,這樣每個電流互感器就有足夠的時間來復位了。但要注意這兩個電流互感器的匝比應一樣,以保持檢測電阻RS上的電流對稱。
功率因數校正電路一般采用升壓電路,用雙互感器檢測,但在線電流過零時,電流互感器也特別容易飽和。因為此時的占空比約為100%,從而容易造成磁芯沒有足夠的時間復位。為此可以在外電路中采取一些措施來防止電流互感器飽和。如采用電流放大器輸出箝位來限制其輸出電壓,并進一步限制占空比小于100%,電路如圖5所示。設定箝位電壓的過程很簡單,在剛起動時電流放大器箝位在一個相對較低的值(大約4V),系統開始工作,但過零誤差很大;一旦系統正常工作后,箝位電壓將升高,電流互感器接近飽和,箝位電壓最多升到6.5V(低電壓大負載時)并且電流的THD在可接受的范圍內(<10%),以限制最大占空比。設定的箝位電壓不能太低,否則將使電流過零畸變大。

圖5 電流放大器的箝位電路
如果需要更好的特性或需要運行在寬范圍,可以用圖6的電路,這個電路將根據線電壓反向調節箝位電壓。

圖6 具有輸入電壓補償的電流放大器箝位電路
每個電流脈沖都使磁芯復位以克服磁芯飽和的方法,除了改進外電路還可以改進電流檢測電路。一般利用電流檢測電路自復位,即利用磁芯中存儲的能量和電流互感器的開路阻抗在短時間內產生足夠的伏秒積來復位。但當占空比大于50%,特別是接近100%時,可能沒有足夠的時間來使磁芯復位,這時除電流放大器輸出箝位外,還可以采用強制復位電路。
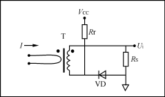
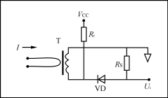
強制磁芯復位的電路很多,如使用附加線圈或中心抽頭的線圈,但最簡單的方法是采用圖7、圖8所示電路來強制磁芯復位。脈沖電流來時強制復位電路和自復位電路的工作沒有差別,當復位時從VCC通過Rr來的電流加入磁芯復位電流,寄生電容快速充電,副邊電壓反向,伏秒積增加,磁芯復位速度加快。如果需要得到負的檢測電壓而又不想用負電壓強制復位時則用圖8所示電路。

圖7 檢測正電壓的強制復位電路

圖8 檢測負電壓的強制復位電路
對于電流檢測電路磁芯復位還要考慮的一個因素是副邊線圈的漏電感和分布電容。為了減小損耗,一般選擇匝比較大的電流互感器,但匝比大,副邊線圈的漏電感和分布電容大。漏電感影響電流上升和下降的時間,分布電容則影響電流互感器的帶寬。并且在磁芯復位時,副邊電感和分布電容諧振,如果分布電容大,則諧振頻率低,周期長,那么在占空比大、磁芯復位時間短時,副邊線圈就沒有足夠的時間來釋放能量使磁芯復位了。所以應盡量不選擇匝比太大的電流互感器。
電流互感器的下垂效應
電流互感器副邊的脈沖電流要減去電流互感器繞組上的脈沖電壓在副邊產生的一個從零開始隨時間線性增長的磁化電流,才等于檢測電阻上的電流,該磁化電流的大小為:
(1)
式中:US——副邊電壓;LS——副邊電感;n——Ns/Np;Δt——電流波脈寬
剛開始時副邊電流是原邊電流的n倍,但隨時間增加,磁化電流加大,副邊電流下降得很厲害,這就是電流互感器的下垂效應。所以為了得到較大的副邊檢測電壓不應完全靠增加檢測電阻Rs的值來實現,也要靠減小副邊下垂效應來增加副邊的脈沖電流,同時Rs的值大也將使磁芯復位困難。
如式(1)所示,副邊電感值越大,下垂效應越小;匝比越小,下垂效應也越小,但最好不要靠減少副邊的匝數來減小匝比,因為這將使副邊的電感減小了,應在空間允許的情況下增加原邊匝數來減小匝比。
實驗結果
在功率因數校正電路中,使用如圖4所示的檢測電路,并采用如上所述防磁芯飽和及減小下垂效應的措施,在電流互感器的變比為1∶50,副邊電感為30mH,取副邊電壓為2V,電流波脈寬為5μs時,得:相對
于十多安培的檢測電流,該電流下降效應并不明顯。
結語
電流檢測在電流控制中起著重要的作用,電流檢測分為電阻檢測和電流互感器檢測。為了減少損耗,常采用電流互感器檢測。在電流互感器檢測電路的設計中,要充分考慮電路拓撲對檢測效果的影響,綜合考慮電流互感器的飽和問題和副邊電流的下垂效應,以選擇合適的磁芯復位電路、匝比和檢測電阻。




