【導讀】本文設計的方案主要對重點部分的電路進行仿真驗證,經過測試證明本次方案的驅動電路滿足CCD功率驅動的要求,證明了方案的合理性。本文詳細闡述了基于KAI-01050 CCD功率電路的驅動方案 。
本方案對部分重點電路進行了仿真驗證,并通過測試驗證了本方案所設計的驅動電路各部分功率驅動電路滿足KAI-01050 CCD的功率驅動要求,在四通道輸出模式下,幀頻可達120 f/s,充分驗證了該方案的合理性。
此CCD功率驅動電路的難點包括40 MHz高速水平轉移和復位時鐘驅動、三電平階梯波形垂直轉移時鐘V1和高壓脈沖電子快門信號驅動設計。利用高速時鐘驅動器ISL55110和鉗位電路實現了高速水平轉移時鐘的驅動;利用兩個高速MOSFET驅動器組合的方案,實現了三電平階梯波形垂直轉移時鐘V1的驅動;利用兩個互補高速三極管輪流開關工作實現了高壓脈沖電子快門信號的驅動。
電荷耦合器件(CCD)是一種光電轉換式圖像傳感器,它將光信號直接轉換成電信號。由于CCD具有集成度高、低功耗、低噪聲、測量精度高、壽命長等諸多優點,因此,在精密測量、非接觸無損檢測、文件掃描與航空遙感等領域中得到了廣泛的應用。CCD的功率驅動是CCD應用的關鍵技術之一,只有驅動脈沖的相位和電壓幅值滿足CCD的要求,CCD才能正常的完成光電轉換功能,輸出滿足應用需求的信號。時序極為嚴格的多路驅動信號是CCD正常工作的條件,由于CCD是容性負載,因此設計具有一定帶負載能力驅動信號成了CCD相機系統設計中的重點和難點。
KAI-01050是KODAK公司生產的一款高速面陣行間轉移CCD,其驅動電路不僅有高達40 MHz的高速水平轉移信號,還有三電平階梯的垂直轉移信號和高壓脈沖的電子快門信號。這些都屬于本文論述的功率驅動電路設計的重點和難點。
本文圍繞CCD KAI-01050進行功率驅動電路設計,對各部分的設計進行原理分析,并對其中部分電路進行仿真驗證,最后通過試驗驗證設計的可行性。
1 KAI-01050面陣CCD
KAI-01050是KODAK公司生產的一款高速面陣行間轉移CCD,1 024(V)×1 024(H)像素,像元大小為5.5μm×5.5μm,其模擬輸出可選擇單通道、雙通道和四通道輸出模式。其水平轉移時鐘最高頻率為40 MHz,此時,單通道輸出幀頻最高可達30 f/s,雙通道輸出幀頻最高可達60 f/s,四通道輸出幀頻最高可達120 f/s.
本文的論述的相機要求相機輸出幀頻為120 f/s,因此要求CCD工作在最高水平轉移時鐘率40 MHz.本CCD的驅動信號電壓幅值要求和等效電容值如表1所示。

(1)垂直轉移時鐘V1為三電平階梯信號;
(2)水平轉移和復位時鐘為40 MHz高速信號;
(3)電子快門信號為的峰值達29~40 V的高壓脈沖信號。
[page]
2功率驅動電路設計
CCD驅動電路原理框圖如圖1所示。

圖1:CCD驅動電路原理框圖
FPGA產生垂直轉移時鐘、水平轉移時鐘、復位時鐘和電子快門信號。由于FPGA產生的是3.3 V幅度的信號,需要經過功率驅動電路,轉換成符合CCD要求的驅動脈沖信號,進而驅動CCD正常工作。本文重點論述其中的功率驅動電路部分。
2.1電壓偏置模塊
功率驅動電路所需電壓如表1所示,根據電壓需求設計的電壓偏置電路原理框圖如圖2所示。

圖2:電壓偏置電路原理框圖
系統采用+12 V電源供電,電壓偏置電路首先使用開關電源芯片(DC/DC)進行一級電壓轉換。又由于DC/DC輸出電壓的紋波和開關噪聲較大,不能直接給電路供電,所以使用LDO芯片進行二次電壓變換,最終獲得穩定、低噪聲的電壓。
2.2水平轉移和復位驅動電路
由以上可知,欲使CCD工作在最高幀頻120 f/s,水平轉移和復位時鐘的頻率需要工作在40 MHz.每個驅動信號功率需求如式(1)所示:

時鐘信號不僅對高低電平電壓有要求,上升沿和下降沿時間也必須要在指定的范圍內。要得到指定的上升時間,就必須提供相應大小的驅動電流。對CCD功率驅動電路的要求是在較大電壓擺幅情況下在快速的變化沿時能夠提供足夠大的瞬態驅動電流。

上面的計算中定義上升或下降沿的時間對應電平幅度的10%~90%.設邊沿變化為線性的,對于水平轉移時鐘,電壓幅度為4 V,負載電容取最大值90 pF,對于40 MHz信號,上升或下降沿的最長時間按5 ns計算,那么在邊沿變化處會產生的電流為57.6 mA;對于復位時鐘,電壓幅度為5 V,負載電容取最大值16 pF,對于40 MHz復位信號,占空比取1∶4,上升或下降沿的時間按3 ns計算,那么在邊沿變化處會產生的電流為21.3 mA.
本文選用InterSIL公司高速驅動器ISL55110和二極管鉗位電路進行復位和水平轉移時鐘的驅動電路。此驅動器最高可提供3.5 A的驅動電流,在100 pF的負載電容下,電壓擺幅為12 V時,上升時間僅為1.4 ns,下降時間僅為1.2 ns.完全滿足水平轉移和復位時鐘的功率驅動要求。
[page]
2.3垂直轉移驅動電路
垂直轉移信號分為兩種:
(1)正常的兩電平階梯波形的V2T,V2B,V3T,V3B,V4T和V4B,高電平為GND,低電平為-9 V;
(2)三電平階梯波形的V1T和V1B,高電平為12 V,中間電平為GND,低電平為-9 V.
第一種驅動比較簡單,利用驅動器和鉗位電路的組合就可實現,本文不在贅述。本節主要介紹第二種電路的驅動。介紹了利用驅動器組合來實現三電平階梯波形驅動,即把三電平階梯脈沖分為上下兩個信號,分別利用兩個驅動器進行驅動,利用其中一個驅動器的輸出控制另一個驅動的高電平電源管腳,從而實現三電平階梯脈沖的驅動。
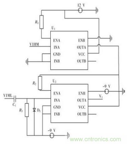
本文也選用驅動器組合的方法來實現,由表1可知,KAI-01050 CCD的三電階梯脈沖驅動的高低電平的差為21 V,如果選用普通的CCD驅動器,很難產生21 V這么大壓差的驅動。
本文選用一款雙通道超快MOSFET驅動器,每通道最高可以輸出峰值為4 A的電流,高容性負載驅動能力,低傳輸延時時間,在負載為1 800 pF時,上升/下降時間小于15 ns,4.5~35 V的寬電壓操作范圍。這些特點滿足KAI-01050三電平階梯脈沖驅動電路對驅動器的需求。其原理圖如圖3所示。
將三電平信號V1分解為V1HM和V1ML信號,分別經過2個IXDD404驅動器U1和U2進行驅動。V1ML經U1驅動后的信號控制U2的電源輸入管腳,從而兩個驅動器的組合產生所需的三電平階梯波形信號。注意U2的GND腳,接了-9 V,此處只是為U2提供0電平基準,并不是必須接GND.U2前端二極管鉗位電路是將邏輯電平輸入調整為U2的輸入范圍。

圖3:三電平階梯脈沖功率驅動原理圖
2.4電子快門驅動電路
KAI-01050 CCD為防止強光溢出提供一種結構可實現溢出保護和曝光時間可調節。溢出保護功能通過加在器件襯底的直流電壓來實現,若足夠大的電壓脈沖(峰值為29~40 V)加到襯底,所有光電二極管內電荷被抽空,隨后開始光積分階段,實現電子快門功能。
KAI-01050的電子快門電壓要求如圖4所示,要求加到襯底上的直流電壓為VSUB,VSUB的典型值為VAB,每個CCD芯片VAB可能不同,標注在CCD的包裝上,為5~15 V之間的值,在電子快門期間襯底上的電壓瞬間變為VES(電壓值為29~40 V),電壓脈沖的最小寬度為1μs.如果采用通常的CCD驅動電路,很難實現這樣高電壓、窄脈沖信號,為此設計采用兩個互補高速三極管輪流開關工作來實現高壓脈沖電子快門信號的驅動。原理如圖5所示電路,此電路中暫設VAB為8 V.

圖4:KAI-01050
首先時序發生單元的時序信號經過電容C1和C2耦合到兩個電阻鉗位端,兩個電阻R1和R2用于把電容耦合過來的信號鉗位到固定的電平。這樣產生的兩個信號就用于控制兩個開關三極管的導通與截止。兩個互補的三極管的集電極接在一起作為開關輸出。當加在Q2基極的控制信號向上擺動時,三極管Q2就會導通,而這時加在Q1基極的信號恰處在高電平期間,因而三極管Q1截止,所以輸出到負載C3的信號為低電平。同理,當加在Q2基極的控制信號為低電平時,三極管Q2截止,而這時加在Q1基極的信號恰以高電平向下擺動,因而三極管Q1導通,所以輸出到負載C3的信號為高電平。
因此,這兩個三極管組成的電路為反相驅動電路。驅動電路輸出經電容C3耦合到D1的鉗位電路,D1的作用是將輸出信號的低電平鉗位到VSUB(本電路中取值為8 V)。經鉗位電路后產生最后的電子快門信號。

圖5:電子快門功率驅動電路
[page] 利用Cadence軟件集成PSpICe工具對圖5所示的電路進行仿真,仿真的輸入波形高脈沖寬度選擇為電子快門要求的最小寬度1μs.為看到仿真波形的細節,輸入波形的周期(為電子快門的周期,在實際使用中為可調周期)選擇較短的20μs.鉗位電壓VSUB取值為8 V,可以取5~15 V之間的任何值,實際中以CCD器件包裝上標注的VAB值為準。CCD電子快門輸入管腳的等效負載電容為400 pF,為驗證此電路驅動能力是否滿足要求,此電路中加如了容值為400 pF的C4模擬CCD的等效電容負載。仿真結果如圖6所示。

圖6:電子快門功率驅動電路仿真波形
圖中下方曲線為輸入波形,上方曲線為輸出波形。
由輸出波形可知,高脈沖寬度與輸入一致,未出現失真,低電平為8 V,高電平為34 V,滿足29 V≤VES≤40 V的要求。
3實驗測試
根據以上原理,設計了KAI-01050的驅動電路,并進行了測試。圖7為水平轉移時鐘的測試波形圖,驅動信號頻率為40 MHz,幅值-4~0 V,上升沿與下降沿時間僅為1.8 ns左右,符合CCD驅動時序要求。

圖7:水平轉移時鐘的測試波形圖

圖8:三電平轉移時鐘和電子快門信號波形
圖8為三電平垂直轉移時鐘和電子快門是驅動信號波形,圖中上面是三電平轉移時鐘信號,低電平為-9 V,中間電平0 V,高電平12 V;下面波形為電子快門信號,常態電平為6.9 V左右,在計數器計數到需要曝光的時序位置時,輸出一個脈沖寬度不小于1μs的29~40 V脈沖(相機設計值為32 V)。這兩個信號其上升沿下降沿時間都很陡峭,滿足驅動時序的要求。相關閱讀:
基于共模扼流圈高速CCD驅動電路的設計
CMOS與CCD圖像傳感器技術性能對比
基于CPLD的線陣CCD驅動電路設計





