【導讀】筆者在尋求理想晶體管的過程中,發現早已存在的一系列電路,如偽理想雙極結式晶體管 (pseudo-ideal BJT) 和電流反饋放大器。前者可實現更簡單的放大器,后者在某些高速應用中可以取代傳統的運算放大器。
一進課堂我就指出,由于晶體管是一種單象限器件,我們首先需要將它偏置在有源區域中的一個合適的工作點。“你愛咋說就咋說吧”,學生們似乎在用無聲的語言應付我。
接著我們必須保持工作點的變化足夠小,以確保小信號近似法有效。同樣,大家的反應仍然是“你愛咋說就咋說吧”。最后,我們必須用電容進行交流耦合和去耦。現在甚至連“你愛咋說就咋說吧”的反應都沒有了。我試圖通過粗略地分析圖1所示的電路來證明上述觀點,但意識到我的努力是多么的無意義,只好無奈地說,今天的課就到這兒吧。
學生們齊刷刷地站起來,翻看著手機里的短信,還沒等我拿到黑板擦并轉過身來說再見,他們就一窩蜂地走了……

圖1:不應該在開春第一天討論的電路。
看著空蕩蕩的教室,我尋思:如果晶體管是四象限器件而不是單象限器件,我的教學和學生的學習將會變得多么容易。目前沒有這樣的器件,但是我們可以用一些晶體管來進行模擬。
偽理想的雙極結型晶體管
雙極結型晶體管(BJT)是一種常開器件,要求基極-發射極電壓下降0.6-0.7V才能抽取足夠的電流。我們喜歡用圖2a所示的npn BJT,一旦將vB提高到0V以上,這種BJT就會抽取明顯的電流。用射極跟隨器Q3的E-B壓降補償Q1的B-E壓降可以滿足這個要求,如圖2b所示。忽略基極電流,可以得到:

圖2:對理想晶體管的逐步探索。
其中Is1和Is3是飽和電流,假設它們相等,VT是熱電壓。
為了確保圍繞vB=0的對稱操作,我們需要用圖2c中的Q2-Q4對補償Q1-Q3對。再次假設飽和電流相匹配,同時忽略基極電流,可以得到公式(1)的對稱表達式:
最后,為了完成對偽理想BJT的探索,我們需要接受差異。

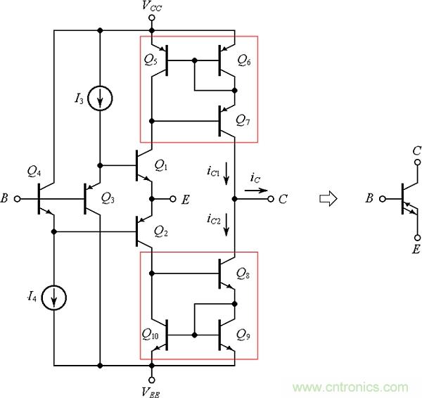
圖3:最后一步,形成四象限晶體管,同時顯示了一種電路符號。
我們通過將兩個電流反射鏡的輸出連接在一起來完成這個任務,圖3的示例是威爾遜電流反射鏡。Q5-Q6-Q7反射鏡復制iC1,并將iC1引入輸出節點,而Q8-Q9-Q10反射鏡復制iC2,然后從輸出節點吸收iC2。在vB=0時,公式(3)的指數相互抵消,使iC=0。當vB>0時,iC1占優勢,導致iC>0,而當vB < 0時,iC2占優勢,導致iC < 0。很明顯,這個電路允許完整的四象限操作。另外,鑒于Q3和Q4射極跟隨器提供的達靈頓功能,該電路具有高輸入阻抗,它同時還因威爾遜反射鏡而具有高輸出阻抗。
這種偽理想BJT其實已經面世很長一段時間了。它曾被稱為飽和電抗器、宏晶體管、鉆石晶體管和電流傳送器II+,也有IC形式的OPA861。圖4表明,如果圖1中的放大器用飽和電抗器實現的話,會是多么簡單。注意,圖1中的放大器提供信號反相功能,而圖3中的放大器是非反相類型。

圖4:用飽和電抗器實現的共發射極放大器。
電流反饋放大器(CFA)
眾所周知,使用負反饋技術可以極大地擴展放大器的應用范圍,基于飽和電抗器的放大器也不例外。由于飽和電抗器具有高輸出阻抗,因此需要使用一個輸出緩沖器來防止被反饋網絡加載。這就形成了圖5的電路,其中由Q11到Q14組成的輸出緩沖器與輸入緩沖器Q1到Q4非常類似。這個電路被稱為電流反饋放大器,它同樣已經面世很長時間了,在某些高速應用中可替代傳統的運放。普通BJT是通過將集電極和基極之間的反饋網絡連接起來配置反饋操作,飽和電抗器的非反相特性則要求反饋網絡連接在(緩沖的)集電極和發射極之間,也就是圖5所示的vO和vN節點之間。
為了研究反饋操作原理,參考圖6a所示簡化后的等效電路,圖中明確地顯示了C節點到地之間的凈阻抗zc(因為很快會變得清晰,所以C節點也被稱為增益節點)。針對第一近似值,zc可以用電阻Rc并聯電容Cc來建模,因此擴展為:
一般來說,Rc在105~106Ω范圍內,Cc在pF范圍內。由于外部網絡造成的任何失衡電流In都將被C節點處的威爾遜反射鏡所復制,從而得到:

圖5:使用輸出緩沖器將飽和電抗器轉換為電流反饋放大器。
接下來看一看圖6b中典型的反饋互連,將電流集中到Vn節點可以得到:
令Vn=Vp=Vi,求解In,然后代入到公式(5)就能得到閉環電壓增益:

圖6(a):簡化的電流反饋放大器等效電路;(b):電流反饋放大器符號和作為同相放大器的負反饋操作的互連電路。

在精心設計的電路中,R2的值大約為103Ω,因此當Rc在105~106Ω范圍內時,我們可以忽略直流時的R2/zc項,并確定在低頻時A傾向于大家熟悉的運放表達式:
與普通運放(也稱為電壓反饋放大器或VFA)相比,電流反饋放大器的優點是快速動態變化。公式(6)表明這個電路的環路增益為:
因此閉環帶寬由|zc|=R2點的頻率給出,這個頻率也稱為交叉頻率fx。只要R2 << Rc,這個頻率就等于fx=1/(2πR2Cc)。當R2近似于103Ω,Cc近似于10–12F時,fx大約是108Hz。請注意,fx取決于R2,與R1無關。與fx反比于噪聲增益1+R2/R1的電壓反饋放大器相比,電流反饋放大器的fx似乎獨立于噪聲增益。電流反饋放大器的另外一個動態優勢是不受擺率限制的影響,因為Cc直接受輸入緩沖器的驅動,而輸入緩沖器實際上可以提供任何電流來實現Cc的快速充放電。
回到電壓反饋放大器(VFA)
不得不承認,我們已經習慣了電壓反饋放大器,在輸入端子間直接出現緩沖器會讓我們很不舒服(這是我第一次碰到電流反饋放大器時的真實感覺)。誠然,電流反饋放大器的快速動態變化非常吸引人……有沒有可能,將電流反饋放大器修改成電壓反饋放大器,并保留原始電流反饋放大器的一些動態優勢?這個問題也在很早以前就解決了,方法是增加第三個電壓緩沖器(見圖7的Q15-Q16-Q17-Q18),將節點vN轉換為高阻輸入,并在第一個緩沖器的輸出端之間增加一個電阻R,這個新的緩沖器可以產生上文提到的iN控制電流。

圖7:由電流反饋放大器派生出來的電壓反饋放大器。
現在來分析這個電路,考慮流經R的電流,假設從左流到右,值為(Vp–Vn)/R。電流反射鏡將這個電流傳送到增益節點C,并在此節點產生電壓zc(Vp–Vn)/R。這個電壓再經緩沖輸出到輸出節點,得到Vo,因此開環電壓增益為:

這里用到了公式(4)。同樣,在一個精心設計的電路中,R << Rc,意味著a有大的直流值。由于其固有的快速電流模式操作,這種運放類型特別適合高速應用。常見的例子是LT1363-70MHz、1000V/µs運放。
總結
在尋求理想晶體管的過程中,我們重新發現了一些早已存在的電路。這提醒我們:當你想要發明什么時,是不是要先想想這樣一句格言,“每一樣可以被發明的東西早就已經發明了”?
本文轉載自電子技術設計。
推薦閱讀:





