- 基于MAX16821的6A降壓型LED驅動器參考設計
- 使用MAX16821 PWM HB LED驅動器實現降壓轉換
- 通過控制平均電感電流恒流驅動LED
- 內部電流環路根據外部電壓環路的輸出控制電感電流
- 外部電壓環路設置內部電流環路,最終控制LED電流
摘要:本文介紹了一個基于MAX16821的6A降壓型LED驅動器參考設計。該電路可驅動一個LED。參考設計包括電路規格、原理圖、電路說明和性能介紹等內容。
概述
本參考設計針對便攜式投影儀的6A降壓型LED驅動器,參考設計基于PWM HB LED驅動器MAX16821,該電路可驅動一個LED;驅動RGB三色LED時需要使用三片MAX16821。
LED驅動器規格
- 輸入電壓范圍(VIN):10V至15V
- 輸出電壓(VLED):4.5V至6V
- 輸出電流(ILED):1.5A至6A,可模擬控制
- 模擬控制電壓:1.1V至2.8V,對應1.5A至6A
- 最大LED導通占空比:50%
- 最大LED電流上升/下降時間:< 1µs
- 最大LED電流紋波:6A時,< 15%
- VIN (J1和J2接VIN+,J3和J4接GND):10V至15V輸入電源。
- 通/斷控制(J8):浮空或連接到+5V,使能驅動器;J8短路時禁止電路板工作。
- PWM輸入(J7):PWM調光輸入,連接一個幅度為3V至5V的PWM信號。為了保證PWM輸入能夠驅動Q1和Q7,信號源在驅動300pF負載時,上升/下降時間應小于500ns。由于輸出信號的上升/下降時間控制在1µs以內,任何周期為1µs的3至4倍的PWM信號都可以使用。
- LED電流控制(J6):LED電流調節輸入。加載1.1V至2.8V電壓,可以在1.5A至5A范圍調整LED電流。
- LED+ (J9、J10):接LED陽極。
- LED- (J11、J12):接LED陰極。
- 電感電流輸出(J5):提供一個與LED電流成比例的信號。OUTV電壓為R9電壓的135倍。

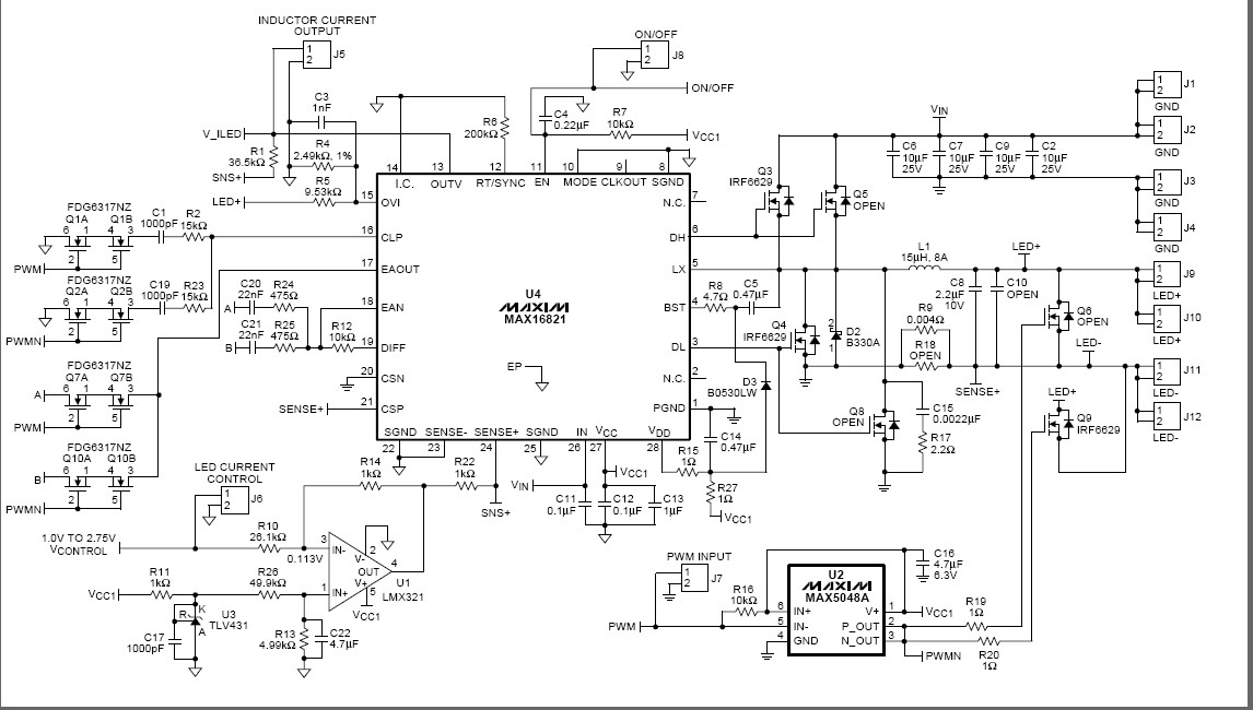
圖1. MAX16821 LED驅動器電路板

圖2. LED驅動器電路板原理圖(下載查看)
電路說明LED驅動器對10V至15V輸入電源電壓進行降壓轉換,恒流驅動一個正向導通電壓為4.5V至6V的LED。使用MAX16821 PWM HB LED驅動器實現降壓轉換。由于平均電感電流等于LED電流,可以通過控制平均電感電流恒流驅動LED,開關頻率通過電阻R6 (200kΩ)設置為300kHz。
電路包含兩個控制環路:內部電流環路根據外部電壓環路的輸出控制電感電流;外部電壓環路設置內部電流環路,最終控制LED電流。外部電壓環路監測OUTV引腳,U1的輸出產生EAOUT信號。EAOUT信號控制內部電流環路,即控制電感電流。
模擬LED電流控制
運算放大器U1接受1.1V至2.8V的模擬輸入,驅動MAX16821的SENSE+輸入引腳,在1.5A至6A范圍內調節LED電流。當LED電流達到6A時,連接到U1的參考電壓和電阻分壓器在U1輸出端產生大約20mV (高于VOL的最差值)的電壓。2.8V的模擬控制輸入產生該輸出電壓。LED電流上升到6A時,R1和R22構成的電阻分壓器將OUTV的電流檢測信號分壓,產生一個很小的電壓疊加在U1輸出端;由R1和R22生成的電壓等于SENSE+輸入端100mV的外環參考電壓。注意,OUTV信號是R9、R18電流檢測信號放大后的電壓,放大倍數為135V/V。隨著模擬控制輸入電壓從2.8V開始下降,U1的輸出電壓從20mV開始線性增大。U1輸出電壓的升高,使SENSE+輸入在較低的LED電流下達到100mV。當模擬控制輸入降至大約1.1V時,U1輸出增加到80mV,LED電流降至1.5A。
PWM調光
在PWM處于關閉狀態時,LED輸出端的MOSFET Q9導通,LED短路。LED電流降至零,具體取決于Q1的導通時間(本設計中遠遠小于1µs)。PWM處于關閉期間始終保持電感電流。PWM開始導通時,Q1關閉,電感電流對輸出電容充電。輸出電壓一旦達到LED的起始導通電壓,LED電流開始上升。LED電流從0A上升到滿幅值的時間取決于幾個因素:電感電流、輸出電容以及LED的正向導通電壓的變化。本參考設計僅在LED電流設定為6A時滿足< 1µs LED開啟時間的要求。如需在降低的電流時得到快速的LED開啟時間,可增大電感值并減小輸出電容。
反饋補償
電阻R2和R23限制高頻電流環路的增益,補償次級諧波振蕩。在電流環路傳輸函數中遠遠低于單位增益頻率的位置設置一個零點,既可以保證在低頻區有足夠的增益,又可以保證電感電流的誤差非常小。利用C1、C19構建該零點。在PWM關閉、導通時,Q1和Q2交替連接到RC網絡,實現補償。本設計可保持C1、C19的電量,使PWM響應更加迅速。
由于直接測量電感電流,驅動電路的傳輸函數中沒有輸出極點。外部電壓環路簡化成一個單極點系統,而電壓誤差放大器在設定頻率范圍內確定這唯一極點。為了避免兩個反饋環路相互干擾,C21和C22將外部環路的單位增益頻率降至電流環路單位增益頻率的十分之一。Q7和Q10保持補償電容的電荷,保證在PWM脈沖變化時,電壓誤差放大器的輸出能即刻切換至所要求的數值。電阻R24、R25可避免Q7和Q10狀態變化產生的電荷注入而導致的C21、C22充/放電。
LED電流上升/下降時間
本設計要求在PWM工作產生6A LED電流時,LED電流的上升/下降時間保持在1µs以內。這就要求使用較小的輸出濾波電容和較大電感,在滿足LED電流最大紋波的要求的前提下滿足上述條件。PWM處于關閉狀態時,Q9導通,建立可編程的電感電流回路。如果LED電流設置為6A,電感電流將由MAX16821調整在6A。輸出再次導通時,電感電流對輸出電容C8充電。C8的充電速率決定了LED電流的上升時間,基于這一點計算C8的取值。因為Q9的放電速度遠快于C8,所以LED電流的下降時間遠遠小于1µs。
電路波形

圖3. 參考設計測試數據:LED電壓(CH1)、LED電流(CH2)和OUTV電壓(CH3)

圖4. 參考設計測試數據:LED電壓(CH1)、LED電流(CH2)和CLP電壓(CH3)

圖5. LED電壓(CH1)和LED電流(CH2)上升時間的測試數據

圖6. LED電壓(CH1)和LED電流(CH2)下降時間的測試數據
測試參數
圖4. 參考設計測試數據:LED電壓(CH1)、LED電流(CH2)和CLP電壓(CH3)

圖5. LED電壓(CH1)和LED電流(CH2)上升時間的測試數據

圖6. LED電壓(CH1)和LED電流(CH2)下降時間的測試數據
溫度測量
- VIN:10V
- IOUT:6A
- TA:25°C
- 電路板溫度:+50°C
- Q3、Q4和Q9溫度:+52°C
- U1表面溫度:+47.5°C
- L1磁芯溫度:+75°C (電流為5.8A時,L1溫度高出環境溫度40°C)
- 在VIN+和GND之間連接0至20V、5A電源(PS1)。
- 在J6 (V_CONTROL)連接0至5V電源(PS2)。
- 將額定值大于6A的LED通過盡可能短的連線連接到LED+和LED-,以降低引線電感。如果需要較長連線,請務必使用雙絞線連接。
- J5、J8保持開路。
- 打開PS2電源,輸出1.1V。
- 逐漸增大PS1電源輸出,達到10V。LED被點亮,工作在1.5A連續電流。
- 將一個幅度為3V至5V、30%占空比的信號連接至PWM引腳。LED電流將由PWM信號控制通、斷。
- 將PS2輸出電壓從1.1V調整到2.8V。在PWM處于導通期間,LED電流從1.5A上升到6A。





