中心議題:
- 體二極管的反向恢復電荷
- 分析MOSFET功耗產生機制
- 優化SR MOSFET以提高效率
解決方案:
- 建立MOSFET功耗模型
- SR MOSFET關斷性能分析
80 PLUS® 計劃的推行,要求將開關電源(SMPS)的系統總體能效提高至90%。隔離式電源轉換器的次級整流產生的嚴重的二極管正向損耗是主要的損耗。因此,只有利用同步整流(SR),才可能達到如此高的能效水平。要實現理想的開關性能,必須充分理解SR MOSFET的功耗產生機制。本文分析了SR MOSFET的關斷過程,并且提出了一個用于計算功耗以優化系統能效的簡單模型。
1. 導言
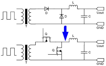
隨便看一個開關電源,你都可以在電源轉換器的二次側發現一個整流級。整流級的任務是對經由變壓器從SMPS的一次側轉移至二次側的方波電源信號進行整流。SMPS通常利用功率二極管來實現整流(請參見圖1)。但是,功率二極管具有0.5 V乃至更高的正向壓降,并且會產生較高輸出電流,因此會造成嚴重的導通損耗,從而大大影響整個電源轉換器的能效。為了最大限度地降低這些整流損耗,可以利用最新功率MOSFET來代替二極管。最新的功率MOSFET能夠大幅降低導通損耗,特別是在輸出電流較高的情況下。在考慮低負載效率時,關注的焦點不是導通損耗,而是開關損耗。因為相比于二極管,MOSFET的開關損耗高得多。對系統能效的其他重要影響來自柵極驅動和旨在遏制關斷過程中的過電壓尖峰的緩沖網絡。這是一個十分復雜的系統,因此,必須深刻理解所有參數相互之間的關系,才能優化系統能效。

圖1. 同步整流與二極管整流之比較
2. SR MOSFET關斷性能分析
為便于理解SR開關的關斷過程,圖2所示為幾個最重要的波形的示意圖。

圖2. SR MOSFET的關斷性能(按不同開關點分段)
分析首先從開關的導通狀態開始:此時,柵極電壓很高,漏源電壓幾乎為零,電流從源極流向漏極。在點1時,柵極被關斷。在UDS波形中,這表現為柵極電容CG放電產生的負電壓驟降很小。此放電會在MOSFET的源極連接處產生具有大的電流變化(di/dt)的電流峰值。在感應作用下,源極的這種電感會引起UDS波形發生壓降。
等式1
[page]
點2時,MOSFET通道關斷,然而,在輸出扼流圈的驅動下,電流不得不繼續流動。這迫使電流轉而流向MOSFET的體二極管,使得開關發生負電壓降UD。在圖2中,這段時間被標記為tD。在點3開啟一次側之后,電流不得不下降。如果一次側MOSFET的開啟速度很快,那么,二次側的環路電感將限制電流換向,從而形成恒定的di/dt。在這個階段(tramp),漏源電壓波形會出現一個MOSFET的源極電感造成的電壓降,并且受負di/dt的影響,漏源電壓現在也轉為正向。當電流穿過零位線(點4)后,電流不再流經體二極管。因此,二極管上的正向壓降也變為零,導致UDS波形再次發生一個值為體二極管正向壓降UD的正向壓降。穿過零位線后,電流以不變的di/dt保持流動。不過,現在電流的方向為負,正在將體二極管的反向恢復電荷Qrr*移走,并對MOSFET的輸出電容Coss充電。在這種情況下,Qrr*僅被視為MOSFET體二極管的反向恢復電荷,而數據手冊中的Qrr則是按照JEDEC標準測得的,因此,除體二極管Qrr*之外,還包含部分MOSFET輸出電荷Qoss(詳細情況請參見第4節)。在對Coss充電的同時,MOSFET的電壓也開始朝著變壓器電壓升高。點5時,達到最高反向電流Irev_peak,也就是說,經過充電現在Coss已經達到變壓器電壓。在理想狀況下,這個系統現在應當處于穩定狀態,但是,系統中仍然存在如下電量:
等式2
現在,這種感應電量將觸發LC振蕩電路,并迫使雜散電感Lstray中存儲的電量被轉移至MOSFET的輸出電容,從而產生關斷時的過電壓尖峰。LC電路的性能取決于變壓器的電感、布局、封裝和MOSFET Coss,如圖3所示。

圖3. 電流倍增器SR中的LC關斷振蕩電路
LC電路的振蕩頻率為
等式3
并且,環路的寄生電阻會抑制振蕩(Coss = MOSFET的輸出電容, Lstray = Lsource + Ldrain + LPCB + Ltransformer)。僅當二次側的環路電感限制了電流換向時,此處討論的波形形狀才有效。這就意味著,限制di/dt的不是一次側MOSFET的開啟速度,而是電源的二次側的雜散電感。
3. 建立MOSFET功耗模型
在設計基于SR的高能效電源時,必須準確地知道SR MOSFET中的功耗源自何處。下面,按照理想的MOSFET開關性能,確定了功耗的所有重要來源。
導通損耗取決于MOSFET的RDS(on),可通過如下公式計算得到:
等式4
這里,IRMS是流經MOSFET的電流,而不是轉換器的輸出電流。
為確保兩個SR MOSFET之間的互鎖,以避免出現直通電流,必須實現一定的死區時間。因此,在開啟一次側之前,必須關斷相應的MOSFET。這將導致電流從MOSFET溝道,轉而流向MOSFET體二極管,而這又會使漏源極電壓發生負電壓降(圖1)。這段時間被稱為體二極管導通時間tD。利用下列參數,即可算出二極管功耗:體二極管的正向壓降UD、從源極流向漏極的體二極管電流ISD、體二極管導通時間tD和電源轉換器開關頻率fsw:
等式5
SR MOSFET的柵極驅動損耗取決于柵極電荷Qg、柵極驅動電壓Ug和開關頻率fsw:
等式6
這些損耗是由MOSFET的柵極電荷造成的,而柵極電荷則消散在柵極晶體管和柵極驅動器中。
[page]
SR MOSFET關斷過程中,輸出電荷Qoss和反向恢復電荷Qrr*也會產生損耗。其計算公式可從SR MOSFET關斷性能的簡化模型(圖4)推導得到。

圖4. SR MOSFET關斷的簡化模型
通過對電流波形的三角形形狀和MOSFET的恒定輸出電容的粗略估算,可以計算出MOSFET關斷過程產生的電量。如果電流換向受到電感的限制(大多數應用都是這樣),則可假定電流波形為三角形形狀。要計算在特定變壓器電壓UT條件下,MOSFET的等效恒定電容Cconst,必須知道時變非線性輸出電容coss(t):
等式7
要計算MOSFET關斷過程中的開關損耗,必須首先確定反向電流峰值Irev_peak:
等式8
根據變壓器電壓和電流變換環路中的電感,可以計算出di/dt:
等式9
現在,可以計算出開關電荷Qsw=Qoss+Qrr*:
等式10
由此推導,可以計算出開關感應電量:
等式11
達到電流峰值tIpeak時,雜散電感中會儲存感應電量,Coss中也會儲存電容電量。因此,可以進行電量比較:
等式12
然后,這些電量將被轉移至MOSFET的輸出電容(圖4),并在此產生過電壓尖峰,繼而,這些電量將被LC振蕩電路的電阻部分消耗(圖1,點6)。于是,可以得出關斷過程中的功耗:
等式13
計算的準確性取決于MOSFET的開關性能。必須確保不會發生諸如動態開啟或雪崩等二次效應。此外,硬開關拓撲可實現最佳結果。任何諧振軟開關拓撲均可能導致偏差。在這種情況下,可以對MOSFET進行優化以獲得較低RDS(on),因為可以回收利用開關過程產生的部分電量。
[page]
4. 體二極管的反向恢復電荷
對于優化能效,MOSFET內部的體二極管具有關鍵作用。在每個開關循環中,在MOSFET被關斷之前,體二極管通常會通電,反向恢復電荷Qrr*也由此積聚起來。在第3節中已經提到,數據手冊中所載Qrr與實際Qrr*有所出入。數據手冊中的值是按di/dt為100 A/μs測得的,二極管被施以最高漏極電流,并且MOSFET關斷前的導通時間長達500 μs左右甚至更長。因此,所測得的值是盡可能最高的Qrr*。此外,JEDEC標準所規定的測定方法不僅包含了Qrr*,而且包含MOSFET的部分輸出電荷,因而得到的總值很高,與實際值不相符。需要強調的是,雖然在實際應用中,di/dt可能高達1000 A/μs,并且di/dt越高,Qrr*也越高。但是,Qrr*主要取決于電流和二極管導通時間。由于在實際應用中,電流僅為最高漏極電流的一半甚或更低,并且二極管導通時間僅為50 ns至150 ns,因此實際Qrr*值比數據手冊中的值低得多。

圖 5. Qrr*與體二極管充電時間的關系
如圖5所示,MOSFET柵極定時對實際有效的Qrr*值有很大的影響。在MOSFET關斷之前,體二極管通電的時間越長,所積聚的反向恢復電荷就越多。這會降低效率,并且導致更高的關斷時過電壓尖峰。以圖5中所示的第2個解決方案為例。在體二極管導通時間僅為20 ns至140 ns的理想狀況下,功耗增加0.5W左右(變壓器電壓= 40 V,開關頻率= 125 kHz),這個功耗會對效率造成顯著影響,特別是在低負載條件下。取決于MOSFET技術和體二極管導通時間,Qrr*的影響往往是次要的,因為通常輸出電容才是主要的影響因素。另外,數據手冊中未提供與應用有關的Qrr值。
5. 優化SR MOSFET以提高效率
要優化SR MOSFET以提高效率,必須在開關損耗與導通損耗之間找到最佳平衡點。在輕負載條件下,RDS(on)導通損耗的影響微乎其微,因為只有少量電流流經MOSFET。在這種情況下,在整個負載范圍內基本保持不變的開關損耗是主要損耗。但是,當輸出電流較高時,導通損耗則成為最主要的損耗,其占總功耗的比例也最高,請參見圖6。

圖6. 不同輸出電流條件下的功耗分布(IPP028N08N3 G;fsw = 125 kHz、UT = 40 V)[page]
在選擇最適當的MOSFET時,必須特別注意RDS(on)值的范圍,如圖7所示。當RDS(on)超出最優值時(更高RDS(on)),總功耗將線性增加。而當RDS(on) 降至低于最優值時,總功耗也會急劇上升。此外,在圖7中可以看出,可實現最低功耗的RDS(on)值范圍相當寬。

圖7. 功耗與RDS(on)值的關系(OptiMOS™3 80 V解決方案;VT = 40 V,fsw = 150 kHz,IMOSFET = 20 A,Vgate = 10 V)
當RDS(on)在1毫歐姆至3毫歐姆范圍內時,總功耗始終大致相同。但是,在1毫歐姆以下,RDS(on)僅下降0.5毫歐姆,便會令總功耗提高一倍,從而嚴重降低電源轉換器的效率。
圖8表明了在實際應用中,不同MOSFET RDS(on) 值范圍的影響。圖中所示為在服務器電源中分別測得的IPP028N08N3 G和IPP057N08N3 G的值。

圖8. 服務器電源中兩個SR MOSFET RDS(on) 值范圍的實測效率比較
在輕負載條件下,RDS(on) 值較高的MOSFET的效率也更高。這個MOSFET具有較低的輸出電容和較低的柵極電荷,因而其開關損耗也更低。另一方面,隨著輸出電流的提高,其效率將逐漸降低,反而RDS(on) 值較低的MOSFET的性能更好。要在整個輸出電流范圍內實現最優效率,必須均衡考慮選擇最優SR MOSFET。
6. 結束語
本文介紹了一個用于分析開關電源轉換器同步整流級的功耗的方法。我們開發了一個簡單的分析模型,以用于計算開關損耗。借助這些工具,開發基于同步整流的開關電源的開發人員,可以更有效地選擇最優拓撲和MOSFET,可以大致計算SR功耗,能加快設計過程,提高系統能效。






