中心議題:
- 可視化智能充電機系統的總體設計方案
解決方案:
- 上位機界面設計及數據庫的建立
- 智能充電機本體設計
針對電動車、電動汽車電池壽命偏低,本文設計了一種可視化智能充電機,它是結合了單片機智能控制技術,VB可視化技術及數據庫技術的一種全新產物。它可以使電池壽命達到最大化。
1 概述
隨著全球綠色能源計劃的推進,電動車、電動汽車有了迅猛發展,這種發展勢頭有持續高升的趨勢。在美國加州,電動車輛占有80%的市場份額,而且這種比例仍將進一步擴大。如此大的銷售量就使得它的價格、壽命非常敏感。而占整機價格20%的鉛酸蓄電池的壽命無疑是我們關注的焦點。業界廣為流傳的一句話就是:電池不是用壞的,是充壞的。原因是隨著電池的使用,電池的特性發生了變化,而充電器的充電方式不能跟隨電池特性而變化,導致電池逐漸被充壞。目前市場上的充電裝置不能有效控制充電過程,容易造成電池欠充、過充甚至被損壞的惡果。電池充滿時,電池會發熱,這時若沒有熱保護電路則會造成過充電,還會因為高溫而造成電池外殼變形。針對此問題筆者設計了一種新型充電器。它分兩部分:智能充電機本體和上位機界面。它可以提供多種充電模式,并可設置充電的一些參數,并可以實時地進行數據采集并存入數據庫,然后分析結果,確定蓄電池的性能狀況、使用狀況和電解液濃度,以便及時對蓄電池進行維護。電動車、電動汽車的電池一般有多個單體電池組成,在上位機上可以設置單體的個數、容量,還可以對某一已編號的電池組的歷史充電曲線進行查詢,所以此系統通用性較強。也就是說此系統可以對不同型號的各類電池進行充電維護。智能充電器是可以脫離上位機獨立工作的,它有一套默認的設置,當沒有收到上位機的命令時它會按照默認設置工作,此時只能對某一種電池組充電。
2 可視化智能充電機系統的總體設計方案
充電器一般放在車庫里,而上位機軟件則需要裝在居室中的PC機上,為實現系統兩部分間的數據傳輸,我們權衡價格和實用性選取長線傳輸: RS - 485通信。它的通信距離可達1. 2 Km,而且價格相對低廉。系統的充電機本體部分我們選用價格低廉的holtek單片機作為主控制芯片,上位機軟件則用VB進行開發,數據庫通過VB提供的數據庫管理工具建立。
3 智能充電機本體設計
充電機本體實際上是一個實時監測和控制系統,結構框圖如圖1所示,它按照接收到的上位機命令完成對蓄電池充電過程的監控,并實時地將檢測到的充電參數返回給上位機,這些參數包括蓄電池端電壓、充電電流和電池溫度等。圖2的主充電路實現充電電流、電壓的控制,是充電機的關鍵環節。圖3的均衡電路解決由于電池制造工藝的不同等原因引起的電量不均衡; 485接口電路實現充電機本體與上位機的通信;電流、電壓、溫度檢測電路實時地檢測充電的電流、電壓和電池溫度。

圖1 充電機結構框圖

圖2 主充電路
[page]

圖3 均衡電路
在主充電路中, 220 V電壓經變壓器降壓后,由整流器整流和大電容C1 平滑濾波,作為直流充電電源。MOSFET、二極管D1、電感L1 和電容C2 構成主充電路。在工作過程中, PWM控制信號的高電平脈沖出現,使MOSFET導通之后,電感L1 的電流不斷增大,電容C2 充電,主充變換器不斷存儲能量,同時通過電感L2 對電池充電,此時,續流二極管因反向偏置而截止。經過PWM高電平脈沖持續時間后, PWM信號變低,MOSFET截止,電感L1 中的電流減小, L1 兩端的感應電動勢使續流二極管導通, L1 中的存儲電流和電容C2 存儲電荷向電池充電。經過PWM信號的低電平持續時間后, PWM信號的又一高電平脈沖到來,再度使MOSFET導通,上述過程循環交替。電感L2 的作用是平滑充電電流.
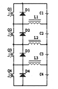
在均衡電路中,以4節電池為例,當對第二節電池均衡時,開啟MOS管Q2,蓄電池C2通過Q2給電感L1、L2充電,然后關斷MOS管Q2,則電感L1中的電流通過二極管D1回饋給蓄電池C1,電感L2中的電流通過二極管D3和D4回饋給蓄電池C3和C4,以達到各個單體均衡的效果。
4 上位機界面設計及數據庫的建立
長期的用戶調研和質量服務告訴我們,上位機界面開發的總體任務是:方便用戶設置和修正充電參數,解決由于鉛酸蓄電池的使用及維護保養不到位造成的蓄電池早期報廢問題。為了使用戶在使用過程中及時發現蓄電池存在的問題,從而及時采取相應的補救措施,為此我們使用VB開發出了上位機軟件,它具有可視化、簡單易學、操作簡便的特點,并具備從充電參數設置、繪制充電曲線、存儲充電曲線、充電過程分析、充電記錄的查詢、刪除、打印到充電報警等全套充電分析功能,系統結構框圖如圖4.

圖4 上位機界面框圖
在參數設置中可以對框圖中所示的條目進行設置,使得該系統具有很強的通用性。電動車電池一般由幾個單體組合而成,可以選擇單體個數以確定電池組的電壓和容量。該系統提供了如框圖所示的三種充電模式,一般新電池前五次充電要進行初充電以充分激活電解質,當單體電量不同時要均衡充電,其余時正常充電。還可以按照需求設置不同充電階段的充電時間,來滿足各種電池的不同需求;實時充電曲線實時地顯示充電電流、電壓和電池溫度;歷史充電曲線可以顯示該電池組充電歷史;通過分析充電過程曲線即可了解電池存在的問題,如:蓄電池缺乏電解液、電解液比重不符合要求或蓄電池單體存在差異等,從而及時的對電池進行保養;該系統還提供了按日期或電池編號查詢、刪除充電記錄的數據庫功能,方便了操作;報警提示用來告知用戶充電的過壓、過流、過熱情況以及充電是否結束。
[page]
4. 1 上位機界面的設計
按照圖4所示的功能框圖設計的VB界面如圖5.

圖5 系統主界面
4. 1. 1 充電曲線的繪制
首先繪制坐標系,包括定位坐標原點、繪制X軸(充電時間值) 、Y軸(充電電流、充電電壓、充電溫度值) 、標注軸上的刻度線以及打印與刻度線對應的刻度值;然后要繪制曲線,由于傳到上位機上的數據是具有相等時間間隔的一些點,而我們要繪制曲線,所以我們用拋物線法進行曲線擬合。具體方法如下:
給定N個點P1 , P2 , ……, PN ,對相鄰三點Pi , Pi + 1 , Pi + 2及Pi + 1 , Pi + 2 , Pi + 3 , i = 1……N - 2,反復用拋物線算法擬合,然后對相鄰拋物線在公共區間Pi + 1到Pi + 2范圍內,用權函數t與1 - t進行調配,使其混合為一條曲線,可表示為:

其中, Si 為Pi , Pi + 1 , Pi + 2三點決定的拋物線曲線, Si + 1為Pi + 1 , Pi + 2 , Pi + 3三點決定的拋物線曲線,混合后的曲線S在Pi + 1到Pi + 2公共段內,是Si 的后半段與Si + 1的前半段加權混合的結果。S 曲線在公共段內的參數方程可寫為:

其中t2 ∈[ 0, 0. 5 ], t1 = t2 + 0. 5∈[ 0. 5, 1 ]。
式中a1x , b1x , c1x , a1y , b1y , c1y為Si 段曲線的系數,由Pi , Pi + 1 , Pi + 2三點控制,參變量為t1 ,在公共段范圍內t1∈[0. 5, 1 ];式中a2x , b2x , c2x , a2y , b2y , c2y為Si + 1段曲線的系數,由Pi + 1 , Pi + 2 , Pi + 3三點控制,參變量為t2 ,在公共段范圍內t2 ∈[0, 0. 5 ]。
顯然,當t1 = 0. 5, t2 = 0時, S = Si;當t1 = 1, t2 = 0. 5時, S = Si + 1。
用這種方法擬合的自由曲線,在P2 到PN - 1各已知點的左、右側能達到一階導數連續,而當曲線兩端沒有一定的端點條件限制時,則曲線各有一段曲線不是加權混合的形式,而只是S1 的前半段和SN - 2的后半段。繪制的電流充電曲線如圖6所示:

圖6 電流充電曲線
[page]
4. 2 數據庫的設計
本系統設計了三個數據庫,用于標準充電曲線存儲、實際充電曲線存儲及分析結果存儲。使用VB6. 0提供的數據庫管理工具"可視化數據管理器"建立。其中實際充電曲線數據表如表1所示,數據庫的建立方便了對電池的查詢、分析,同時也方便了管理。

表1 實際充電曲線數據表
5 結束語
本文率先在行業內提出將數據庫技術、可視化技術及PC機等應用于智能充電機中,從而簡化了充電操作,方便了參數的設置和調整(友好的操作界面) ,擴大了充電機的適用范圍,降低了用戶的使用成本,提升了整個系統的技術先進性。更關鍵的是為用戶對蓄電池關鍵部件的科學管理提供了一個良好的平臺,為有效提高蓄電池使用壽命提供了保障。




