[導讀]安森美半導體在電機驅動器設計、生產及應用方面擁有豐富經驗,提供寬廣范圍的電機驅動及控制方案,本文將介紹電機驅動器/控制器在白家電產品中的典型應用,以及安森美半導體高能效、高可靠性BLDC電機驅動器/控制器方案。
電機又稱馬達,是一種依據電磁感應定律實現電能轉換或傳遞的裝置,主要作用是產生驅動轉矩,作為電器或各種機械的動力源。 按工作電源來分,電機包括交流(AC)電機和直流(DC)電機。其中直流電機又包括采用機械式換向的有刷直流電機和采用電子換向的無刷直流(BLDC)電 機。BLDC電機又分旋轉電機和步進電機,具有顯著的節能、低噪聲和優異變速性能等特性,特別適合于電冰箱、空調及洗衣機等白家電應用。隨著國家各項節能 政策的出臺,家電行業已經開始廣泛導入BLDC電機。要使這些BLDC電機可靠、高效地工作,設計人員需要選擇恰當的電機驅動或控制方案。

圖:BLDC電機
安森美半導體在電機驅動器設計、生產及應用方面擁有豐富經驗,提供寬廣范圍的電機驅動及控制方案。本文將介紹電機驅動器/控制器在白家電產品中的典型應用,以及安森美半導體高能效、高可靠性BLDC電機驅動器/控制器方案。
電機驅動器/控制器在白家電中的應用
據統計,電冰箱中使用的電機數量最多,達到約5個;空調和烘干及洗衣機也都要用到2個電機。電冰箱的直流風扇電機、自動制冰機及阻尼器,烘干及洗衣機的節 氣閥和排水/供水泵等應用通常會使用到單芯片的集成電機驅動器,而空調的直流風扇室外機/室內機、烘干及洗衣機的直流風扇電機會使用到電機控制器。這些電 機驅動器/控制器適合的電壓及電流范圍也各不相同,如圖1所示。

下文將探討這三類重點白家電產品不同細分應用的要求,以及安森美半導體相應的解決方案。
[page]
電冰箱用BLDC電機驅動器
1) 直流風扇電機
對于電冰箱而言,通過風機通風來排熱是重要功能。安森美半導體提供應用于電冰箱通風用BLDC電機驅動的單相及3相電機驅動器,包括單相帶傳感器脈寬調制 (PWM)軟開關電機驅動器LV8861VH、三相無傳感器脈沖幅度調制(PAM)電機驅動器LB11685AV,以及三相無傳感器PWM軟開關電機驅動 器LV8804FV和LV8805SV等。這些器件提供靜音驅動、高能效、變速控制及鎖定保護等關鍵特性。
其中,LV8861VH是最大能耗僅1.3 W的單相風扇電機驅動器。這器件的VCC為7至18 V,輸出電流可達1.2 A。LV8861VH藉安靜的PWM驅動器提供單相全波工作,實現靜音驅動,并提供高能效。這器件可由PWM輸入來控制速度,幫助簡化設計;其它特性包括 產生的熱量低、包含快速啟動電路、鎖定保護及自動恢復電路、可調節限流器、過熱關閉等。

LB11685AV采用無傳感器設計,簡化制造;軟啟動有利于提升啟動時的穩定性;軟開關則有助于提供靜音驅動;鎖定保護特性也可防止受到損壞。
LV8804FV和LV8805SV均是三相BLDC電機無傳感器驅動IC。三相驅動器支持低能耗及低振動工作。無霍爾傳感器驅動器支持減小電機系統的尺寸。這兩顆IC非常適合于像電冰箱風扇及服務器風扇這樣的要求高可靠性及長使用壽命的應用。

2) 自動制冰機
除了通風,自動制冰機也是BLDC電機在電冰箱中的重要應用領域。安森美半導體提供用于自動制冰機BLDC電機驅動的器件包括LB1948M和 LV8548M等,這些器件提供高擊穿電壓、高能效和零待機電流等關鍵特性。LB1948M是2通道、12 V低飽和電壓驅動、正向/反向電機驅動器,采用強固的擊穿設計,在待機模式下的電流消耗為零,在輸出電流IO為400 mA條件下的飽和電壓VO(sat)典型值僅為0.5 V。LV8548M是單通道步進電機驅動器,也可用于2通道H橋直流電機驅動。LV8548M的勵磁模式包括滿步及半步等,提供不同的步幅調節;這器件的 導通阻抗僅為1 Ω,幫助提升能效;待機模式下的電流消耗同樣為零,提供低能耗工作。

3) 阻尼器
阻尼器主要用于起緩沖作用,當作用點運動很慢時,幾乎沒有阻力,而在作用點運動較快時阻力就明顯增大,廣泛用于電冰箱和洗衣機等應用。安森美半導體用于電 冰箱阻尼器的電機驅動器除了上述LB1948M和LV8548M,還包括LB1909M和LV8549M。這些器件提供高擊穿電壓、高能效及低待機電流等 關鍵特性。
其中,LB1909M采用簡化設計的三端口接口,是一款雙通道低飽和電壓步進電機驅動器,工作電源電壓為2.5 V至16 V,待機狀態下的電流消耗為零,內置過熱關閉電路。而LV8549M是一款單通道低飽和電壓步進電機驅動器,導通阻抗僅為1 Ω,幫助提升能效;待機模式下的電流消耗同樣為零,提供低能耗工作。LV8549M的最大電源電壓為20 V,最大輸出電流可達1 A。
[page]
烘干及洗衣機用電機驅動器
烘干及洗衣機阻尼器的關鍵要求跟電冰箱阻尼器相同,可采用的單芯片電機驅動器有如LB1948M、LV8548M、LB1909M和LV8549M等。
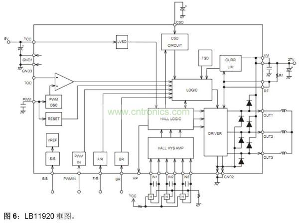
除了阻尼器,烘干及洗衣機的排水/供水泵也會用到直流電機。安森美半導體用于烘干及洗衣機的電機驅動器包括LB11920和LB1975等,具有高 能效和變速控制等關鍵特性。其中,LB11920是一款三相BLDC電機驅動器,采用直接的PWM驅動,易于控制,PWM占空比可由IC的輸入控制。 LB11920支持9.5 V至30 V的寬供電電壓范圍。這器件內置高邊及低邊反沖吸收二極管,提供反沖保護。其它特性包括短路制動、限流、低壓保護、電機鎖定保護及過熱保護等。

LB1975也是一款三相BLDC電機驅動器,能夠承受46 V電壓和2.5 A輸出電流,除了可用于烘干及洗衣機的排水/供水泵電機驅動,還可用于其直流風扇風機驅動。
空調室內機/室外機用直流風扇電機控制器
常見的房間空調包括室內機及室外機等不同組成部分,均會使用到直流風扇。安森美半導體為空調室內機/室外機直流風扇提供的電機控制器結合了保護電路和混合 集成電路(HIC),具有高能效及靜音驅動等關鍵特性。這些器件包括LC08000M、LV8139JA和LV8136V等。
其中,LC08000M是安森美半導體正在開發的一款三相BLDC風扇電機控制信號處理器。這器件采用磁場定向控制(FOC)技術,具有超高能效。 這器件采用帶霍爾傳感器的FOC工作,能夠以FOC進行閉環速度控制,具有靜音驅動、寬工作條件下高能效驅動、FOC無須軟件開發、易于調配等關鍵特性, 還集成了多種保護功能,如過流保護、鎖定保護及自動恢復、反轉保護、霍爾傳感器故障檢測、外部故障信號輸入、低壓保護、溫度異常檢測及異常狀態輸出等。

LV8136V是一款三相BLDC電機用PWM系統預驅動IC。這器件使用高能效、安靜的PWM驅動(150°驅動系統),能夠降低驅動噪聲。這器 件可與安森美半導體STK611或STK5C4系列的HIC結合使用,并提供了與這系列HIC互補的保護電路,能夠減少元器件數量及提供高可靠性。這器件 還提供省電模式,可將待機模式下的能耗降至零。LV8139JA則提供180°PWM靜音驅動。




