【導讀】無線技術日漸盛行,但目前都是單向充電。近日爆出日本一大學研發出雙向無線充電技術,用于純電動汽車(EV)的雙向無線供電系統。
日本埼玉大學試制出了用于純電動汽車(EV)的雙向無線供電系統。該系統除了能通過充電器為EV供電之外,還能從EV反向供電,用于EV和家庭之間進行電力調度的V2H(Vehicle to Home)以及V2G(Vehicle to Grid)等用途。

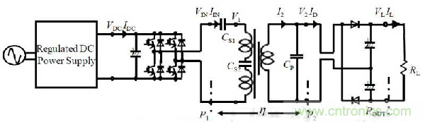
開發該系統的是埼玉大學工學院教授阿部茂等人組成的研究小組。阿部等人以前在為EV非接觸充電用途開發采用方形線圈的供電裝置,目標是采用供電側(一次側)線圈的電容器串聯、受電側(二次側)線圈的電容器并聯的“一次串聯二次并聯電容器方式”(串聯-并聯方式,SP方式)。SP方式的特點是,如果選擇線圈匝數比作為耦合系數的倒數,就能使一次側和二次側的電壓相等。利用這一特點,可通過進一步改進電路構成,來實現雙向供電。一般來說,如果為實現逆向供電而在二次側設置逆變器的話,并聯電容器就會出現問題。阿部等人的研究小組通過為二次側電路追加電抗器,并對一次側線圈的串聯電容器的電容值進行微調,解決了這一問題,從而實現了雙向供電。

非接觸供電系統
部等人的研究小組曾在2012年3月底于廣島舉行的電氣學會日本全國大會上介紹過雙向非接觸供電系統的試制結果。但在當時,一次側和二次側之間的距離只有70mm。而此次試制的系統已通過實驗證明,即使一次側和二次側的間距延長至160mm左右,也就是原來的約2倍,效率也不會明顯降低。阿部教授表示,“我們認為160mm是接近實用的距離”。據介紹,一次側和二次側線圈之間的供電效率方面,單向約為93%,反向也可達到約93%。另外,此次實驗時的功率為3kW,采用的頻率為50kHz。阿部等人預定在2013年2月舉行的電氣學會相關研究會上介紹此次實驗結果的詳情。
埼玉大學的阿部等人開發的系統采用方形線圈,與圓形線圈相比,對充電時橫向位置偏移的容許量較大,因此備受汽車廠商等的關注。從事EV用供電系統業務的HaloIPT公司等也在開發方形線圈。據介紹,阿部等人從2007年前后就開始發表方形線圈方面的研究論文,還申請了相關專利。他們今后打算與企業合作,共同將采用方形線圈和SP方式的供電系統推向實用化。





