【導讀】便攜式電源系統在很多領域都有應用,但是應用在醫學史上非常稀少。本文的電源系統設計方案適用于便攜式的醫療設備,不僅能夠提高系統效率,同時也能夠降低成本和內部溫度。
在醫師辦公室或醫院內外診斷健康問題的便攜式醫療設備迅速增多。在將病人送往醫院之前,便攜式醫療保健設備可幫助醫療專業人士監控生命體征、恢復心臟跳動、利用超聲檢查體內狀況。便攜式醫療的目標是提供易于使用、可互操作并具有診斷價值的家庭醫療保健設備,以便將相關費用納入醫療保險范圍。這樣就避免了醫院出診,降低了醫療成本。病人在家也可以使用便攜式醫療設備來監控血壓、肺活量、血糖水平,以及記錄心臟事件。許多此類便攜式醫療設備都帶有USB或無線數據連接,允許醫療專業人員在醫院和在家不間斷地監控病人狀況。同時,Continua Alliance正在制定基于USB、Zigbee和藍牙標準的互通協議,這將加速上述通信接口的采用。對于采用電池供電的便攜式醫療設備,提高計算能力、減小尺寸和延長運行時間的要求使得電源系統設計極具挑戰性。電源系統對電池大小、運行時間、待機時間、物料(BOM)成本和可靠性均有影響。
便攜式醫療系統所涵蓋的應用極其廣泛,包括血壓監控、血糖儀、脈搏血氧儀和超聲應用等。一些應用要求硬件長時間工作,而另一些應用則要求較短的工作時間和較長的待機時間。雖然終端應用千差萬別,但大多數便攜式系統都可以簡化為一系列核心功能:傳感器采集數據,微處理器(帶專用軟件)分析數據,存儲器存儲軟件和數據,以及數據連接用于訪問結果。圖1顯示了一個帶鍵盤和顯示器的典型手持式便攜系統。當連接市電時,便攜式系統必須能夠發揮最大處理能力,同時不會產生過多熱量;當保持便攜狀態時,電池使用時間必須最大化。電池最長使用時間,即便攜式設備在需要充電或更換電池前所能工作的時間,取決于電源系統因素,如電池容量、電源系統效率和電源管理軟件。只有充分利用所有這些因素降低電池消耗,才能使電池壽命達到最長。大多數高性能便攜式系統采用3.6V標稱輸出的鋰離子充電電池供電。
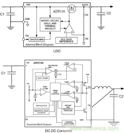
便攜式系統包含多個集成電路,各集成電路都有自己的優化半導體工藝和工作電壓要求。便攜式應用的IC采用比電池更低的工作電壓,因此需要使用降壓調節器。當今最常用的調節器是低壓差(LDO)和降壓型開關調節器,如圖2所示。LDO由基準電壓源、誤差放大器、分壓器和傳輸管(pass transistor)組成。低壓差調節器只需使用兩個外部電容就能用較高直流電壓產生較低直流電壓,十分簡便。不過,當Vin遠高于Vout時,LDO效率低下,這是因為未輸送到負載的功率會以熱量形式損失。LDO效率約為(Vo/Vin)×100%。LDO無法儲存大量未使用的能量,因此未輸送到負載的功率以熱量形式在LDO內部耗散。例如,連接到3.6V電池的2.6V LDO的效率為72%。此外,當要求LDO最大程度地省電時,必須檢查其靜態電流和使能功能。當系統處于正常工作模式與休眠模式之間的空閑模式時,低靜態電流(Iq)可以減少系統的功耗,從而提高系統的自主性。使能輸入引腳允許LDO關斷,使休眠模式下的功耗不到1 μA,從而延長電池使用時間。例如,ADP150就是一款出色的低靜態電流LDO。

圖1. 通用手持便攜式系統
當電源電壓比工作電壓高得多時,開關DC/DC轉換器是更好的選擇,它能夠實現更高的效率,因為在將一個直流電壓轉換為另一個直流電壓時,它能夠將能量臨時儲存在電感的磁場中,然后釋放給負載。便攜式開關調節器以500 kHz到3 MHz的頻率工作。DC/DC開關轉換器有多種拓撲結構。內置開關元件的同步降壓型調節器用于輸出電壓遠低于輸入電壓的場合,在便攜式系統中最為常用。用降壓調節器替換LDO可以提高系統效率。例如,當利用LDO將系統電壓從3.6 V降至1.2 V,為負載電流為300 mA的微處理器內核供電時,LDO效率約為1.2V/3.6V × 100% = 33%,67%的輸入功率以熱量形式損失。為了提高效率并降低工作溫度,應當用ADP2108等降壓轉換器取代LDO。降壓轉換器能將能量儲存在電感的磁場中,因而效率更高。使用ADIsimPower?可知,在相同條件下ADP2108的效率為80%,比LDO提高47%。設計工程師會發現,ADP2108尺寸較小,僅使用兩個去耦電容和一個1 μH芯片電感,幾乎可以直接取代LDO。選擇降壓轉換器時需要考慮的其它省電特性包括:低靜態電流、使能功能以及負載電流較小情況下的省電模式。

圖2. LDO和降壓轉換器的功能框圖
為使電池使用時間達到最長,除了優化便攜式系統硬件效率以外,還必須優化電源管理軟件。運行復雜的專用軟件對計算能力提出了更高要求,需要使用高耗電量的高速微處理器。降低處理器速度可以降低功耗,延長電池運行時間,但軟件性能會下降。系統架構師可以通過選擇最適合應用的處理器速度來提高系統效率。便攜式系統的另一種省電方法是關斷不用的子系統,如微處理器、顯示器背光、數據端口和處于測量間隙的傳感器,使用調節器的使能輸入或ADP190/ADP195等負載開關來隔離電池,如圖1所示。
設計便攜式電源系統時,并不存在萬用的解決方案。延長電池使用時間的方法有許多種,某種方法可能優于其它方法。本文所述的技術同時適用于便攜式和市電供電的醫療設備,能夠提高系統效率,降低內部溫度和運行成本。
相關閱讀:
電源管理技術的8大“熱門”
透析移動電源管理芯片的三大模塊
通信系統設計:基于CAN 總線的電動汽車電源管理設計






