【導讀】當電源設計人員想要大致了解電源的反饋環路時,他們會利用環路增益和相位波特圖。知道環路響應可進行預測有助于縮小反饋環路補償元件的選擇范圍。
簡介
當電源設計人員想要大致了解電源的反饋環路時,他們會利用環路增益和相位波特圖。知道環路響應可進行預測有助于縮小反饋環路補償元件的選擇范圍。生成增益和相位圖的精準方法是:在試驗臺上連接電源,并使用網絡分析儀;但在設計的早期階段,大部分設計人員會選擇采用計算機模擬,通過模擬快速確定大致的元件選擇范圍,并且,更直觀地了解環路對參數變化的響應。
本文主要研究適用于電流模式控制電源的反饋控制模型。電流模式控制在開關模式DC-DC轉換器和控制器中相當常見,相比電壓模式控制,它具有多項優勢:更出色的線路噪聲抑制、自動過流保護、更易于進行并聯操作,以及得到改善的動態響應。
設計人員已經可以采用大量電流模式電源平均模型。有些模型的精準度達到開關頻率的一半,可以匹配不斷增高的轉換器帶寬,但只適用于有限的拓撲,例如降壓、升壓,以及降壓-升壓拓撲(非4開關降壓-升壓)。遺憾的是,適用于SEPIC和?uk等拓撲的3端口或4端口平均模型的精準度還達不到開關頻率的一半。
本文將介紹LTspice?模擬模型,其精準度達到開關頻率(甚至是相對較高的頻率)的一半,適合多種拓撲,包括:
降壓
升壓
降壓-升壓
SEPIC
?uk
正激式
反激式
本文展示分段線性系統(SIMPLIS)結果模擬,以確定新模型的有效性,并舉例說明模型的具體應用。在一些示例中,使用測試結果來驗證模型。
電流模式控制模型:簡要概述
在這部分,我們將重申關于電流模式控制模型的一些要點。為了更全面地了解電流模式模型,請參閱文末“參考資料”部分中提到的刊物。
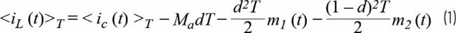
電流環路的作用在于:讓電感電流循著控制信號的路線行進。在電流環路中,平均電感電流信息被反饋給具有檢測增益的調制器。調制器增益Fm可通過幾何計算得出,前提是,假設恒定電感電流斜坡上升,外部補償電流也斜坡上升。為了模擬電感電流斜坡上升變化的影響,我們在模型中額外增加了兩個增益:前饋增益(kf)和反饋增益(kr),如圖1所示。

圖1.電流模式控制的平均模型,繪圖:R. D. Middlebrook
為了將圖1所示的平均模型的有效性擴展到高頻范圍,研究人員基于離散時間分析和樣本數據分析的結果,提出了幾種經過改進的平均模型。在R. B. Ridley的模型(參見圖2)中,采樣保持效應可以用He(s)函數等效表示,它可以插入連續平均模型的電感電流反饋路徑中。由于該模型是從離散時間模型演化而來,所以能夠準確預測次諧波振蕩。

圖2.經過改進的電流模式控制的平均模型,繪圖:R. B. Ridley
另一種經過改進的平均模型由F. D. Tan和R. D. Middlebrook提出。為了考慮電流環路中的采樣效應,必須在源自低頻模型的電流環路增益上再增加一個極點,如圖3所示。

圖3.經過改進的電流模式控制的平均模型,繪圖:F. D. Tan
除了R. B. Ridley的模型外,R. W. Erickson提出的電流控制模型也很受歡迎。電感電流波形如圖4所示。

圖4.穩態電感電流波形,包含外部補償斜坡上升
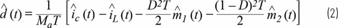
平均電感電流表示為:
![]()
其中iL表示檢測到的電流,ic表示誤差放大器發出的電流命令,Ma表示外加補償斜坡,m1和m2分別表示輸出電感電流的上升和下降斜坡。擾動和線性化結果:

根據此公式和規范開關模型,可以得出電流模式轉換器模型。
一個經過改進的新平均模型
R. W. Erickson的模型可以幫助電源設計人員從物理角度深入了解,但其精準度還不到開關頻率的一半。為了將該模型的有效性擴展到高頻范圍,我們基于離散時間分析和樣本數據分析的結果,提出了一種經過改進的平均模型(參見圖5)。

圖5.提出的經過改進的電流模式控制平均模型
根據電感動態采樣數據模型,可以得出:

其中,T為開關周期,

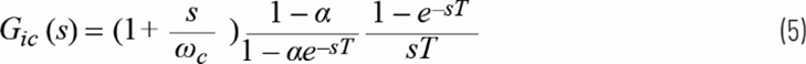
可以得出圖5所示的模型的Gic(s):

其中ωc是內部電流環路Ti的穿越頻率,如圖5所示,關于各種拓撲的值ωc,請參見表1。
表1.不同拓撲的內部電流環路交叉頻率(ωc)

*對于兩個單獨的電感,L=L1×L2/(L1+L2)
**NSP是次級與初級的匝數比
降壓轉換器示例
在圖5中,我們將Fv反饋環路與iL反饋環路并聯。我們也可以將Fv反饋環路作為iL反饋環路的內部環路。圖6顯示了包含附加的Gic(s)級的完整降壓轉換器模型。

圖6.經過改進的降壓轉換器平均模型的框圖
控制至輸出傳遞函數Gvc (s)為

電流環路增益Ti (s)和電壓環路增益Tv (s)可以通過以下公式計算得出:

和

其中:

在圖7中,基于新電流模式模型計算得出的環路增益與SIMPLIS結果一致。在這個示例中,VIN = 12 V,VOUT = 6 V,IOUT = 3 A,L = 10 μH,COUT = 100 μF,fSW = 500 kHz。

圖7.MathCAD結果與SIMPLIS結果(fSW = 500 kHz)的對比
采用LTspice的4端口模型
基于圖5所示的經過改進的平均模型構建了一個4端口模型。在閉環操作中,這個4端口模型可以使用標準的電路分析程序(例如免費的LTspice)來分析PWM拓撲,以確定DC和小信號特征。
圖8顯示了使用LTspice對各種拓撲實施模擬的模擬原理圖,對每種拓撲都使用相同的模型。圖中未顯示反饋電阻分壓器、誤差放大器和補償元件。要對真實的DC-DC轉換器模型使用此模型,應將誤差放大器的輸出連接至VC引腳。

圖8.使用LTspice模型來模擬多種拓撲:(a)降壓,(b)升壓,(c) SEPIC,(d) ?uk和(e)反激式。
關于圖8所示的各種LTspice行為電壓源指令,請參見表2。E1表示開關開啟時加在電感上的電壓,E2表示開關關閉時加在電感上的電壓,V3表示斜坡補償幅度,Ei表示電感電流。
表2.圖8所示的電路的LTspice行為電壓源指令

圖9顯示了采用2個獨立電感的SEPIC轉換器的模擬結果,該結果與一半開關頻率時的SIMPLIS結果匹配。在這個示例中:VIN = 20 V,VOUT = 12 V,IOUT = 3 A,L = 4.7 μH,COUT = 120 μF,C1 = 10 μF,fSW = 300 kHz。

圖9.SEPIC轉換器的LTspice模擬結果和SIMPLIS模擬結果(fSW = 300 kHz)對比

圖10.LT3580 LTspice模型

圖11.波特圖(fSW = 2 MHz)

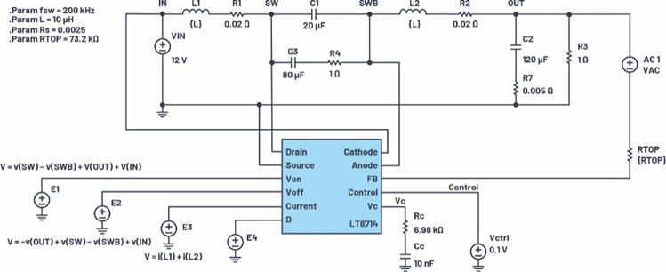
圖12.使用LT8714的4象限控制器LTspice模型
新模型的測試驗證
圖11所示的新LTspice模型針對以前傳統模型不支持的拓撲進行了測試驗證,包括?uk、4象限和4開關降壓-升壓拓撲。
在測試臺上驗證?uk控制器模型
LT3580是一款包含內部2 A、42 V開關的PWM DC-DC轉換器。LT3580可以配置為升壓、SEPIC或?uk轉換器,其AC模型適用于所有這些拓撲。圖10顯示了一個?uk轉換器,其中,fSW = 2 MHz,VOUT = –5 V。圖11比較LTspice模擬波特圖和實際測試結果,在一半開關頻率范圍內,它們非常一致。
在測試臺上驗證4象限控制器模型
LT8714是一款專為4象限輸出轉換器設計的同步PWM DC-DC控制器。輸出電壓通過吸電流和灌電流輸出功能,不受干擾地轉換通過0V。配置用于新的4象限拓撲時,LT8714非常適合用于調節正、負或0V輸出。應用包括:4象限電源、高功率雙向電流源、有源負載,以及高功率、低頻信號放大。
基于CONTROL引腳電壓,輸出電壓可能為正,也可能為負。在圖12所示的示例中,當引腳電壓為0.1 V時,輸出電壓為–5 V,當引腳電壓為1 V時,輸出電壓為5 V,VIN為12 V,開關頻率為200 kHz。
圖13比較通過LTspice模擬得出的波特圖和實際測試得出的圖——在開關頻率的一半范圍內,它們的結果非常一致。控制電壓(CONTROL)為1 V,這使得VOUT (OUT)為5 V。

圖13.波特圖(fSW = 200 kHz)

圖14.波特圖(fSW = 200 kHz)

圖15.LT8390 LTspice模型
圖14比較通過LTspice模擬得出的波特圖和實際測試得出的結果——在開關頻率的一半范圍內,它們的結果非常一致。控制電壓(CONTROL)為0.1 V,這使得VOUT (OUT)為-5 V。
在測試臺上驗證4開關降壓-升壓模型
LT8390是一款同步4開關降壓-升壓DC-DC控制器,可根據高于、低于或等于輸出電壓的輸入電壓調節輸出電壓(和輸入或輸出電流)。專有的峰值-降壓/峰值-升壓電流模式控制方案支持可調節的固定頻率運行方式。
LT8390 LTspice AC模型通過監測輸入和輸出電壓,自動從四種運行模式中選擇一種:降壓、峰值-降壓、峰值-升壓和升壓。圖15顯示LT8390示例電路。圖16和圖17分別顯示降壓和升壓模式的LTspice模擬結果和實際測試結果。在開關頻率的一半范圍內,兩條曲線非常一致。

圖16.波特圖(fSW = 150 kHz)。VIN = 20 V,VOUT = 12 V,IOUT = 5 A

圖17.波特圖(fSW = 150 kHz)。VIN = 8 V,VOUT = 12 V,IOUT = 5 A
總結
通過建立這個電流模式控制模型,既可以提供樣本數據模型的準確性,也可以提供4端口開關模型的簡潔性和通用性。本文展示一個統一的LTspice模型,在一半開關頻率內,該模型保持準確,適用于降壓、升壓、降壓-升壓、SEPIC、?uk、反激式和正激式拓撲。將LTspice模擬結果與實際測試結果比對,以進行驗證。在連續導通模式下設計電流模式轉換器時,此模型適用于分析環路。
(來源:亞德諾半導體,作者:Wei Gu,電源產品應用總監)
免責聲明:本文為轉載文章,轉載此文目的在于傳遞更多信息,版權歸原作者所有。本文所用視頻、圖片、文字如涉及作品版權問題,請電話或者郵箱editor@52solution.com聯系小編進行侵刪。
推薦閱讀:



