【導讀】電動汽車構成了未來實現可持續交通部門的有前途技術的主要部分。AC/DC 轉換器是擴展和改進 EV 功能的骨干組件。本文概述了 AC/DC 轉換器、充電站類型、傳統兩電平 (2L) AC/DC 轉換器面臨的問題以及使用多電平轉換器 (MLC) 的重要性。
電動汽車構成了未來實現可持續交通部門的有前途技術的主要部分。AC/DC 轉換器是擴展和改進 EV 功能的骨干組件。本文概述了 AC/DC 轉換器、充電站類型、傳統兩電平 (2L) AC/DC 轉換器面臨的問題以及使用多電平轉換器 (MLC) 的重要性。

AC/DC 充電器示意圖(:IES Synergy)
AC/DC轉換器的意義
插座主要提供交流電,而 EV 電池使用直流電為電池充電。因此,需要一種用于將交流電轉換為直流電的交流/直流轉換器。它也是 EV 電池充電器的主要組件,并充當用于功率因數校正和諧波減少的輸入電流整形器。

此 AC/DC 轉換器電路的原理圖(:Multisim)
上面的電路圖說明了一個簡單的 AC/DC 轉換器:這里使用四個通用整流二極管來對 AC 輸入進行整流。變壓器的功能是將 230-VAC 電源降壓至 13 VAC,電路布置為全橋,因為它由四個二極管組成。整流器將對交流信號的正峰值和負峰值進行整流。在橋式變換器之后加一個濾波電容來平滑輸出電壓。此外,齊納穩壓器連接在輸出前的反向偏壓中以調節輸出電壓。
充電站的種類
由于充電電池是電動汽車運行的動力,因此了解充電站的一些參數非常重要。電源效率、緊湊型架構和快速充電等大多數基本參數將決定目標充電站的整體生產力。
電動汽車充電站分為、二級和三級。
I 級構成較小電池尺寸的部分。Level I 的充電時長約為 8 至 10 小時;但是,這可能會因電池的能量容量而異。它僅使用交流充電,并且有一個車載充電器,因為充電組件位于 EV 內部。
Level II 的充電時間約為 Level I 充電時間的一半。此外,三級快速充電站使用外部充電器(非車載)提供高壓。它能夠在短短 20 到 30 分鐘內為電動汽車充電,而或二級充電站可以在四到八小時內為車輛充電。
啟用快速充電站的要求
快充的功率范圍在50千瓦以上,按照行業標準算高了。因此需要更大的 AC/DC 轉換器來為快速充電提供額外的電力。因此,大功率充電在充電站內置 AC/DC 轉換器的情況下進行,而不是由于尺寸限制而安裝在車輛內。
汽車工程師協會 (SAE) 標準定義的快速充電站的另一項要求是“配電網和電池組之間的電流隔離”。有兩種架構可用于實現這一點,一種是在輸入側使用低頻變壓器,另一種是通過隔離式 DC/DC 轉換器在直流級中實施高頻變壓器。
傳統的 AC/DC 轉換器及其缺點
通常使用傳統的 AC/DC 轉換器,例如 2L 電壓源轉換器 (VSC)。使用這些轉換器的缺點是它們具有有限的額定功率和高諧波污染。為了避免這些缺點,使用了混合濾波器,但這些濾波器也增加了系統的成本。這些轉換器也有不希望有的高開關頻率。在大功率應用中,開關會承受大量電壓和電流,并且受到半導體器件現有技術的限制。
MLC 的重要性
為了克服這些挫折,2L AC/DC 轉換器應該被 MLC 取代。MLC 已被證明具有許多優點,例如低諧波、低電壓應力和高功率能力。MLC用于減少開關元件并由單相T型變換器產生多電平輸出。
不同數量的 MLC 電平可實現更平滑的輸出波形,從而減少諧波和輸出濾波器尺寸。MLC 的主要類型是中性點鉗位 (NPC)、級聯 H 橋 (CHB) 和快速電容器 (FC)。其中,的 CHB 能夠在各個 H 橋電池上使用不同的直流電壓,從而將功率轉換分為高壓/低頻和低壓/高頻逆變器。

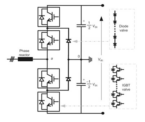
三級 NPC VSC 的一個階段(:ScienceDirect)
上圖表示三電平 NPC 逆變器的一相。它們是 MLC 系列,其特點是使用鉗位二極管來保證電源開關之間的適當電壓共享。NPC 逆變器的每條支路都有四個可以控制的晶體管,總共提供 24 = 16 種可能狀態,但其中只有三種狀態是可行的,因為其他狀態會在直流鏈路上造成短路。
電動汽車充電的未來
從內燃機到電動汽車的轉變是一個長期過程。許多石油公司已經通過建立充電站或推廣旨在維護電動汽車的產品,在電動汽車網絡中占有一席之地。未來的預期工作期待在 FC 中使用 MLC,以從這些轉換器的各種優勢中受益,同時為電動汽車提供高功率和超快速充電系統。為了幫助電動汽車普及,政府和電動汽車充電公司必須確保快速充電基礎設施的可用性。如果沒有高效的充電基礎設施,電動汽車的普及可能是一個緩慢的過程。
免責聲明:本文為轉載文章,轉載此文目的在于傳遞更多信息,版權歸原作者所有。本文所用視頻、圖片、文字如涉及作品版權問題,請聯系小編進行處理。
推薦閱讀:




