【導讀】電信行業在現代社會中發揮著重要作用,是全球即時通信的重要基礎。無論是對于電話、短信還是網絡命令,電信設備都能確保連接可靠。電信設備的正常運行離不開電源的支持,但這一關鍵因素卻常常被人們忽視。
電信行業在現代社會中發揮著重要作用,是全球即時通信的重要基礎。無論是對于電話、短信還是網絡命令,電信設備都能確保連接可靠。電信設備的正常運行離不開電源的支持,但這一關鍵因素卻常常被人們忽視。
本文重點介紹 Analog Devices 的 MAX15258,其設計為在單相或雙相升壓/反相降壓-升壓配置中支持多達兩個 MOSFET 驅動器和四個外部 MOSFET。兩個器件可以組合起來實現三相或四相運行,從而提升輸出功率和效率。
滿足更高功率需求
受技術進步、網絡流量激增和電信基礎設施擴建等因素的推動,電信行業對電力的需求持續增長。從第三代 (3G) 到第四代 (4G) 和第五代 (5G) 網絡的演進,催生了先進的大功率設備。
5G 技術的部署對基站和信號塔的功率需求產生了重大影響?;荆绕涫浅鞘械貐^的基站,需要更高的功率水平,以支持大規模 MIMO(多輸入多輸出)配置和波束賦形所需的更多天線和無線電單元。
冗余是另一個關鍵因素。電源必須考慮冗余設計,通常包括電池或發電機等備用電源,以確保在停電時維持不間斷運行。
與前幾代無線網絡相比,5G 移動技術的部署給電源設備的要求帶來了一些變化。要讓 5G 兌現其可靠、高速和低延遲通信的承諾,必須滿足一些條件。
功率放大器要求
· 支持廣泛的頻段,包括 sub-6 GHz 和毫米波 (mmWave) 頻率,這對信號傳播提出了獨特的挑戰。
· 適應更寬的信號帶寬和更高的功率水平,并提供線性放大以防止高數據速率信號失真。
· 高效運行,最大限度地降低功耗和發熱,尤其對于電池供電設備和偏遠地區的小型蜂窩基站。
· 重量輕且外形緊湊,可安裝在小型機柜中,如小型蜂窩基站和用戶設備中。
· 采用先進的材料和技術,如由氮化鎵 (GaN) 和碳化硅 (SiC) 制成的半導體器件,以提高功率密度、性能和工作頻率。
電源轉換要求
由于歷史、實用性和技術方面的原因,電信系統通常使用 -48 VDC 電源。電信網絡需要可靠的備用電源,以應對電網故障或其他緊急情況。鉛酸蓄電池是常用的備用電源,也可工作于 -48 VDC。主電源和備用電源使用相同的電壓,使得設計和維護備用系統更容易。此外,較低的電壓(如 -48 VDC)對從事電信設備工作的人員更安全,可降低觸電和受傷的風險。
電信設備的電源必須滿足特定的運行要求,以確保可靠性和效率。以下是一些重要規格:
· 輸入電壓范圍:電源應能承受較寬的輸入電壓范圍。
· 電壓調節:電源必須根據電信設備的要求提供穩定的調節輸出電壓。
· 高效率:電源必須具備高效率,以減少功率損耗和能耗。通常要求至少 90% 的效率水平。
· 冗余:為確保不間斷運行,電源通常具備冗余功能,如 N+1,即使用額外的電源。如果一個電源發生故障,另一個電源可以立即接管并承擔供電任務。
· 可熱插拔:在任務關鍵型設施中,電源應支持熱插拔,確保在更換或維護期間盡量減少停機時間。
· 高可靠性:電源應配備保護機制,以避免在過流、過壓和短路等不利工作條件下造成損壞。
有源箝位正激轉換器
有源箝位正激轉換器 (ACFC) 是電源系統中常見的 DC/DC 轉換器配置,主要用于將 -48 VDC 轉換為正電壓。ACFC 是一種電壓轉換電路,集成了正激轉換器和有源箝位電路的特性以提高效率。這項技術廣泛應用于電信和數據中心設備的電源系統中。
ACFC 的核心元件是變壓器(圖 1)。變壓器的主繞組接收輸入電壓,從而在次級繞組中產生感應電壓。變壓器的輸出電壓由其匝數比決定。
有源箝位電路包含輔助半導體開關和電容器,用于調節和控制變壓器漏感內包含的能量。當初級開關斷開時,漏感中儲存的能量會被重定向到箝位電容器,從而防止出現電壓尖峰。這種做法可減輕初級開關的壓力,提高運行效率。變壓器次級繞組的電壓由二極管整流,輸出電壓由輸出濾波電容器來平滑。最后,ACFC 采用軟切換,因此開關轉換更平滑,產生的噪聲更小。這就減少了電磁干擾 (EMI),降低了開關損耗。
圖 1:ACFC 拓撲。(來源:Analog Devices)
ACFC 電路可減少電壓尖峰和元器件承受的壓力,從而提高效率,尤其是在高輸入輸出電壓比的情況下。此外,它還能處理寬輸入電壓范圍,因此適合輸入電壓不穩定的電信和數據中心應用。
有源箝位電路具有如下缺點:
· 如果不為占空比限定一個最大值,占空比的增加可能會使變壓器飽和,或者給主開關帶來更大的電壓應力,因此必須準確選用大小合適的箝位電容器。
· ACFC 是一種單級 DC-DC 轉換器。隨著功率水平提高,電信等高能耗應用采用多相設計的優勢更加明顯。
· 有源箝位正激設計無法擴展到更高輸出功率并保持相似的性能。
克服 ACFC 局限性
Analog Devices 的 MAX15258 是一款帶 I2C 數字接口的高壓多相升壓控制器,專為電信和工業應用而設計。該器件的輸入電壓范圍非常寬,升壓配置下為 8 V 至 76 V,反相降壓/升壓配置下為 -8 V 至 -76 V。輸出電壓范圍從 3.3 V 到 60 V,可滿足包括電信設備在內的各種應用的要求。
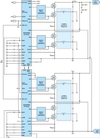
這款多功能 IC 的典型應用是圖 2 所示 5G 宏蜂窩或家庭基站的電源。熱插拔特性由負電壓熱插拔控制器(如 ADI 的 ADM1073)來保證,該控制器由 -48 VDC 供電。同樣的電壓還為 MAX15258 降壓/升壓轉換器供電,此轉換器可提供高達 800 W 的輸出功率。
圖 2:5G 應用的電源級框圖。(來源:Analog Devices)
MAX15258 設計為在升壓/反相降壓-升壓單相或雙相配置中支持多達兩個 MOSFET 驅動器和四個外部 MOSFET。其還可以將兩個器件組合起來,實現三相或四相運行。當配置為反相降壓-升壓轉換器時,其內部高壓 FB 電平轉換器可以通過差分方式檢測輸出電壓。借助專用基準輸入引腳或 I2C 數字接口,可以動態設置輸出電壓。
可以使用外部電阻器來調節內部振蕩器,也可以將穩壓器與外部時鐘同步,以保持恒定的開關頻率。支持 120 kHz 至 1 MHz 的開關頻率。該控制器還具有過流、輸出過壓、輸入欠壓和熱關斷保護功能。
OVP 引腳上的電阻器用來指定控制器相位數。此信息用于確定控制器如何響應主相位的多相時鐘信號。在四相轉換器中,MAX15258 控制器或目標的兩個相位交錯 180°,而控制器與目標之間的相移為 90°(圖 3)。
圖 3:四相配置 - 控制器和目標波形。(來源:Analog Devices)
在多相操作中,MAX15258 監控低壓側 MOSFET 電流以實現主動相電流平衡。作為反饋,電流不平衡被應用于逐周期電流檢測電路,以幫助調節負載電流。這樣做可以確保兩相之間的電流公平分配。與正激轉換器設計不同,使用該 IC 時,設計人員無需在設計計算階段考慮可能存在的 15% 至 20% 的相位不平衡。
在三相或四相操作中,平均每芯片電流通過專用差分連接在控制器和目標之間傳輸。電流模式控制器和目標器件調節各自的電流,使所有相位均等地分擔負載電流。
圖 4 所示的四相交錯反相降壓-升壓電源適合需要大功率的應用。CSIO+ 和 CSIO- 信號連接兩個控制器,并且 SYNC 引腳也相連以保證時鐘同步,實現相位協調的相位交錯方案。
圖 4:四相反相降壓-升壓 -48 VIN 至 +48 VOUT 800 W 電源。(來源:Analog Devices)
MAX15258 是一款低頻升壓轉換器,因此能夠減少開關損耗——這是轉換器功率損耗的主要來源。每個轉換器都在低損耗區域內以低頻工作,結果是以總計等效的高頻率提供高輸出功率。因此,它是轉換 -48 VDC 的理想器件。
該器件以穩定的占空比運行,能夠以非常高的效率提供高輸出功率。圖 5 顯示了基于耦合電感器的 MAX15258 800 W 參考設計在不同 VIN 和 VOUT 組合下的效率曲線。由于減少了傳導損耗,圖中清楚地顯示效率超過 98%。
圖 5:MAX15258 CL 800 W 參考設計的效率與輸出負載電流的關系。(來源:Analog Devices)
總結
電源在電信行業中發揮著重要作用。有源箝位正激轉換器 (ACFC) 能夠實現高效率并大幅降低功率損耗,因此在電信電源設計中備受青睞。然而,其固有的局限性可能會妨礙它們在特定情況下的效能。為了克服有源箝位正激轉換器的局限性,新一代電源技術應運而生,它們提供更高的效率、更大的功率密度和簡化的控制機制。在電信行業,這些新穎的解決方案為實現更先進、更優化的電源鋪平了道路。
免責聲明:本文為轉載文章,轉載此文目的在于傳遞更多信息,版權歸原作者所有。本文所用視頻、圖片、文字如涉及作品版權問題,請聯系小編進行處理。
推薦閱讀:
如何設計尺寸更小、更經濟實用的 1080p 和 4K 超高清移動投影儀
貿澤電子隆重推出多款Skyworks Solutions, Inc.新品
徹底解決大眾焦慮的隱私與安全隱患?知名大廠入局這種生物識別技術





