【導讀】隨著數據中心耗電量急劇增加,行業更迫切地需要能夠高效轉換電力的功率半導體。這種需求的增長一方面是為了降低運營成本,另一方面是為了減少溫室氣體排放,以實現凈零排放的目標。此外,業界也在不斷追求成本更低、尺寸更小的電源系統。
![如今所有東西都存儲在云端,但云究竟在哪里? 答案是數據中心。我們對圖片、視頻和其他內容的無盡需求,正推動著數據中心行業蓬勃發展。 國際能源署 (IEA) 指出,[ https://datacentremagazine.com/data-centres/ai-boom-will-cause-data-centre-electricity-demand-to-double ]人工智能 (AI) 行業的迅猛發展正導致數據中心電力需求激增。預計在 2022 年到 2025 年的三年間,數據中心的耗電量將翻一番以上。 這不僅增加了運營成本,還給早已不堪重負的老舊電力基礎設施帶來了巨大的壓力,亟需大規模的投資升級。 隨著數據中心耗電量急劇增加,行業更迫切地需要能夠高效轉換電力的功率半導體。這種需求的增長一方面是為了降低運營成本,另一方面是為了減少溫室氣體排放,以實現凈零排放的目標。此外,業界也在不斷追求成本更低、尺寸更小的電源系統。 散熱是數據中心面臨的另一個重大挑戰。據估計,當今大多數數據中心散熱系統的電力消耗占比超過 40%。[ https://theodi.org/news-and-events/blog/data-centres-cloud-infrastructures-and-the-tangibility-of-internet-power/ ]實際上,對于電源效率,浪費的能源主要以熱量形式散失,而這些熱能又需要通過數據中心的空調系統排放出去。因此,電源轉換效率越高,產生的熱量就越少,相應地,在散熱方面的電費支出也就越低。 數據中心的 AC-DC 轉換要求 讓我們更詳細地了解數據中心電源系統的需求,以及器件供應商應對這些挑戰的做法。數據中心內的功率密度正加速攀升,電源供應器 (PSU) 供應商致力于提高標準 1U 機架的功率能力(圖 1)。大約十年前,每個機架的平均功率密度約為 4 至 5 kW,但當今的超大規模云計算公司(例如亞馬遜、微軟或 Facebook)通常要求每個機架的功率密度達到 20 至 30 kW。一些專業系統的要求甚至更高,要求每個機架的功率密度達到 100kW 以上。[ https://www.sdxcentral.com/articles/analysis/data-center-rack-density-how-high-can-it-go/2023/09/] Grid power 電網電源 GPU power GPU 電源 Utility Grid 公用電網 Transformer 變壓器 Diesel Generator 柴油發電機 Rack 機架 Tray 托盤 Power Supply 電源 Intermediate Converter 中間轉換器 GPU Power Converter GPU 電源轉換器 Core Power 內核電源 圖 1:數據中心的電力輸送 - 從電網到 GPU 由于電源存放空間以及用于散熱和管理電源轉換熱損耗的空間有限,高功率密度要求電源采用緊湊的小尺寸設計,并同時具備高能效特性。 然而,挑戰不僅在于提高整體能效,電源還必須滿足數據中心行業的特定需求。例如,所有 AI 數據中心 PSU 都應滿足嚴格的 Open Rack V3 (ORV3) 基本規范。 最近,服務器機架提供商推出了一種新型 AC-DC PSU,其標稱輸入范圍為 200 至 277 VAC,輸出為 50 VDC,符合 ORV3 標準。該標準要求在 30% 至 100% 負載條件下峰值效率達到 97.5% 以上,在 10% 至 30% 負載條件下最低效率達到 94%。 服務器機架電源供應器的拓撲選擇 功率因數校正 (PFC) 級是 PSU 中 AC-DC 轉換的關鍵組成部分,對于實現高能效非常重要。PFC 級負責整形輸入電流,以盡可能放大有用功率與總輸入功率之比。為滿足 IEC 61000-3-2 等法規中的電磁兼容性 (EMC) 標準,并確保符合 ENERGY STAR? 等能效規范,PFC 設計也是關鍵所在。 對于數據中心等許多應用,最好選用“圖騰柱”PFC 拓撲來設計 PFC 級。該拓撲通常用于數據中心 3 kW 至 8 kW 系統電源中的 PFC 功能塊(圖 2)。圖騰柱 PFC 級基于 MOSFET,通過移除體積大且損耗高的橋式整流器,提高了交流電源的能效和功率密度。 圖 2:圖騰柱 PFC 級 然而,為了實現超大規模數據中心公司要求的 97.5% 或更高的能效,圖騰柱 PFC 需使用基于“寬禁帶”半導體材料(如碳化硅 (SiC))的 MOSFET。如今,所有 PFC 級均采用 SiC MOSFET 作為快速開關橋臂,并使用硅基超級結 MOSFET 作為相位或慢速橋臂。 與硅 MOSFET 相比,SiC MOSFET 性能更優、能效也更高,且穩健可靠,在高溫下表現更出色,可以在更高的開關頻率下運行。 與硅基超級結 MOSFET 相比,SiC MOSFET 在輸出電容中儲存的能量 (EOSS) 較低,而這對于實現低負載目標至關重要,因為 PFC 級的開關損耗主要來源于 EOSS 和柵極電荷相對較高的器件。較低的 EOSS 可大大減少開關過程中的能量損失,從而提高圖騰柱 PFC 快速橋臂的能效。此外,由于 SiC 器件具有出色的熱導率,相當于硅基器件的三倍,因此與硅基超級結 MOSFET 相比,SiC MOSFET 具有更好的正溫度系數 RDS(ON)。 下圖為 650V SiC MOSFET 導通電阻與結溫的關系。(圖 3)(結溫為 175℃ 時的導通電阻比室溫時的導通電阻高 1.5 倍。) 如今所有東西都存儲在云端,但云究竟在哪里? 答案是數據中心。我們對圖片、視頻和其他內容的無盡需求,正推動著數據中心行業蓬勃發展。 國際能源署 (IEA) 指出,[ https://datacentremagazine.com/data-centres/ai-boom-will-cause-data-centre-electricity-demand-to-double ]人工智能 (AI) 行業的迅猛發展正導致數據中心電力需求激增。預計在 2022 年到 2025 年的三年間,數據中心的耗電量將翻一番以上。 這不僅增加了運營成本,還給早已不堪重負的老舊電力基礎設施帶來了巨大的壓力,亟需大規模的投資升級。 隨著數據中心耗電量急劇增加,行業更迫切地需要能夠高效轉換電力的功率半導體。這種需求的增長一方面是為了降低運營成本,另一方面是為了減少溫室氣體排放,以實現凈零排放的目標。此外,業界也在不斷追求成本更低、尺寸更小的電源系統。 散熱是數據中心面臨的另一個重大挑戰。據估計,當今大多數數據中心散熱系統的電力消耗占比超過 40%。[ https://theodi.org/news-and-events/blog/data-centres-cloud-infrastructures-and-the-tangibility-of-internet-power/ ]實際上,對于電源效率,浪費的能源主要以熱量形式散失,而這些熱能又需要通過數據中心的空調系統排放出去。因此,電源轉換效率越高,產生的熱量就越少,相應地,在散熱方面的電費支出也就越低。 數據中心的 AC-DC 轉換要求 讓我們更詳細地了解數據中心電源系統的需求,以及器件供應商應對這些挑戰的做法。數據中心內的功率密度正加速攀升,電源供應器 (PSU) 供應商致力于提高標準 1U 機架的功率能力(圖 1)。大約十年前,每個機架的平均功率密度約為 4 至 5 kW,但當今的超大規模云計算公司(例如亞馬遜、微軟或 Facebook)通常要求每個機架的功率密度達到 20 至 30 kW。一些專業系統的要求甚至更高,要求每個機架的功率密度達到 100kW 以上。[ https://www.sdxcentral.com/articles/analysis/data-center-rack-density-how-high-can-it-go/2023/09/] Grid power 電網電源 GPU power GPU 電源 Utility Grid 公用電網 Transformer 變壓器 Diesel Generator 柴油發電機 Rack 機架 Tray 托盤 Power Supply 電源 Intermediate Converter 中間轉換器 GPU Power Converter GPU 電源轉換器 Core Power 內核電源 圖 1:數據中心的電力輸送 - 從電網到 GPU 由于電源存放空間以及用于散熱和管理電源轉換熱損耗的空間有限,高功率密度要求電源采用緊湊的小尺寸設計,并同時具備高能效特性。 然而,挑戰不僅在于提高整體能效,電源還必須滿足數據中心行業的特定需求。例如,所有 AI 數據中心 PSU 都應滿足嚴格的 Open Rack V3 (ORV3) 基本規范。 最近,服務器機架提供商推出了一種新型 AC-DC PSU,其標稱輸入范圍為 200 至 277 VAC,輸出為 50 VDC,符合 ORV3 標準。該標準要求在 30% 至 100% 負載條件下峰值效率達到 97.5% 以上,在 10% 至 30% 負載條件下最低效率達到 94%。 服務器機架電源供應器的拓撲選擇 功率因數校正 (PFC) 級是 PSU 中 AC-DC 轉換的關鍵組成部分,對于實現高能效非常重要。PFC 級負責整形輸入電流,以盡可能放大有用功率與總輸入功率之比。為滿足 IEC 61000-3-2 等法規中的電磁兼容性 (EMC) 標準,并確保符合 ENERGY STAR? 等能效規范,PFC 設計也是關鍵所在。 對于數據中心等許多應用,最好選用“圖騰柱”PFC 拓撲來設計 PFC 級。該拓撲通常用于數據中心 3 kW 至 8 kW 系統電源中的 PFC 功能塊(圖 2)。圖騰柱 PFC 級基于 MOSFET,通過移除體積大且損耗高的橋式整流器,提高了交流電源的能效和功率密度。 圖 2:圖騰柱 PFC 級 然而,為了實現超大規模數據中心公司要求的 97.5% 或更高的能效,圖騰柱 PFC 需使用基于“寬禁帶”半導體材料(如碳化硅 (SiC))的 MOSFET。如今,所有 PFC 級均采用 SiC MOSFET 作為快速開關橋臂,并使用硅基超級結 MOSFET 作為相位或慢速橋臂。 與硅 MOSFET 相比,SiC MOSFET 性能更優、能效也更高,且穩健可靠,在高溫下表現更出色,可以在更高的開關頻率下運行。 與硅基超級結 MOSFET 相比,SiC MOSFET 在輸出電容中儲存的能量 (EOSS) 較低,而這對于實現低負載目標至關重要,因為 PFC 級的開關損耗主要來源于 EOSS 和柵極電荷相對較高的器件。較低的 EOSS 可大大減少開關過程中的能量損失,從而提高圖騰柱 PFC 快速橋臂的能效。此外,由于 SiC 器件具有出色的熱導率,相當于硅基器件的三倍,因此與硅基超級結 MOSFET 相比,SiC MOSFET 具有更好的正溫度系數 RDS(ON)。 下圖為 650V SiC MOSFET 導通電阻與結溫的關系。(圖 3)(結溫為 175℃ 時的導通電阻比室溫時的導通電阻高 1.5 倍。)](/media/3-0_20250414173200_182.png)
如今所有東西都存儲在云端,但云究竟在哪里?
答案是數據中心。我們對圖片、視頻和其他內容的無盡需求,正推動著數據中心行業蓬勃發展。
國際能源署 (IEA) 指出,1人工智能 (AI) 行業的迅猛發展正導致數據中心電力需求激增。預計在 2022 年到 2025 年的三年間,數據中心的耗電量將翻一番以上。 這不僅增加了運營成本,還給早已不堪重負的老舊電力基礎設施帶來了巨大的壓力,亟需大規模的投資升級。
隨著數據中心耗電量急劇增加,行業更迫切地需要能夠高效轉換電力的功率半導體。這種需求的增長一方面是為了降低運營成本,另一方面是為了減少溫室氣體排放,以實現凈零排放的目標。此外,業界也在不斷追求成本更低、尺寸更小的電源系統。
散熱是數據中心面臨的另一個重大挑戰。據估計,當今大多數數據中心散熱系統的電力消耗占比超過 40%。2實際上,對于電源效率,浪費的能源主要以熱量形式散失,而這些熱能又需要通過數據中心的空調系統排放出去。因此,電源轉換效率越高,產生的熱量就越少,相應地,在散熱方面的電費支出也就越低。
數據中心的 AC-DC 轉換要求
讓我們更詳細地了解數據中心電源系統的需求,以及器件供應商應對這些挑戰的做法。數據中心內的功率密度正加速攀升,電源供應器 (PSU) 供應商致力于提高標準 1U 機架的功率能力(圖 1)。大約十年前,每個機架的平均功率密度約為 4 至 5 kW,但當今的超大規模云計算公司(例如亞馬遜、微軟或 Facebook)通常要求每個機架的功率密度達到 20 至 30 kW。一些專業系統的要求甚至更高,要求每個機架的功率密度達到 100kW 以上。3
![如今所有東西都存儲在云端,但云究竟在哪里? 答案是數據中心。我們對圖片、視頻和其他內容的無盡需求,正推動著數據中心行業蓬勃發展。 國際能源署 (IEA) 指出,[ https://datacentremagazine.com/data-centres/ai-boom-will-cause-data-centre-electricity-demand-to-double ]人工智能 (AI) 行業的迅猛發展正導致數據中心電力需求激增。預計在 2022 年到 2025 年的三年間,數據中心的耗電量將翻一番以上。 這不僅增加了運營成本,還給早已不堪重負的老舊電力基礎設施帶來了巨大的壓力,亟需大規模的投資升級。 隨著數據中心耗電量急劇增加,行業更迫切地需要能夠高效轉換電力的功率半導體。這種需求的增長一方面是為了降低運營成本,另一方面是為了減少溫室氣體排放,以實現凈零排放的目標。此外,業界也在不斷追求成本更低、尺寸更小的電源系統。 散熱是數據中心面臨的另一個重大挑戰。據估計,當今大多數數據中心散熱系統的電力消耗占比超過 40%。[ https://theodi.org/news-and-events/blog/data-centres-cloud-infrastructures-and-the-tangibility-of-internet-power/ ]實際上,對于電源效率,浪費的能源主要以熱量形式散失,而這些熱能又需要通過數據中心的空調系統排放出去。因此,電源轉換效率越高,產生的熱量就越少,相應地,在散熱方面的電費支出也就越低。 數據中心的 AC-DC 轉換要求 讓我們更詳細地了解數據中心電源系統的需求,以及器件供應商應對這些挑戰的做法。數據中心內的功率密度正加速攀升,電源供應器 (PSU) 供應商致力于提高標準 1U 機架的功率能力(圖 1)。大約十年前,每個機架的平均功率密度約為 4 至 5 kW,但當今的超大規模云計算公司(例如亞馬遜、微軟或 Facebook)通常要求每個機架的功率密度達到 20 至 30 kW。一些專業系統的要求甚至更高,要求每個機架的功率密度達到 100kW 以上。[ https://www.sdxcentral.com/articles/analysis/data-center-rack-density-how-high-can-it-go/2023/09/] Grid power 電網電源 GPU power GPU 電源 Utility Grid 公用電網 Transformer 變壓器 Diesel Generator 柴油發電機 Rack 機架 Tray 托盤 Power Supply 電源 Intermediate Converter 中間轉換器 GPU Power Converter GPU 電源轉換器 Core Power 內核電源 圖 1:數據中心的電力輸送 - 從電網到 GPU 由于電源存放空間以及用于散熱和管理電源轉換熱損耗的空間有限,高功率密度要求電源采用緊湊的小尺寸設計,并同時具備高能效特性。 然而,挑戰不僅在于提高整體能效,電源還必須滿足數據中心行業的特定需求。例如,所有 AI 數據中心 PSU 都應滿足嚴格的 Open Rack V3 (ORV3) 基本規范。 最近,服務器機架提供商推出了一種新型 AC-DC PSU,其標稱輸入范圍為 200 至 277 VAC,輸出為 50 VDC,符合 ORV3 標準。該標準要求在 30% 至 100% 負載條件下峰值效率達到 97.5% 以上,在 10% 至 30% 負載條件下最低效率達到 94%。 服務器機架電源供應器的拓撲選擇 功率因數校正 (PFC) 級是 PSU 中 AC-DC 轉換的關鍵組成部分,對于實現高能效非常重要。PFC 級負責整形輸入電流,以盡可能放大有用功率與總輸入功率之比。為滿足 IEC 61000-3-2 等法規中的電磁兼容性 (EMC) 標準,并確保符合 ENERGY STAR? 等能效規范,PFC 設計也是關鍵所在。 對于數據中心等許多應用,最好選用“圖騰柱”PFC 拓撲來設計 PFC 級。該拓撲通常用于數據中心 3 kW 至 8 kW 系統電源中的 PFC 功能塊(圖 2)。圖騰柱 PFC 級基于 MOSFET,通過移除體積大且損耗高的橋式整流器,提高了交流電源的能效和功率密度。 圖 2:圖騰柱 PFC 級 然而,為了實現超大規模數據中心公司要求的 97.5% 或更高的能效,圖騰柱 PFC 需使用基于“寬禁帶”半導體材料(如碳化硅 (SiC))的 MOSFET。如今,所有 PFC 級均采用 SiC MOSFET 作為快速開關橋臂,并使用硅基超級結 MOSFET 作為相位或慢速橋臂。 與硅 MOSFET 相比,SiC MOSFET 性能更優、能效也更高,且穩健可靠,在高溫下表現更出色,可以在更高的開關頻率下運行。 與硅基超級結 MOSFET 相比,SiC MOSFET 在輸出電容中儲存的能量 (EOSS) 較低,而這對于實現低負載目標至關重要,因為 PFC 級的開關損耗主要來源于 EOSS 和柵極電荷相對較高的器件。較低的 EOSS 可大大減少開關過程中的能量損失,從而提高圖騰柱 PFC 快速橋臂的能效。此外,由于 SiC 器件具有出色的熱導率,相當于硅基器件的三倍,因此與硅基超級結 MOSFET 相比,SiC MOSFET 具有更好的正溫度系數 RDS(ON)。 下圖為 650V SiC MOSFET 導通電阻與結溫的關系。(圖 3)(結溫為 175℃ 時的導通電阻比室溫時的導通電阻高 1.5 倍。) 如今所有東西都存儲在云端,但云究竟在哪里? 答案是數據中心。我們對圖片、視頻和其他內容的無盡需求,正推動著數據中心行業蓬勃發展。 國際能源署 (IEA) 指出,[ https://datacentremagazine.com/data-centres/ai-boom-will-cause-data-centre-electricity-demand-to-double ]人工智能 (AI) 行業的迅猛發展正導致數據中心電力需求激增。預計在 2022 年到 2025 年的三年間,數據中心的耗電量將翻一番以上。 這不僅增加了運營成本,還給早已不堪重負的老舊電力基礎設施帶來了巨大的壓力,亟需大規模的投資升級。 隨著數據中心耗電量急劇增加,行業更迫切地需要能夠高效轉換電力的功率半導體。這種需求的增長一方面是為了降低運營成本,另一方面是為了減少溫室氣體排放,以實現凈零排放的目標。此外,業界也在不斷追求成本更低、尺寸更小的電源系統。 散熱是數據中心面臨的另一個重大挑戰。據估計,當今大多數數據中心散熱系統的電力消耗占比超過 40%。[ https://theodi.org/news-and-events/blog/data-centres-cloud-infrastructures-and-the-tangibility-of-internet-power/ ]實際上,對于電源效率,浪費的能源主要以熱量形式散失,而這些熱能又需要通過數據中心的空調系統排放出去。因此,電源轉換效率越高,產生的熱量就越少,相應地,在散熱方面的電費支出也就越低。 數據中心的 AC-DC 轉換要求 讓我們更詳細地了解數據中心電源系統的需求,以及器件供應商應對這些挑戰的做法。數據中心內的功率密度正加速攀升,電源供應器 (PSU) 供應商致力于提高標準 1U 機架的功率能力(圖 1)。大約十年前,每個機架的平均功率密度約為 4 至 5 kW,但當今的超大規模云計算公司(例如亞馬遜、微軟或 Facebook)通常要求每個機架的功率密度達到 20 至 30 kW。一些專業系統的要求甚至更高,要求每個機架的功率密度達到 100kW 以上。[ https://www.sdxcentral.com/articles/analysis/data-center-rack-density-how-high-can-it-go/2023/09/] Grid power 電網電源 GPU power GPU 電源 Utility Grid 公用電網 Transformer 變壓器 Diesel Generator 柴油發電機 Rack 機架 Tray 托盤 Power Supply 電源 Intermediate Converter 中間轉換器 GPU Power Converter GPU 電源轉換器 Core Power 內核電源 圖 1:數據中心的電力輸送 - 從電網到 GPU 由于電源存放空間以及用于散熱和管理電源轉換熱損耗的空間有限,高功率密度要求電源采用緊湊的小尺寸設計,并同時具備高能效特性。 然而,挑戰不僅在于提高整體能效,電源還必須滿足數據中心行業的特定需求。例如,所有 AI 數據中心 PSU 都應滿足嚴格的 Open Rack V3 (ORV3) 基本規范。 最近,服務器機架提供商推出了一種新型 AC-DC PSU,其標稱輸入范圍為 200 至 277 VAC,輸出為 50 VDC,符合 ORV3 標準。該標準要求在 30% 至 100% 負載條件下峰值效率達到 97.5% 以上,在 10% 至 30% 負載條件下最低效率達到 94%。 服務器機架電源供應器的拓撲選擇 功率因數校正 (PFC) 級是 PSU 中 AC-DC 轉換的關鍵組成部分,對于實現高能效非常重要。PFC 級負責整形輸入電流,以盡可能放大有用功率與總輸入功率之比。為滿足 IEC 61000-3-2 等法規中的電磁兼容性 (EMC) 標準,并確保符合 ENERGY STAR? 等能效規范,PFC 設計也是關鍵所在。 對于數據中心等許多應用,最好選用“圖騰柱”PFC 拓撲來設計 PFC 級。該拓撲通常用于數據中心 3 kW 至 8 kW 系統電源中的 PFC 功能塊(圖 2)。圖騰柱 PFC 級基于 MOSFET,通過移除體積大且損耗高的橋式整流器,提高了交流電源的能效和功率密度。 圖 2:圖騰柱 PFC 級 然而,為了實現超大規模數據中心公司要求的 97.5% 或更高的能效,圖騰柱 PFC 需使用基于“寬禁帶”半導體材料(如碳化硅 (SiC))的 MOSFET。如今,所有 PFC 級均采用 SiC MOSFET 作為快速開關橋臂,并使用硅基超級結 MOSFET 作為相位或慢速橋臂。 與硅 MOSFET 相比,SiC MOSFET 性能更優、能效也更高,且穩健可靠,在高溫下表現更出色,可以在更高的開關頻率下運行。 與硅基超級結 MOSFET 相比,SiC MOSFET 在輸出電容中儲存的能量 (EOSS) 較低,而這對于實現低負載目標至關重要,因為 PFC 級的開關損耗主要來源于 EOSS 和柵極電荷相對較高的器件。較低的 EOSS 可大大減少開關過程中的能量損失,從而提高圖騰柱 PFC 快速橋臂的能效。此外,由于 SiC 器件具有出色的熱導率,相當于硅基器件的三倍,因此與硅基超級結 MOSFET 相比,SiC MOSFET 具有更好的正溫度系數 RDS(ON)。 下圖為 650V SiC MOSFET 導通電阻與結溫的關系。(圖 3)(結溫為 175℃ 時的導通電阻比室溫時的導通電阻高 1.5 倍。)](http://cntadmin.52solution.com/media/3-1_20250414172754_296.png)
![如今所有東西都存儲在云端,但云究竟在哪里? 答案是數據中心。我們對圖片、視頻和其他內容的無盡需求,正推動著數據中心行業蓬勃發展。 國際能源署 (IEA) 指出,[ https://datacentremagazine.com/data-centres/ai-boom-will-cause-data-centre-electricity-demand-to-double ]人工智能 (AI) 行業的迅猛發展正導致數據中心電力需求激增。預計在 2022 年到 2025 年的三年間,數據中心的耗電量將翻一番以上。 這不僅增加了運營成本,還給早已不堪重負的老舊電力基礎設施帶來了巨大的壓力,亟需大規模的投資升級。 隨著數據中心耗電量急劇增加,行業更迫切地需要能夠高效轉換電力的功率半導體。這種需求的增長一方面是為了降低運營成本,另一方面是為了減少溫室氣體排放,以實現凈零排放的目標。此外,業界也在不斷追求成本更低、尺寸更小的電源系統。 散熱是數據中心面臨的另一個重大挑戰。據估計,當今大多數數據中心散熱系統的電力消耗占比超過 40%。[ https://theodi.org/news-and-events/blog/data-centres-cloud-infrastructures-and-the-tangibility-of-internet-power/ ]實際上,對于電源效率,浪費的能源主要以熱量形式散失,而這些熱能又需要通過數據中心的空調系統排放出去。因此,電源轉換效率越高,產生的熱量就越少,相應地,在散熱方面的電費支出也就越低。 數據中心的 AC-DC 轉換要求 讓我們更詳細地了解數據中心電源系統的需求,以及器件供應商應對這些挑戰的做法。數據中心內的功率密度正加速攀升,電源供應器 (PSU) 供應商致力于提高標準 1U 機架的功率能力(圖 1)。大約十年前,每個機架的平均功率密度約為 4 至 5 kW,但當今的超大規模云計算公司(例如亞馬遜、微軟或 Facebook)通常要求每個機架的功率密度達到 20 至 30 kW。一些專業系統的要求甚至更高,要求每個機架的功率密度達到 100kW 以上。[ https://www.sdxcentral.com/articles/analysis/data-center-rack-density-how-high-can-it-go/2023/09/] Grid power 電網電源 GPU power GPU 電源 Utility Grid 公用電網 Transformer 變壓器 Diesel Generator 柴油發電機 Rack 機架 Tray 托盤 Power Supply 電源 Intermediate Converter 中間轉換器 GPU Power Converter GPU 電源轉換器 Core Power 內核電源 圖 1:數據中心的電力輸送 - 從電網到 GPU 由于電源存放空間以及用于散熱和管理電源轉換熱損耗的空間有限,高功率密度要求電源采用緊湊的小尺寸設計,并同時具備高能效特性。 然而,挑戰不僅在于提高整體能效,電源還必須滿足數據中心行業的特定需求。例如,所有 AI 數據中心 PSU 都應滿足嚴格的 Open Rack V3 (ORV3) 基本規范。 最近,服務器機架提供商推出了一種新型 AC-DC PSU,其標稱輸入范圍為 200 至 277 VAC,輸出為 50 VDC,符合 ORV3 標準。該標準要求在 30% 至 100% 負載條件下峰值效率達到 97.5% 以上,在 10% 至 30% 負載條件下最低效率達到 94%。 服務器機架電源供應器的拓撲選擇 功率因數校正 (PFC) 級是 PSU 中 AC-DC 轉換的關鍵組成部分,對于實現高能效非常重要。PFC 級負責整形輸入電流,以盡可能放大有用功率與總輸入功率之比。為滿足 IEC 61000-3-2 等法規中的電磁兼容性 (EMC) 標準,并確保符合 ENERGY STAR? 等能效規范,PFC 設計也是關鍵所在。 對于數據中心等許多應用,最好選用“圖騰柱”PFC 拓撲來設計 PFC 級。該拓撲通常用于數據中心 3 kW 至 8 kW 系統電源中的 PFC 功能塊(圖 2)。圖騰柱 PFC 級基于 MOSFET,通過移除體積大且損耗高的橋式整流器,提高了交流電源的能效和功率密度。 圖 2:圖騰柱 PFC 級 然而,為了實現超大規模數據中心公司要求的 97.5% 或更高的能效,圖騰柱 PFC 需使用基于“寬禁帶”半導體材料(如碳化硅 (SiC))的 MOSFET。如今,所有 PFC 級均采用 SiC MOSFET 作為快速開關橋臂,并使用硅基超級結 MOSFET 作為相位或慢速橋臂。 與硅 MOSFET 相比,SiC MOSFET 性能更優、能效也更高,且穩健可靠,在高溫下表現更出色,可以在更高的開關頻率下運行。 與硅基超級結 MOSFET 相比,SiC MOSFET 在輸出電容中儲存的能量 (EOSS) 較低,而這對于實現低負載目標至關重要,因為 PFC 級的開關損耗主要來源于 EOSS 和柵極電荷相對較高的器件。較低的 EOSS 可大大減少開關過程中的能量損失,從而提高圖騰柱 PFC 快速橋臂的能效。此外,由于 SiC 器件具有出色的熱導率,相當于硅基器件的三倍,因此與硅基超級結 MOSFET 相比,SiC MOSFET 具有更好的正溫度系數 RDS(ON)。 下圖為 650V SiC MOSFET 導通電阻與結溫的關系。(圖 3)(結溫為 175℃ 時的導通電阻比室溫時的導通電阻高 1.5 倍。) 如今所有東西都存儲在云端,但云究竟在哪里? 答案是數據中心。我們對圖片、視頻和其他內容的無盡需求,正推動著數據中心行業蓬勃發展。 國際能源署 (IEA) 指出,[ https://datacentremagazine.com/data-centres/ai-boom-will-cause-data-centre-electricity-demand-to-double ]人工智能 (AI) 行業的迅猛發展正導致數據中心電力需求激增。預計在 2022 年到 2025 年的三年間,數據中心的耗電量將翻一番以上。 這不僅增加了運營成本,還給早已不堪重負的老舊電力基礎設施帶來了巨大的壓力,亟需大規模的投資升級。 隨著數據中心耗電量急劇增加,行業更迫切地需要能夠高效轉換電力的功率半導體。這種需求的增長一方面是為了降低運營成本,另一方面是為了減少溫室氣體排放,以實現凈零排放的目標。此外,業界也在不斷追求成本更低、尺寸更小的電源系統。 散熱是數據中心面臨的另一個重大挑戰。據估計,當今大多數數據中心散熱系統的電力消耗占比超過 40%。[ https://theodi.org/news-and-events/blog/data-centres-cloud-infrastructures-and-the-tangibility-of-internet-power/ ]實際上,對于電源效率,浪費的能源主要以熱量形式散失,而這些熱能又需要通過數據中心的空調系統排放出去。因此,電源轉換效率越高,產生的熱量就越少,相應地,在散熱方面的電費支出也就越低。 數據中心的 AC-DC 轉換要求 讓我們更詳細地了解數據中心電源系統的需求,以及器件供應商應對這些挑戰的做法。數據中心內的功率密度正加速攀升,電源供應器 (PSU) 供應商致力于提高標準 1U 機架的功率能力(圖 1)。大約十年前,每個機架的平均功率密度約為 4 至 5 kW,但當今的超大規模云計算公司(例如亞馬遜、微軟或 Facebook)通常要求每個機架的功率密度達到 20 至 30 kW。一些專業系統的要求甚至更高,要求每個機架的功率密度達到 100kW 以上。[ https://www.sdxcentral.com/articles/analysis/data-center-rack-density-how-high-can-it-go/2023/09/] Grid power 電網電源 GPU power GPU 電源 Utility Grid 公用電網 Transformer 變壓器 Diesel Generator 柴油發電機 Rack 機架 Tray 托盤 Power Supply 電源 Intermediate Converter 中間轉換器 GPU Power Converter GPU 電源轉換器 Core Power 內核電源 圖 1:數據中心的電力輸送 - 從電網到 GPU 由于電源存放空間以及用于散熱和管理電源轉換熱損耗的空間有限,高功率密度要求電源采用緊湊的小尺寸設計,并同時具備高能效特性。 然而,挑戰不僅在于提高整體能效,電源還必須滿足數據中心行業的特定需求。例如,所有 AI 數據中心 PSU 都應滿足嚴格的 Open Rack V3 (ORV3) 基本規范。 最近,服務器機架提供商推出了一種新型 AC-DC PSU,其標稱輸入范圍為 200 至 277 VAC,輸出為 50 VDC,符合 ORV3 標準。該標準要求在 30% 至 100% 負載條件下峰值效率達到 97.5% 以上,在 10% 至 30% 負載條件下最低效率達到 94%。 服務器機架電源供應器的拓撲選擇 功率因數校正 (PFC) 級是 PSU 中 AC-DC 轉換的關鍵組成部分,對于實現高能效非常重要。PFC 級負責整形輸入電流,以盡可能放大有用功率與總輸入功率之比。為滿足 IEC 61000-3-2 等法規中的電磁兼容性 (EMC) 標準,并確保符合 ENERGY STAR? 等能效規范,PFC 設計也是關鍵所在。 對于數據中心等許多應用,最好選用“圖騰柱”PFC 拓撲來設計 PFC 級。該拓撲通常用于數據中心 3 kW 至 8 kW 系統電源中的 PFC 功能塊(圖 2)。圖騰柱 PFC 級基于 MOSFET,通過移除體積大且損耗高的橋式整流器,提高了交流電源的能效和功率密度。 圖 2:圖騰柱 PFC 級 然而,為了實現超大規模數據中心公司要求的 97.5% 或更高的能效,圖騰柱 PFC 需使用基于“寬禁帶”半導體材料(如碳化硅 (SiC))的 MOSFET。如今,所有 PFC 級均采用 SiC MOSFET 作為快速開關橋臂,并使用硅基超級結 MOSFET 作為相位或慢速橋臂。 與硅 MOSFET 相比,SiC MOSFET 性能更優、能效也更高,且穩健可靠,在高溫下表現更出色,可以在更高的開關頻率下運行。 與硅基超級結 MOSFET 相比,SiC MOSFET 在輸出電容中儲存的能量 (EOSS) 較低,而這對于實現低負載目標至關重要,因為 PFC 級的開關損耗主要來源于 EOSS 和柵極電荷相對較高的器件。較低的 EOSS 可大大減少開關過程中的能量損失,從而提高圖騰柱 PFC 快速橋臂的能效。此外,由于 SiC 器件具有出色的熱導率,相當于硅基器件的三倍,因此與硅基超級結 MOSFET 相比,SiC MOSFET 具有更好的正溫度系數 RDS(ON)。 下圖為 650V SiC MOSFET 導通電阻與結溫的關系。(圖 3)(結溫為 175℃ 時的導通電阻比室溫時的導通電阻高 1.5 倍。)](/media/3-2_20250414172829_916.jpg)
圖 1:數據中心的電力輸送 - 從電網到 GPU
由于電源存放空間以及用于散熱和管理電源轉換熱損耗的空間有限,高功率密度要求電源采用緊湊的小尺寸設計,并同時具備高能效特性。
然而,挑戰不僅在于提高整體能效,電源還必須滿足數據中心行業的特定需求。例如,所有 AI 數據中心 PSU 都應滿足嚴格的 Open Rack V3 (ORV3) 基本規范。
最近,服務器機架提供商推出了一種新型 AC-DC PSU,其標稱輸入范圍為 200 至 277 VAC,輸出為 50 VDC,符合 ORV3 標準。該標準要求在 30% 至 100% 負載條件下峰值效率達到 97.5% 以上,在 10% 至 30% 負載條件下最低效率達到 94%。
服務器機架電源供應器的拓撲選擇
功率因數校正 (PFC) 級是 PSU 中 AC-DC 轉換的關鍵組成部分,對于實現高能效非常重要。PFC 級負責整形輸入電流,以盡可能放大有用功率與總輸入功率之比。為滿足 IEC 61000-3-2 等法規中的電磁兼容性 (EMC) 標準,并確保符合 ENERGY STAR? 等能效規范,PFC 設計也是關鍵所在。
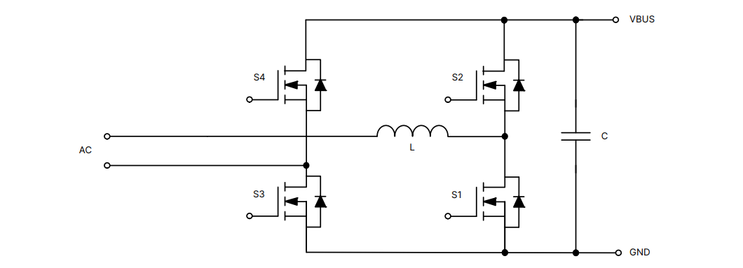
對于數據中心等許多應用,最好選用“圖騰柱”PFC 拓撲來設計 PFC 級。該拓撲通常用于數據中心 3 kW 至 8 kW 系統電源中的 PFC 功能塊(圖 2)。圖騰柱 PFC 級基于 MOSFET,通過移除體積大且損耗高的橋式整流器,提高了交流電源的能效和功率密度。

圖 2:圖騰柱 PFC 級
然而,為了實現超大規模數據中心公司要求的 97.5% 或更高的能效,圖騰柱 PFC 需使用基于“寬禁帶”半導體材料(如碳化硅 (SiC))的 MOSFET。如今,所有 PFC 級均采用 SiC MOSFET 作為快速開關橋臂,并使用硅基超級結 MOSFET 作為相位或慢速橋臂。
與硅 MOSFET 相比,SiC MOSFET 性能更優、能效也更高,且穩健可靠,在高溫下表現更出色,可以在更高的開關頻率下運行。
與硅基超級結 MOSFET 相比,SiC MOSFET 在輸出電容中儲存的能量 (EOSS) 較低,而這對于實現低負載目標至關重要,因為 PFC 級的開關損耗主要來源于 EOSS 和柵極電荷相對較高的器件。較低的 EOSS 可大大減少開關過程中的能量損失,從而提高圖騰柱 PFC 快速橋臂的能效。此外,由于 SiC 器件具有出色的熱導率,相當于硅基器件的三倍,因此與硅基超級結 MOSFET 相比,SiC MOSFET 具有更好的正溫度系數 RDS(ON)。
下圖為 650V SiC MOSFET 導通電阻與結溫的關系。(圖 3)(結溫為 175℃ 時的導通電阻比室溫時的導通電阻高 1.5 倍。)


圖 3:650V SiC MOSFET 導通電阻與結溫的關系
同樣,下圖(圖 4)為 650 V 超級結 MOSFET 的導通電阻與結溫的關系。結溫為 175℃ 時的導通電阻比室溫下的導通電阻高 2.5 倍以上。

圖 4:650 V 硅基超級結 MOSFET 導通電阻與結溫的關系
比較額定 RDS(ON) 類似的硅基 650 V 超級結 MOSFET 與 650 V SiC MOSFET,在結溫 (Tj) 為 175℃ 時,前者的導通電阻 (RDS(ON)) 提高到約 50 mohm,而此時后者的 RDS(ON) 約為 30 mohm。在高溫運行期間,650 V SiC MOSFET 的導通損耗更低。
在圖騰柱 PFC 慢速橋臂功能塊和 LLC 功能塊中,導通損耗占總功率損耗的大部分。SiC MOSFET 在較高結溫下的 RDS(ON) 較低,有助于提高系統能效。
得益于在高溫下 RDS(ON) 增幅較小且 EOSS 出色,SiC MOSFET 在圖騰柱 PFC 拓撲中表現突出,更有助于提高能效并減少能量損失。
新型 SiC MOSFET 技術實現出色的系統能效
安森美 (onsemi) 的 650V M3S EliteSiC MOSFET(包括 NTBL032N065M3S 和 NTBL023N065M3S)提供優越的開關性能,并大大提高了 PFC 和 LLC 級的系統能效。 M3S EliteSiC 技術性能遠遠超過其前代產品,其中柵極電荷降低了 50%,EOSS 降低了 44%,輸出電容 (QOSS) 中存儲的電荷也減少了 44%。用于 PFC 級的硬開關拓撲中時,出色的 EOSS 性能可進一步提高輕載下的系統能效。此外,較低的 QOSS 簡化了 LLC 級軟開關拓撲的諧振儲能電感設計。
得益于出色的開關性能和能效,M3S EliteSiC MOSFET 散發的熱量更少。除了有助于減小數據中心的散熱要求之外,該器件還能在高工作頻率的 PFC 和 DC-DC 功能塊中(例如電動汽車 (EV) 的壁掛式直流充電樁中)以較低溫度運行。
此外,在相同電壓等級下,M3S EliteSiC MOSFET 的柵極電荷 Qg 更加優越,并能降低柵極驅動損耗。同時,出色的 Qgs 和 Qgd 也有助于降低開關導通和關斷損耗。在 LLC 功能塊中,當 VDS 從關斷狀態轉換到二極管導通狀態時,需要對輸出電容進行充電。為了快速完成這一過程,必須使用低瞬態輸出電容 (COSS(TR))。瞬態 COSS 在這里之所以非常重要,是因為它可以最大限度地減少諧振儲能的循環損耗,并縮短 LLC 的死區時間,從而減少初級側的循環損耗。低導通電阻能夠盡可能地減少導通損耗,而低 EOFF 有助于進一步降低開關損耗。總體而言,提升系統能效是一大關鍵性能標準,這使得 SiC MOSFET 成為數據中心 PFC 和 LLC 級的優選方案。
新型 EliteSiC MOSFET 也非常適合能源基礎設施應用,例如光伏 (PV) 發電機、儲能系統 (ESS)、不間斷電源 (UPS) 和電動汽車充電站。設計工程師可以使用 M3S EliteSiC MOSFET 來減小整體系統尺寸,進而幫助提高工作頻率。從系統角度來看,與硅基 650 V 超級結 MOSFET 相比,M3S EliteSiC MOSFET 可幫助設計工程師降低系統成本。
總之,在成本、EMI、高溫運行和基于相同 RDS(ON) 的開關性能方面,新型 EliteSiC MOSFET 可以與市場上的超級結 MOSFET 相媲美。相較于超級結 MOSFET,采用相同封裝的 650V M3S EliteSiC MOSFET 可實現更低的 RDS(ON),有助于提高 LLC 拓撲的系統能效。與其他硅基替代器件相比,其突出優勢在于開關損耗顯著降低。
圖 5:650V M3S EliteSiC MOSFET 的優勢

結論
本文簡要探討了超大規模數據中心日益增長的電力需求對高效電源轉換提出的更高標準。人工智能有望引領世界變革,為了讓我們現有的電網能夠滿足 AI 驅動的云計算迅猛發展的需求,我們迫切需要提高能效。
采用 SiC MOSFET 可以顯著提高 PFC 和 LLC 級的能效。安森美的 650 V M3S EliteSiC MOSFET 能夠大幅提升超大規模數據中心的 PFC 和 LLC 級的能效。650 V M3S EliteSiC MOSFET 具有更低的柵極電荷、EOSS 和 QOSS,可以提高能效并簡化 PFC 和 LLC 級中的硬開關拓撲設計,從而有助于減少電力消耗,降低運營成本。
注:
3. https://www.sdxcentral.com/articles/analysis/data-center-rack-density-how-high-can-it-go/2023/09/
(來源:安森美,作者:安森美產品線經理 Wonhwa Lee)
免責聲明:本文為轉載文章,轉載此文目的在于傳遞更多信息,版權歸原作者所有。本文所用視頻、圖片、文字如涉及作品版權問題,請聯系小編進行處理。
推薦閱讀:
ST 推出 STM32MP23高性價比MPU,搭載兩個Arm Cortex-A35處理器核心




