
逆變器是用于將輸入的直流電轉換為輸出交流電的一種電路。逆變器可用于電池供電系統、可再生能源系統、不間斷電源、電機驅動等。逆變器是一種電力電子轉換器,能夠將輸入的直流電轉換為具有所需振幅和頻率的交流電。 詳細閱讀>>
干貨
逆變器是用于將輸入的直流電轉換為輸出交流電的一種電路。逆變器可用于電池供電系統、可再生能源系統、不間斷電源、電機驅動等。逆變器是一種電力電子轉換器,能夠將輸入的直流電轉換為具有所需振幅和頻率的交流電。
在任何電氣系統中,電流都是一個至關重要的參數。電動汽車 (EV) 充電系統和太陽能系統都需要檢測電流的大小,以便控制和監測功率轉換、充電和放電。電流傳感器通過監測分流電阻器上的壓降或導體中電流產生的磁場來測量電流。 詳細閱讀>>
?
本文提出一個用尺寸緊湊、高成本效益的DC/AC逆變器分析碳化硅功率模塊內并聯裸片之間的熱失衡問題的解決方案,該分析方法是采用紅外熱像儀直接測量每顆裸片在連續工作時的溫度,分析兩個電驅逆變模塊驗證,該測溫系統的驗證方法是,根據柵源電壓閾值選擇每個模塊內的裸片。我們將從實驗數據中提取一個數學模型... 詳細閱讀>>
?
隨著新能源汽車市場的快速擴大,各大車企紛紛推出采用第三代半導體SiC器件的主力車型。同時,為了進一步提高系統效率和充電效率,800V高壓平臺已經成為各大OEM的重點方向。宇泉半導體推出一款可滿足大功率轉換應用的1200V 600A三相全橋SiC模塊新品...詳細閱讀>>
?
碳化硅(SiC)作為一種第三代半導體材料,具有耐高壓、耐高頻的特性,相比傳統的硅基半導體,碳化硅MOSFET在功率轉換效率、損耗降低方面表現出色,這使得它在新能源汽車、電力電子設備等領域有著廣泛的應用前景。隨著新能源汽車市場的快速增長,碳化硅MOSFET的需求也在不斷增加,尤其是在需要高效率、高可靠性... 詳細閱讀>>
?
傳統上,直流電源轉換是通過電動發電機組實現的,其中使用直流電源運行的電機直接轉動發電機以產生所需的交流電源。與此相反,驅動直流發電機的交流電機稱為轉換器,因此當應用于直流到交流發電機組時,名稱為逆變器,該名稱被保留下來。另一種版本使用安裝在真空管中的機械開關機構,該機制以適當的間隔切換直流電的極性。詳細閱讀>>
?
像大多數工程設計決策一樣,選擇用于驅動家用電器機構的電動機類型是確定應用要求與實際解決方案所能提供的折衷方案的問題。對于需要電機的家用電器——洗衣機、冰箱、空調和洗碗機等無處不在的產品——使用逆變電路來驅動無刷直流電機或感應電機是節省大量電力的方式... 詳細閱讀>>
經典案例
?
作為電池模擬器,可以使用標準電源。通過適當控制電機模擬器,相電流通過相線圈從 DUT 流向模擬器,并通過 DC-Link 流回 DUT,反之亦然。因此,DC-Link受到實際電流的壓力,但由于能量在兩個逆變器之間流動,因此電池模擬只需為整個系統的損耗提供能量。這是重要的好處之一:可以使用相對較小的電源,而無需向電網反饋能量。僅使用 20kW 的電源,就可以模擬約 250kW 的電機。詳細閱讀>>
?
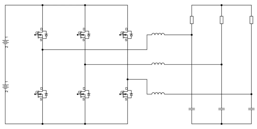
三相逆變器的定義是將直流電能轉換為交流電能的轉換器,其基本原理就是SPWM,硬件架構為四個功率模塊組成單相、三相橋式電路,橋式輸出至負載間串接低通濾波元件,控制回路具有兩個信號產生源,一個是固定幅值的三角波(調制波)發生器,一個為正弦波發生器,利用三角波對正弦波進行調制,就會得到占空比按照正弦規律變化的方波脈沖列,調制比不同... 詳細閱讀>>
?
本文闡述了如何在主驅逆變器中使用碳化硅 (SiC) 金屬氧化物半導體場效應晶體管 (MOSFET) 將電動汽車的續航里程延長多達 5%。另外,文中還討論了為什么一些原始設備制造商 (OEM) 不愿意從硅基絕緣柵雙極晶體管 (IGBT) 過渡到 SiC 器件,以及安森美 (onsemi) 為緩解 OEM 的擔憂同時提升 OEM 對這種成熟的寬禁帶半導體技術的信心所做的努力。詳細閱讀>>
隨著軟開關的引入,減少逆變器中的電磁干擾變得更加輕松。而如果想減少EMI,Cadence Clarity 3D Transient Solver 采用突破性的電磁仿真技術,以及近乎無限的容量和測量級精準度,可將系統級 EMI 仿真速度最高提升10倍,完成之前非常耗時且需要昂貴的消聲實驗室才能進行的產品原型機電磁兼容性(EMC)測試,仿真之前被視為不切實際或無法求解的大型設計,縮短設計周期并加速產品上市。
關于我們 | About Us | 聯系我們 | Contact Us | 隱私政策 | 版權申明 | 投稿信箱 | 網站地圖
Copyright ? m.cqxjhs.cn? All Rights Reserved
電子元件技術網 版權所有 ??粵ICP備10202284號??粵ICP證B2-20090022
未經版權所有人明確的書面許可,不得以任何方式或媒體翻印或轉載本網站的部分或全部內容。