【導讀】在AC-DC SMPS應用中,通常會在輸入級使用功率橋式整流器,將交流電壓轉換為單向的直流電壓。在這種拓撲結構中,還會使用大容量電容器作為紋波濾波器,來穩定總線電壓,這會導致功率因數性能較差,并將諧波污染反饋到電網。為了改善功率因數和諧波電流,通常需要使用PFC電路。但額外增加一個功率級意味著會降低系統效率和可靠性。在本文中,我們提出了一種基于單電感結構的單級AC-DC拓撲結構,具備PFC和LLC功能。該拓撲結構保留了傳統LLC諧振轉換器的零電壓開關(ZVS)優勢,同時實現了高功率因數性能。
摘要
在AC-DC SMPS應用中,通常會在輸入級使用功率橋式整流器,將交流電壓轉換為單向的直流電壓。在這種拓撲結構中,還會使用大容量電容器作為紋波濾波器,來穩定總線電壓,這會導致功率因數性能較差,并將諧波污染反饋到電網。為了改善功率因數和諧波電流,通常需要使用PFC電路。但額外增加一個功率級意味著會降低系統效率和可靠性。在本文中,我們提出了一種基于單電感結構的單級AC-DC拓撲結構,具備PFC和LLC功能。該拓撲結構保留了傳統LLC諧振轉換器的零電壓開關(ZVS)優勢,同時實現了高功率因數性能。
關鍵詞: 單級轉換器、AC-DC、功率因數、LLC
背景
在AC-DC SMPS應用中,橋式整流器被用于將交流輸入轉換為直流總線電壓,并為第二級的隔離DC-DC轉換器供電。其中,電流與輸入電壓的不匹配會給電網帶來大量的諧波反饋。因此,電子儀器在接入電網時,需要遵循相關標準規定的功率因數規范和諧波限制。為了解決這些問題,在大多數AC-DC應用中,通常會使用功率因數校正技術。
單級AC-DC拓撲結構
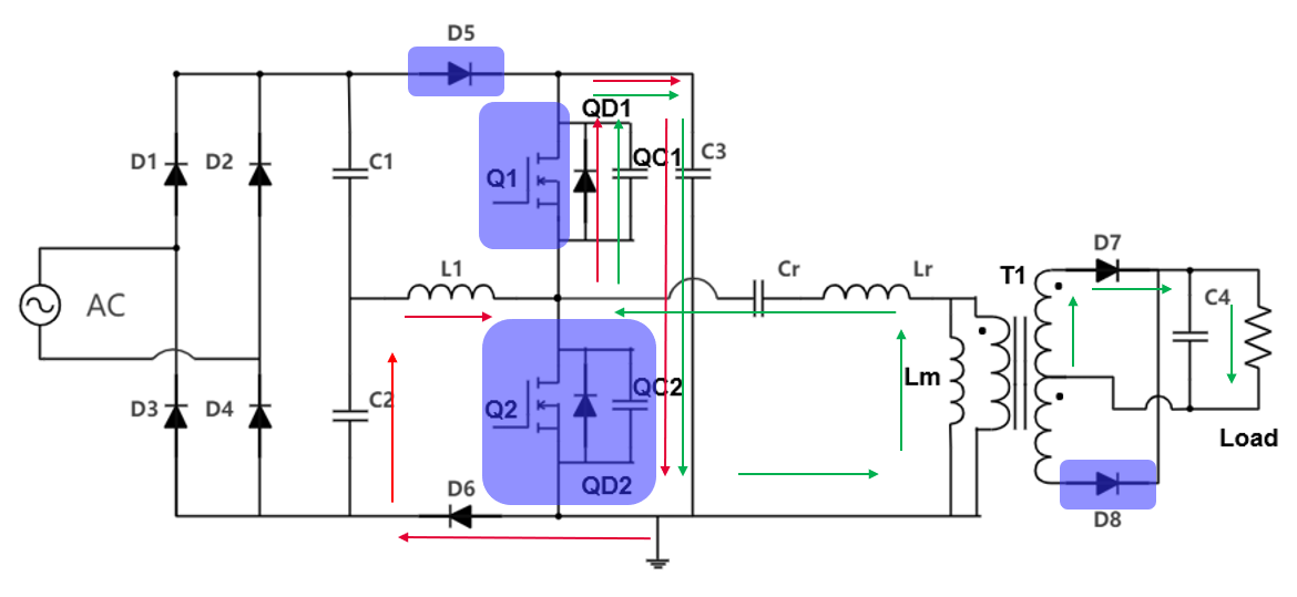
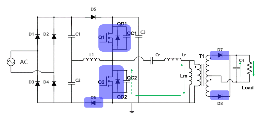
在本文中,我們提出了一種整合了PFC功能的單電感結構LLC諧振拓撲結構,如圖1所示。這個拓撲結構由升壓電路和半橋LLC電路組成,二者使用同一對開關MOS Q1和Q2。L1是升壓電路的主電感。當升壓電路的MOSFET Q1和Q2開始交替開關時,L1可以平滑輸入電流、減少相位失配、提高PF值,同時實現LLC諧振轉換。一次側的Q1、Q2均可在ZVS模式下工作,二次側SR MOS可以在ZCS(零電流開關)模式下工作。這可以有效地提高整個系統的效率。
工作原理與狀態分析
在一個完整的開關周期中,我們可以將這個單極AC-DC轉換器分為8個工作狀態(包括死區時間)。為加深理解,我們將逐個分析這些工作狀態。
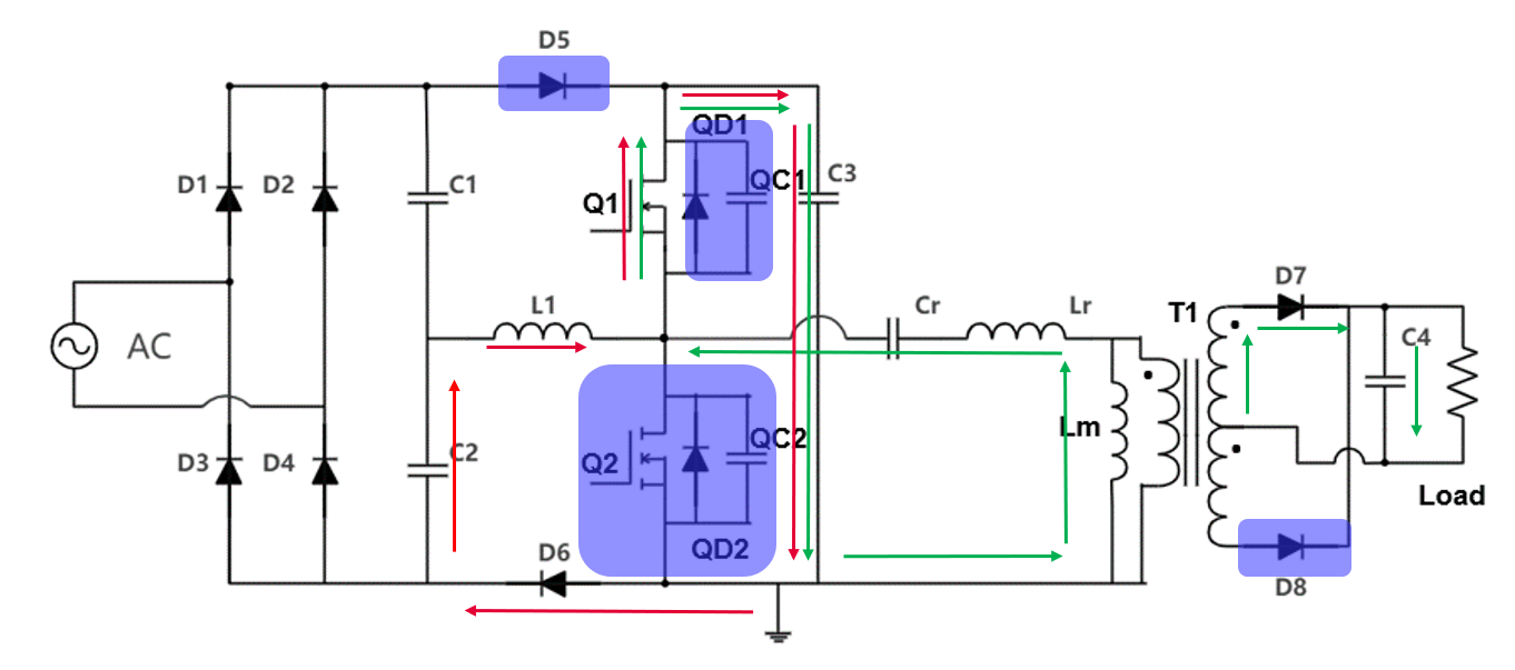
圖2:工作狀態1(t0-t1)
狀態1(t0-t1):如圖2所示,藍框圈出的部分不參與該工作狀態,彩色箭頭表示電流的流動方向,其中,紅色為PFC,綠色為LLC。在狀態1中,Q1和Q2關斷,L1處于放電模式,連續的電感電流流經Qd1的體二極管、儲能電容C3,然后流經D6和C2回到L1。同時,在LLC諧振回路中,電流從諧振回路的上端流過Qd1和C3,回到諧振回路的另一端。在二次側,D7 導通,為輸出電容器C4充電并為負載供電。由于體二極管Qd1在導通模式下工作,Q1的VDS被限制在體二極管正向電壓,在此周期結束時,Q1準備導通, ZVS實現。
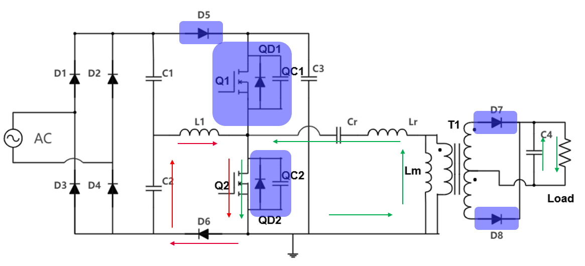
圖3:工作狀態1(t1-t2)
狀態2(t1-t2):如圖3所示,在這個工作狀態中,Q1切換到導通狀態,L1繼續放電,電感電流流經Q1、C3、D6和C2,然后回到L1。電容器C3仍處于充電模式。在LLC電路中,諧振回路繼續放電,直至耗盡,此時電流仍從Lr和Cr流出,來對C3充電(如圖3a所示)。充電電流降到0后,耗盡的諧振網絡將得到升壓電感的短時間充電,電流變成反向(如圖3b所示)。在整個工作狀態2中,變壓器磁感Lm的極性保持在正極接地。在二次側,D7保持導通,并為輸出負載供電。
圖4:工作狀態3(t2-t3)
工作狀態3(t2-t3):如圖4所示,L1完全放電,C3變成放電模式,為整個系統供電。電容器C1放電電流流經Q1,為L1充電,并通過D5循環回來。C3的放電電流還經過諧振網絡,通過變壓器傳輸電能,一次側繞組的極性仍然保持為上面為正極,而二次側繞組電流繼續流經D7,為輸出負載供電。
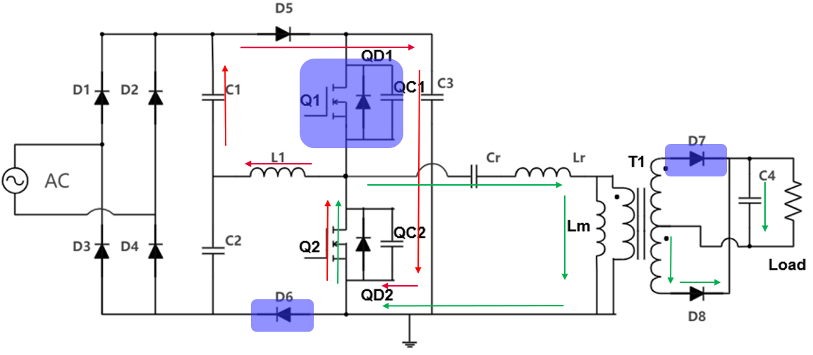
圖5:工作狀態4(t3-t4)
工作狀態4(t3-t4):如圖5所示,t3期間,諧振電流等于勵磁電感Lm中的勵磁電流,不再有電流流向變壓器的一次側繞組,電能傳輸結束,二次側的二極管D7在ZCS 模式中自然關閉,正半周功率傳輸完成。輸出電容C4開始放電,并保持恒定的輸出功率。L1仍由輸入電壓充電,直至 Q1 關斷,充電電流在C1、D5、Q1和L1之間循環(如圖 5a 所示)。一旦Q1關斷,Q2的Coss開始放電,并參與諧振。在t4期間,Q2的Coss完全放電,VDS降至0,ZVS導通實現。
圖6:工作狀態5(t4-t5)
工作狀態5(t4-t5):如圖6所示,Q2的Coss完全放電后,ZVS在t4期間導通。L1開始放電并為系統供電,電感電流流經C1、D5、C3、Q2,然后循環回來。Cr對Lr持續充電,Lm在退磁模式下工作,T1的一次側繞組的極性變成下正上負,整流器D8變成正向,電能通過D8傳輸到負載。
圖7:工作狀態6(t5-t6)
工作狀態6(t5-t6):如圖7所示,在此期間,L1放電回路與狀態5相同,不同之處在于諧振回路電流方向相反,Lr開始對Cr充電,Lm反向磁化。T1的一次側繞組的極性仍為下正上負,D8保持導通,二次側電流流過D8,為C4和負載供電。
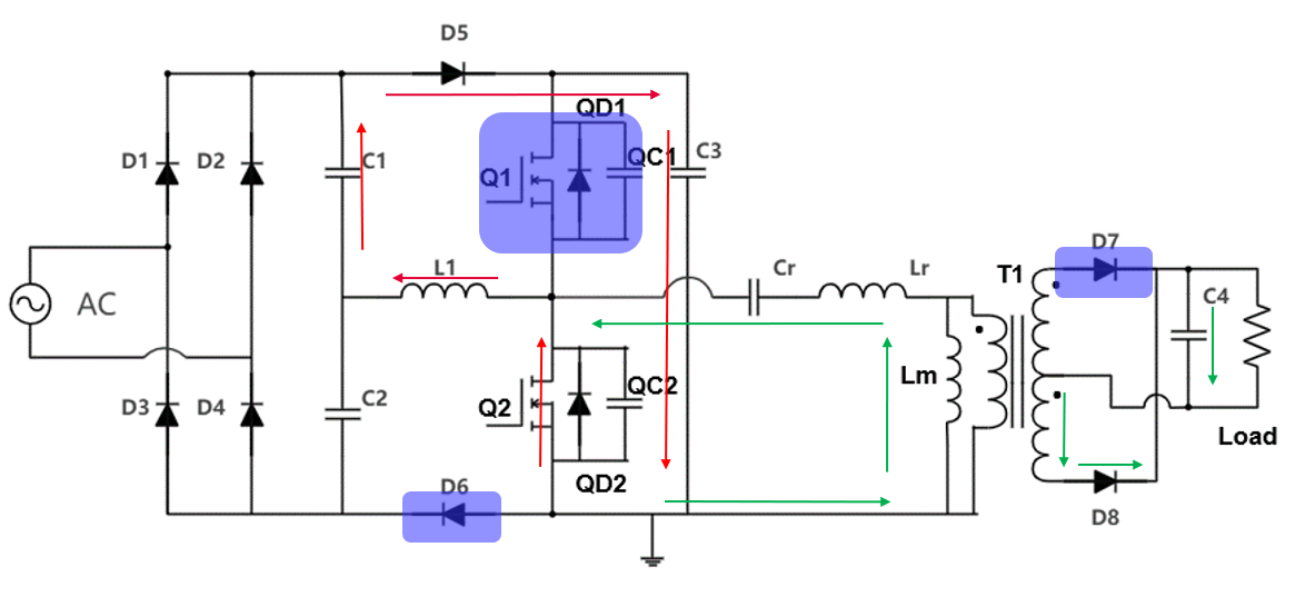
圖8:工作狀態7(t6-t7)
工作狀態7(t6-t7):如圖8所示,此時Q1處于關斷狀態,Q2處于導通狀態。L1存儲的電能完全耗盡,電感器開始由輸入電壓源通過C2充電。充電電流在C2、L1、Q2、D6之間循環流動。D5自然切斷。在LLC 諧振回路中,一次側繞組的極性為下正上負,電能輸送到二次側,同時電流通過 D8 流向負載。
圖9:工作狀態8(t7-t8)
工作狀態8(t7-t8):如圖9所示,L1充電回路不變。 在t7期間,諧振電流等于 Lm 磁感應電流,沒有電能通過 T1 傳輸。在 ZCS 模式下,二次側的D8關閉。輸出電容器C4開始放電,并為負載供電。
在上述操作狀態的描述中,我們沒有單獨分析死區時間。實際上,當兩個開關都關斷時,電感器 L1的電流將通過MOS體二極管繼續流動,并對 MOSFET 電容器放電,從而實現ZVS。諧振回路的工作模式與LLC 相同,此處不做過多描述。
整個拓撲工作順序如圖10所示,周期從t0開始,到t8結束,分為8個工作狀態。死區時間的工作策略與傳統LLC相同,易于理解。在t0之前,Q1的VDS已降至0,因此當Q1在t0導通時, ZVS實現,然后一次側諧振電流上升,并伴隨整個諧振周期。
仿真與驗證
a.仿真
為了驗證單級AC-DC轉換器的操作和控制原理,我們使用SIMetrix軟件進行了專業仿真。示意圖如圖11所示。
該示意圖包括橋式整流器D1-D4、濾波電容C1和C2、續流二極管D5和D6、開關MOS Q1和Q2、大容量電容C3、諧振電容Cr、諧振電感Lr以及二次側整流二極管D7和D8。仿真參數如下表1所示,其中,主要元件的參數為:C1、C2 330nF、L1 50uH、Lr 120uH、Cr 22nF、Lm 380uH,變壓器匝數比為8.5:1。仿真結果和波形如下所示。
圖12:PFC 輸入電流 vs 輸入電壓
圖12提供了交流輸入電壓與交流輸入電流的對比波形。圖13顯示了放大后的電感器電流和輸入電壓。該拓撲結構理想地實現了PFC功能。DCM工作策略使得該拓撲結構更適合有PFC功能需求的中小功率AC-DC SMPS應用。
圖13:IL和AC 輸入的波形(放大后)
圖14:Q2 ZVS導通波形
圖15:Q1 ZVS導通波形
Q1和Q2的ZVS導通特性如圖14和15所示,當MOS的VDS諧振達到0時,柵極導通,ZVS實現,ZVS的行為與 LLC 拓撲結構類似。
b.演示功能驗證
為了驗證該工作原理在實際案例中的有效性,我們構建了一個基于300w LLC演示板的高功率因數單級AC-DC轉換器。它的規格如下:輸入電壓180Vac,輸出功率12V/25A,諧振電容Cr 66nF,諧振電感Lr 54uH,變壓器磁感690uH,匝數比16.5:1。
在演示中,我們測量了交流輸入電壓和電流,測量結果均與仿真結果相符,實現了預期的PFC功能。諧振回路可以在一次側實現ZVS導通,在二次側實現SR二極管ZSC關斷。電能傳輸至二次側,不會與LLC功能產生任何沖突。此外,諧波電流也得到了很好的匹配。
總結
本文研究了一種具有PFC功能拓撲結構的單級 AC-DC 轉換器。與傳統的兩級拓撲結構相比,即經典的PFC+LLC,這種新拓撲結構將兩個電路結合在一起,并在半橋結構中共用一對 MOS,這有利于降低物料清單(BOM)成本和提高功率密度。由于該拓撲只有一個功率電感在DCM模式下工作,因此更適合需要高功率因數的中小型功率SMPS應用,例如:LED照明、快速充電器等。
參考文獻
免責聲明:本文為轉載文章,轉載此文目的在于傳遞更多信息,版權歸原作者所有。本文所用視頻、圖片、文字如涉及作品版權問題,請聯系小編進行處理。
推薦閱讀:
葉甜春:傳統賽道競爭加劇,FD-SOI給中國帶來新市場、新機會





